电脑桌面
添加小米粒文库到电脑桌面
安装后可以在桌面快捷访问

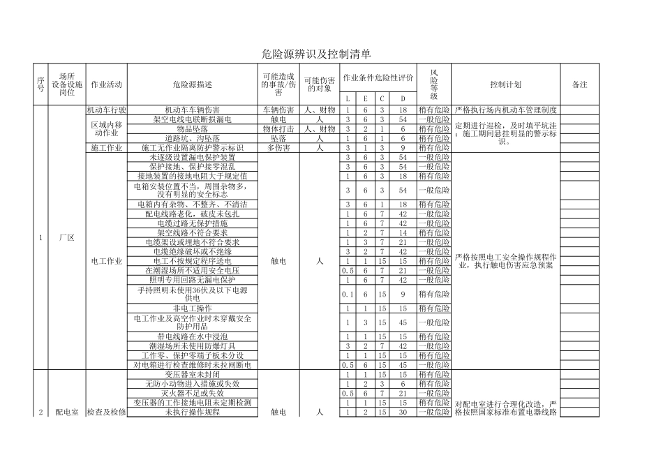
危险源辨识及控制清单

危险源辨识及控制清单_第1页
1/6
危险源辨识及控制清单_第2页
2/6
危险源辨识及控制清单_第3页
3/6
危险源辨识及控制清单作业活动危险源描述作业条件危险性评价控制计划备注LECD1厂区机动车行驶机动车车辆伤害车辆伤害人、财物16318稍有危险 严格执行场内机动车管理制度架空电线电联断损漏电触电人36354一般危险物品坠落物体打击人、财物3216稍有危险道路坑、沟坠落坠落人1616稍有危险施工作业施工无作业隔离防护警示标识多伤害人3139稍有危险电工作业未逐级设置漏电保护装置触电人36354一般危险保护接地、保护接零混乱36354一般危险接地装置的接地电阻大于规定值16318稍有危险36354一般危险电箱内有杂物、不整齐、不清洁36118稍有危险配电线路老化,破皮未包扎16742一般危险电缆过路无保护措施16742一般危险架空线路不符合要求12714稍有危险电缆架设或埋地不符合要求13721一般危险电缆绝缘破坏或不绝缘32742一般危险电工不按规定程序送电111515稍有危险在潮湿场所不适用安全电压0.56721一般危险照明专用回路无漏电保护16742一般危险0.16159稍有危险非电工操作111515稍有危险131545一般危险带电线路在水中浸泡111515稍有危险潮湿场所未使用防爆灯具32742一般危险工作零、保护零端子板未分设111515稍有危险对电箱进行检查维修时未拉闸断电0.561545一般危险2配电室检查及检修变压器室未封闭触电人111515稍有危险无防小动物进入措施或失效1236稍有危险灭火器不足或失效0.56721一般危险变压器的工作接地电阻未定期检测111515稍有危险未执行操作规程121530一般危险序号场所设备设施岗位可能造成的事故/伤害可能伤害的对象风险等级区域内移动作业定期进行巡检,及时填平坑洼;施工期间悬挂明显的警示标识。严格按照电工安全操作规程作业,执行触电伤害应急预案电箱安装位置不当,周围杂物多,没有明显的安全标志手持照明未使用36伏及以下电源供电电工作业及高空作业时未穿戴安全防护用品对配电室进行合理化改造,严格按照国家标准布置电器线路。2配电室检查及检修无证操作触电人111515稍有危险无临时用电审批及使用违规311545一般危险未使用三项四线制0.11151.5稍有危险无应急照明0.1674.2稍有危险3维修班未按操作规程操作触电等人、财物111515稍有危险未定期检验、安全设施失效人111515稍有危险焊把线绝缘老化或接头过多触电人311545一般危险无二次空载降压保护器或防触电装置触电人111515稍有危险灭火器材缺失火势无法控制火灾人、财物111515稍有危险人、财物111515稍有危险触电人131545一般危险触电人131545一般危险未按规定定期检测触电人0.13154.5...

1、当您付费下载文档后,您只拥有了使用权限,并不意味着购买了版权,文档只能用于自身使用,不得用于其他商业用途(如 [转卖]进行直接盈利或[编辑后售卖]进行间接盈利)。
2、本站所有内容均由合作方或网友上传,本站不对文档的完整性、权威性及其观点立场正确性做任何保证或承诺!文档内容仅供研究参考,付费前请自行鉴别。
3、如文档内容存在违规,或者侵犯商业秘密、侵犯著作权等,请点击“违规举报”。

碎片内容

危险源辨识及控制清单

您可能关注的文档

最好的沉淀+ 关注
实名认证
内容提供者

行业文档

确认删除?
VIP
微信客服
  • 扫码咨询
会员Q群
  • 会员专属群点击这里加入QQ群
客服邮箱
回到顶部