电脑桌面
添加小米粒文库到电脑桌面
安装后可以在桌面快捷访问

冷水机组合同VIP免费

冷水机组合同_第1页
1/13
冷水机组合同_第2页
2/13
冷水机组合同_第3页
3/13
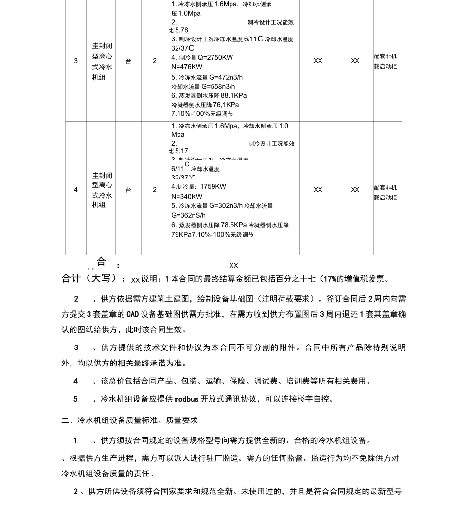
购销合同供方:签订地点:需方:签订时间:2013年_月_日供需双方就采购浩远弘天大厦项目冷水机组设备,依照《中华人民共和国民法典》和有关法律法规,本着平等、自愿的原则,经过友好协商,达成一致并签订如下合同,以兹共同遵守。、冷水机组的规格型号、数量、价格序号产品名称单位数量开利空调规格单价总价备注1全执八、、回收螺杆冷水机组台11.冷却水侧承压1.6Mpa,冷冻水侧承压1.6Mpa2.制冷设计工况:冷冻水温度6/11C冷却水温度32/37°C制冷量Q=1107KWN=251KW3.冷冻水流量G=190n3/h4.冷却水流量G=233n3/h5.蒸发器侧水压降53KPa6.冷凝器侧水压降63KPa7.制冷设计工况能效比4.418.全热回收设计工况冷冻水温度6/11C热水温度50/60C9.热回收量Q=1245KWN=390KW10.冷冻水流量G=150n3/h热水流量G=105m/h11.全热回收能效比3.19xxXX配套启动柜2螺杆冷水机组台11.冷却水侧承压1.6Mpa,冷冻水侧承压1.6Mpa2.制冷设计工况能效比4.383.制冷设计工况:冷冻水温度6/11C冷却水温度32/37C4.制冷量Q=1151KWN=263KW5.冷冻水流量G=198n3/h冷却水流量G=241m/h6.蒸发器侧水压降72KPa7.冷凝器侧水压降65KPa8.10%-100%无级调节xxXX配套启动柜3圭封闭型离心式冷水机组台21.冷冻水侧承压1.6Mpa,冷却水侧承压1.0Mpa2.制冷设计工况能效比5.783.制冷设计工况冷冻水温度6/11C冷却水温度32/37C4.制冷量Q=2750KWN=476KW5.冷冻水流量G=472n3/h冷却水流量G=558n3/h6.蒸发器侧水压降88.1KPa冷凝器侧水压降76,1KPa7.10%-100%无级调节XXXX配套非机载启动柜1.冷冻水侧承压1.6Mpa,冷却水侧承压1.0Mpa2.制冷设计工况能效比5.173.制冷设计工况:冷冻水温度圭封闭6/11C冷却水温度32/37°C4型离心式冷水台24.制冷量:1759KWN=340KWXXXX配套非机载启动柜机组5.冷冻水流量G=302n3/h冷却水流量G=362nS/h6.蒸发器侧水压降78.5KPa冷凝器侧水压降79KPa7.10%-100%无级调节合计:XX合计(大写):XX说明:1本合同的最终结算金额已包括百分之十七(17%的增值税发票。2、供方依据需方建筑土建图,绘制设备基础图(注明荷载要求)。签订合同后2周内向需方提交3套盖章的CAD设备基础图供需方批准,在需方收到供方布置图后3周内退还1套其盖章确认的图纸给供方,此时该合同生效。3、供方提供的技术文件和协议为本合同不可分割的附件。合同中所有产品除特别说明外,均以供方的相关最终承诺为准。4、该总价包括合同产品、包装、运输、保险、调试费、培训费等所有相关费用。5、冷水机组设备应提供modbus开放式通讯协议,可以连接楼宇自控。二、冷水机组设备质量标准、质量要求1、供方须按合同规定的设备规格型号向需方提供全新的、合格的冷水机组设备。、根据供方生产进程,需方可以派人进行驻厂监造。需方的任何监督、监造行为均不免除供方对冷水机组设备质量的责任。2、供方所供设备须符合国家要求和规范全新、未使用过的,并且是符合合同规定的最新型号和配置,零配件与所供设备必须匹配。并且完全符合合同规定的质量、规格和性能的要求。在设备最终验收后的质量保证期内,供方对由于设计、工艺或材料的缺陷而发生的任何质量缺陷或故障负责,并承担相关直接费用。4、设备质保期从安装调试验收合格之日起两年。质保期内提供两年的免费维保,维保的服务内容和服务承诺详见附件一(供方应在此附件上加盖公章),质保期内设备、配件出现质量问题或在后期运行中出现设备匹配性问题,供方应在三小时内到场,在合理时间内修复完毕(不超过24小时),并承担因此所发生的一切直接费用。无法维修或经两次维修仍不能修复到正常使用的,供方对于该部件予以更换,若更换后仍不能使设备正常运行的,需方有权扣留全部质量保证金并可以要求供方就此冷水机组退货,同时供方承担因退货给需方造成的相关经济损失。5、在交货前,供方应对设备(包括设备零部件)的质量、规格、性能、数量和重量等进行详细而全面的检验,并出具一份证明设备符合合同规定的出厂检验证书,出厂检验证书是付款时所需文件的组成部分,但不能作为有关质量、规格、性能、数量和重量的最终检验。供方检验的结果和细节应附在出厂检验证书后面。供方还应提供材料和设备的出厂合格证、质量保...

1、当您付费下载文档后,您只拥有了使用权限,并不意味着购买了版权,文档只能用于自身使用,不得用于其他商业用途(如 [转卖]进行直接盈利或[编辑后售卖]进行间接盈利)。
2、本站所有内容均由合作方或网友上传,本站不对文档的完整性、权威性及其观点立场正确性做任何保证或承诺!文档内容仅供研究参考,付费前请自行鉴别。
3、如文档内容存在违规,或者侵犯商业秘密、侵犯著作权等,请点击“违规举报”。

碎片内容

冷水机组合同

您可能关注的文档

确认删除?
VIP
微信客服
  • 扫码咨询
会员Q群
  • 会员专属群点击这里加入QQ群
客服邮箱
回到顶部