电脑桌面
添加小米粒文库到电脑桌面
安装后可以在桌面快捷访问

地工程电气施工组织设计方案二防电气施组VIP免费

地工程电气施工组织设计方案二防电气施组_第1页
1/38
地工程电气施工组织设计方案二防电气施组_第2页
2/38
地工程电气施工组织设计方案二防电气施组_第3页
3/38
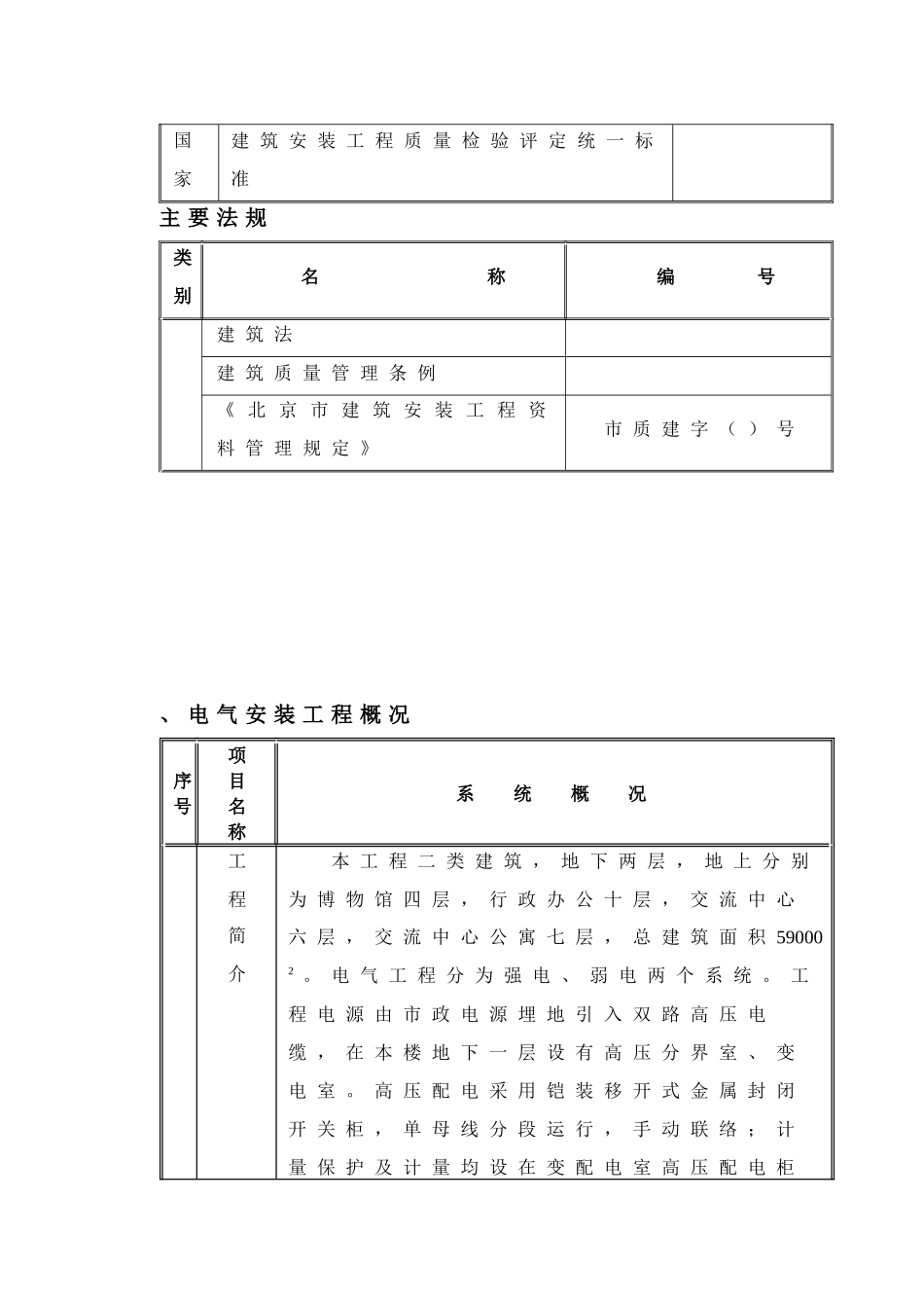
工程电气施工方案、编制依据施工图纸图纸名称图别工程号北京市建筑设计研究院设计的《》工程施工图纸电气主要标准图集类别名称编号地区建筑电气通用图集等电位联结安装图集-行业智能建筑弱电工程设计施工图集(上、下)建筑电气安装工程图集主要施工规范、规程类别名称编号火灾自动报警系统施工及验收规范电气装置安装工程低压电器施工及验收规范电气装置安装工程盘、柜及二次回路接线施工及验收规范电气装置安装工程接地装置施工及验收规范国家电气装置安装工程电缆线路施工及验收规范电气装置安装工程母线装置施工及验收规范电气装置安装工程高压电器施工及验收规范电气装置安装工程电力变压器、电抗器、互感器施工及验收规范电气装置安装工程电气设备交接试验施工及验收规范电气装置安装工程旋转电机施工及验收规范电气装置安装工程爆炸和火灾危险环境电气装置施工及验收规范有线电视系统工程技术规范建设工程施工现场供用电安全规范建筑与建筑群综合布线系统工程施工及验收规范有线电视广播系统技术规范-建筑与建筑群综合布线工程设计规范大楼通信综合布线系统总规范建筑电气工程施工质量验收规范地方建筑安装分项工程施工工艺规程01-26-2003主要标准类别名称编号国家建筑安装工程质量检验评定统一标准主要法规类别名称编号建筑法建筑质量管理条例《北京市建筑安装工程资料管理规定》市质建字()号、电气安装工程概况序号项目名称系统概况工程简介本工程二类建筑,地下两层,地上分别为博物馆四层,行政办公十层,交流中心六层,交流中心公寓七层,总建筑面积590002。电气工程分为强电、弱电两个系统。工程电源由市政电源埋地引入双路高压电缆,在本楼地下一层设有高压分界室、变电室。高压配电采用铠装移开式金属封闭开关柜,单母线分段运行,手动联络;计量保护及计量均设在变配电室高压配电柜内,设两台环氧浇注干式变压器;低压配电采用抽屉型配电屏,单母线分段运行,自动手动联络;功率因数补偿设于低压侧;计费方式为光总力子,低压侧设两组动力表。变配电室内设信号显示屏;三层信息中心机房内设不间断电源。其火灾报警系统电源、消防风机、消防电梯、消防泵等重要负荷均为一级负荷,双路供电,末端自投。楼内应急照明及疏散指示照明由集中蓄电池组供应,保证全部停电时的应急照明继续供电。消防用电设备控制回路热元件在消防状态下仅提供报警信号,不动作跳闸。强电系统强电系统包括:高、低压配电系统、电力配电系统、照明配电系统、楼宇自控系统、防雷接地系统、人防系统、室外照明系统、大厅及多功能厅的调光系统。其中,室外照明系统、博物馆展厅、游泳池、厨房、多功能厅以及有工艺设备场所只预留电源。弱电系统弱电系统包括:火灾自动报警与消防联动控制系统、综合布线系统、有线电视系统、电话系统、保安监控系统。弱电系统只做管线施工,设备安装调试由专业安装公司施工。、工程质量目标及工期目标质量目标:电气工程要密切配合土建施工,达到“北京市结构长城杯”工程,“整体长城杯工程”。具体要求如下:施工范围内的全部分部、分项工程功能达到设计要求。工程质量全部达到国家现行的施工验收规范标准。分部工程质量评定执行《建筑电气工程施工质量验收规范》,各检验批验收合格率%。观感质量评定得分率为%以上。工程技术资料齐全,符合《北京市建筑安装工程资料管理规定》()。工期目标:工程于年月日开工,年月日竣工。密切配合土建工程施工,确保整个工程进度和质量。安全目标:贯彻国际职业安全卫生管理体系标准;杜绝重大伤亡事故;创“北京市建筑工程安全文明工地”。.现场管理目标:贯彻国际环境标准;实施绿色施工,坚持污染预防,营造绿色工地,使用环保建材,为业主奉献一座健康的建筑。、施工部署:施工技术管理机构根据本工程智能化程度很高,功能齐全,为确保实现质量目标和工期目标,电气专业分强、弱电配备两套班子分别负责本工程的施工,均配备整体素质高,具有同类工程施工经验、技术和管理水平强的技术质量管理人员持证上岗。施工准备:技术准备:4.2.1技术质检人员首先明确合同签订的施工项目及配合项目,进行细致的施工图纸会审,...

1、当您付费下载文档后,您只拥有了使用权限,并不意味着购买了版权,文档只能用于自身使用,不得用于其他商业用途(如 [转卖]进行直接盈利或[编辑后售卖]进行间接盈利)。
2、本站所有内容均由合作方或网友上传,本站不对文档的完整性、权威性及其观点立场正确性做任何保证或承诺!文档内容仅供研究参考,付费前请自行鉴别。
3、如文档内容存在违规,或者侵犯商业秘密、侵犯著作权等,请点击“违规举报”。

碎片内容

地工程电气施工组织设计方案二防电气施组

确认删除?
VIP
微信客服
  • 扫码咨询
会员Q群
  • 会员专属群点击这里加入QQ群
客服邮箱
回到顶部