电脑桌面
添加小米粒文库到电脑桌面
安装后可以在桌面快捷访问

实训3数控电火花慢走丝线切割加工VIP免费

实训3数控电火花慢走丝线切割加工_第1页
1/5
实训3数控电火花慢走丝线切割加工_第2页
2/5
实训3数控电火花慢走丝线切割加工_第3页
3/5
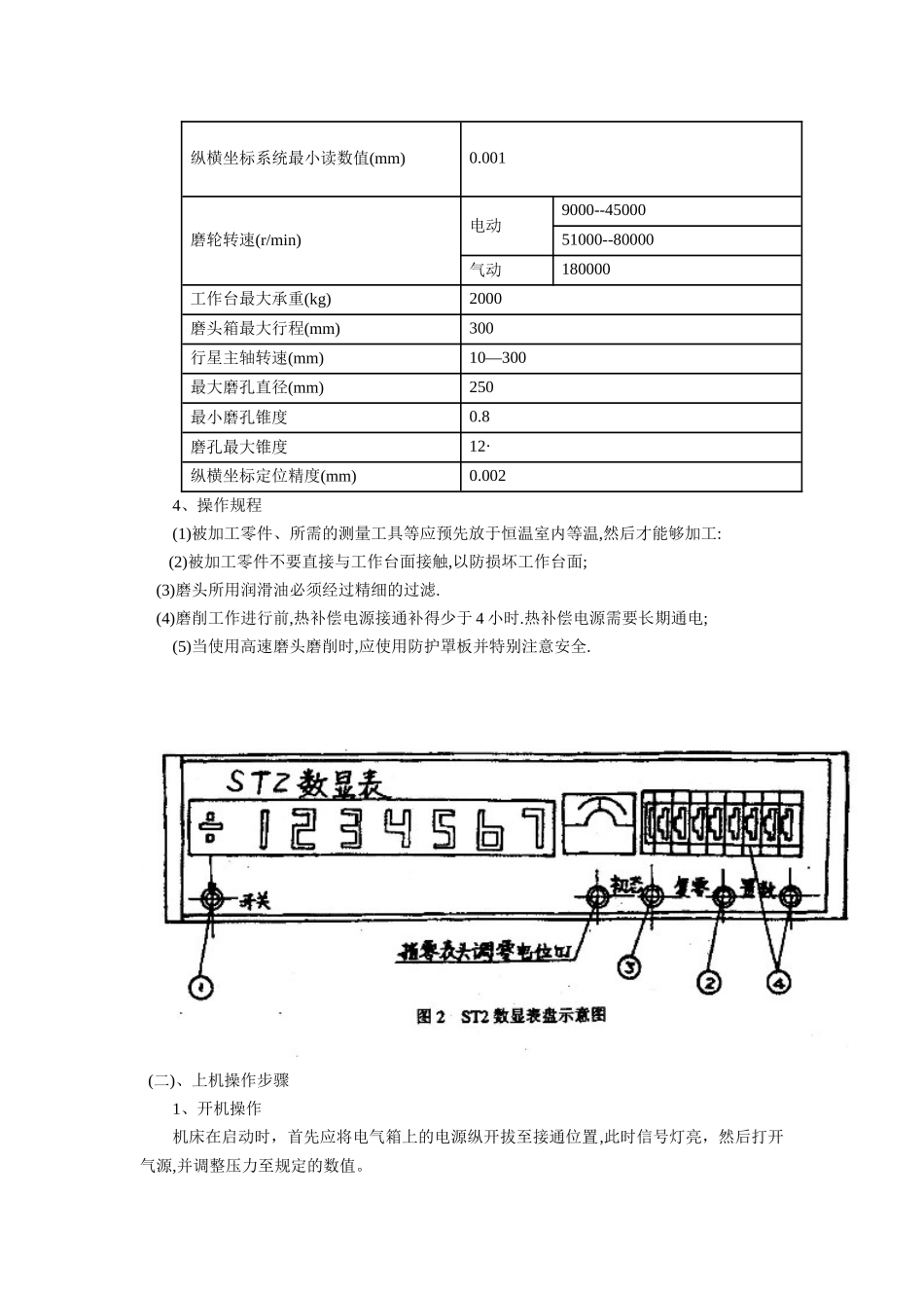
实训5磨削加工一、目的及要求培养具有高等级理论知识的实用形人才,通过对平面磨床和坐标磨床观看与上手操作,使学生深刻理解平面磨床和坐标磨床加工原理。了解普通平面磨床设备构成,熟悉技术范围,初步掌握平面磨床和坐标磨床磨削加工工件的技能和加工工艺并能进行实际操作。要求如下:(1)正确阐述平面磨削和坐标磨削加工的原理;(2)了解平面磨床和坐标磨床设备各组成部分构成及如何使用和操作;了解所用平面磨床和坐标磨床设备的技术规格。(3)了解磨床运行前的调试和检测;(4)初步掌握工件与刀具的装夹定位方法;(5)掌握基本操作技能.二﹑实训内容(1)了解平面磨床和坐标磨床设备各由哪些组成,各部分的使用及操作方法;(2)了解磨床的调试和检测(3)了解各种砂轮的结构﹑加工性能及其加工范围;(4)了解普通平面磨床砂轮工作刃面的加工与修复.(5)工件与少论的装夹定位.(6)了解设备粗磨﹑精磨加工技术参数的选用和操作方法(7)动手操作并初步掌握加工方法.(8)学生应该在预习﹑听讲﹑观察示范操作的基础上,根据图纸要求,独立完成规定的加工零件。三、实验设备仪器和工具设备:MGX2932B(数显)单柱坐标磨床工具:铜棒、扳手等.量具:油标卡尺、千分表及表架、表面粗糙度样板四﹑坐标磨床实习步骤(一)坐标磨床的认识1﹑坐标磨床外观及构成坐标磨床适用于具有高精度坐标孔距离要求,并经淬火后的直孔锥孔平面的磨削加工。坐标磨床的主要系统:传动系统;定位测量系统;润滑系统;电气系统.2﹑数显表盘3﹑技术数据表1MGX2932B(数显)单柱坐标磨床主要技术数据。表1主机型号MGX2932B主机外形尺寸(mm)1585×1260×2470主机重量(kg)2800工件台尺寸(mm)长×宽320×600工作台最大行程(mm)横向:250纵向:400工作台行程速度(mm/min)2---750纵横坐标系统最小读数值(mm)0.001磨轮转速(r/min)电动9000--4500051000--80000气动180000工作台最大承重(kg)2000磨头箱最大行程(mm)300行星主轴转速(mm)10—300最大磨孔直径(mm)250最小磨孔锥度0.8磨孔最大锥度12·纵横坐标定位精度(mm)0.0024、操作规程(1)被加工零件、所需的测量工具等应预先放于恒温室内等温,然后才能够加工:(2)被加工零件不要直接与工作台面接触,以防损坏工作台面;(3)磨头所用润滑油必须经过精细的过滤.(4)磨削工作进行前,热补偿电源接通补得少于4小时.热补偿电源需要长期通电;(5)当使用高速磨头磨削时,应使用防护罩板并特别注意安全.(二)、上机操作步骤1、开机操作机床在启动时,首先应将电气箱上的电源纵开拔至接通位置,此时信号灯亮,然后打开气源,并调整压力至规定的数值。当启动电动磨头时,应先按下机床总启动按扭和变频装置启动按扭接通变频装置及油雾,然后才能够按下电动磨头启动。当启动风动磨头时,则只需要按下机床总启动按扭后就可以拔动扭子开关(风动磨头启动与停止),而不必按下变频装置启动按扭。2、砂轮的选择对于不同的工件材质,应采用不同的磨料.同时工件的硬度不同,砂轮的硬度也不同,对于硬质合金工件,可采用金刚石磨轮,对于淬火钢件,一般采用陶瓷砂轮或立方氮化硼的砂轮.3、确定砂轮直径砂轮直径应尽量可能的接近工件孔径,以使磨头的转速可取较低,同时砂轮直径的选择还要考虑到磨尘排除的方便,以防止物件烧伤,因此在一般的孔径(3mm≤D≤50mm)下建议,砂轮直径d=0.8~0.9D,当孔径大于50mm时,则受到磨头允许安装砂轮的最大直径40mm的限制。4、砂轮线速度当确定了砂轮直径后就可以按照下式求得砂轮转速或砂轮线速度.V=3.14dn/(60×1000)(m/s)V-----砂轮线速度d-----砂轮直径n----砂轮转速根据不同的砂轮结合剂所允许的速度以及所加工零件的要求确定切削速度,再由上式求得转速,根据操作面板的转速挡数确定所使用的磨头和转速。一般,坐标磨床所采用的砂轮线速度比普通磨床的砂轮线速度低。5、行星转速行星转速可以根据砂轮线速度来确定,由于本机床是采用行星转动的方式来磨孔的,由于离心力的影响,行星转速不宜取得过高,但转速过底不只会使效率低,而且也容易出现烧伤.因此,必须合理地选择行星转速。行星转速可按下式确定.N=1000V′/(3.14D)式中V′------行星线速度(m/min)V′=(3/16~3/32)V式中D-------工件直径()V-------砂轮线...

1、当您付费下载文档后,您只拥有了使用权限,并不意味着购买了版权,文档只能用于自身使用,不得用于其他商业用途(如 [转卖]进行直接盈利或[编辑后售卖]进行间接盈利)。
2、本站所有内容均由合作方或网友上传,本站不对文档的完整性、权威性及其观点立场正确性做任何保证或承诺!文档内容仅供研究参考,付费前请自行鉴别。
3、如文档内容存在违规,或者侵犯商业秘密、侵犯著作权等,请点击“违规举报”。

碎片内容

实训3数控电火花慢走丝线切割加工

确认删除?
VIP
微信客服
  • 扫码咨询
会员Q群
  • 会员专属群点击这里加入QQ群
客服邮箱
回到顶部