电脑桌面
添加小米粒文库到电脑桌面
安装后可以在桌面快捷访问

带式运输机课程设计说明书VIP免费

带式运输机课程设计说明书_第1页
1/20
带式运输机课程设计说明书_第2页
2/20
带式运输机课程设计说明书_第3页
3/20
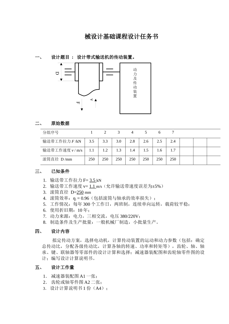
机械设计基础课程设计计算说明书设计题目:设计带式输送机的传动装置工程学院工程系101班设计者指导教师2012年1月_9_日广东海洋大学――――――――――〇―――――――――装订线―――――――――〇――――――――目录械设计基础课程设计任务书………………………………………………………………………………………………………………3一、传动方案……………………………………………………………………………………………………………………..………...……4二、选择电动机………………………………………………………………………………………………….………….………….………4三、计算传动比和分配传动比……………………………………………………………………………………………………….5四、计算传动装置的运动和动力参数…………………………………………………………………………..….………….5五、普通V带传动…………………………………………………………………………….…………………………….…………6六、齿轮传动……………………………………………………………………………………….…………………………………………8七、轴的设计…………………………………………………………………………………………………………………………..……….11(一、)从动轴的设计……………………………………………………………………………….……………………………….11(二、)主动轴的设计…………………………………………………………………………………….………………………….15八、轴承…………………………………………………………………………………………………………………………………..………….17(一、)主动轴轴承…………………………………………………………………….…………………………………………….17(二、)从动轴轴承………………………………………………………………………………………….……………………………17九、键的选择………………………………………………………………………………………………………………………….………….18十、联轴器的选择…………………………………………………………………………………………………………..………………….18十一、润滑方式、润滑油牌号及密封装置的选择…………………………………………….……………………….…19参考资料…………………………………………………………………………………………………………………………………...……………19DFv动力及传动装置械设计基础课程设计任务书一、设计题目:设计带式输送机的传动装置。二、原始数据分组序号1234567输送带工作拉力F/kN3.53.33.02.82.62.52.4输送带工作速度v/m/s1.11.21.31.41.51.61.7滚筒直径D/mm250250250250250250250三、已知条件1.输送带工作拉力F=3.5kN2.输送带工作速度v=1.1m/s(允许输送带速度误差为±5%)3.滚筒直径D=250mm4.滚筒效率:ηj=0.96(包括滚筒与轴承的效率损失);5.工作情况:每年300个工作日,两班制,连续单向运转,载荷较平稳;6.使用折旧期:10年;7.动力来源:电力,三相交流,电压380/220V;8.制造条件及生产批量:一般机械厂制造,小批量生产。四、设计内容拟定传动方案,选择电动机,计算传动装置的运动和动力参数(包括:确定总传动比,分配各级传动比,计算各轴的转速、功率和转矩等),齿轮、轴、轴承、键、联轴器等零部件的设计计算和选择;减速器装配图和齿轮轴零件图的设计;编写设计计算说明书。五、设计工作量1.减速器装配图A1一张;2.齿轮或轴零件图A2二张;3.设计计算说明书1份(A4);DFv计算及说明结果一、传动方案二、选择电动机1.选择电动机类型按已知的工作要求格条件,选用Y型全封闭笼型三相型电动机2.选择电动机功率工作机所需的电动机输出功率为Pd=PwηPw=Fv1000ηwη故Pd=Fv1000ηwη由电动机至工作机之间的总效率(包括工作机效率)为η∗ηw=η1⋅η22⋅η3⋅η4⋅ηi式中的效率为:η1(带传动),η2(齿轮传动的轴承),η3(齿轮传动),η4(联轴器),η...

1、当您付费下载文档后,您只拥有了使用权限,并不意味着购买了版权,文档只能用于自身使用,不得用于其他商业用途(如 [转卖]进行直接盈利或[编辑后售卖]进行间接盈利)。
2、本站所有内容均由合作方或网友上传,本站不对文档的完整性、权威性及其观点立场正确性做任何保证或承诺!文档内容仅供研究参考,付费前请自行鉴别。
3、如文档内容存在违规,或者侵犯商业秘密、侵犯著作权等,请点击“违规举报”。

碎片内容

带式运输机课程设计说明书

确认删除?
VIP
微信客服
  • 扫码咨询
会员Q群
  • 会员专属群点击这里加入QQ群
客服邮箱
回到顶部