电脑桌面
添加小米粒文库到电脑桌面
安装后可以在桌面快捷访问

图书馆通风空调工程施工组织设计(127页)VIP免费

图书馆通风空调工程施工组织设计(127页)_第1页
1/108
图书馆通风空调工程施工组织设计(127页)_第2页
2/108
图书馆通风空调工程施工组织设计(127页)_第3页
3/108
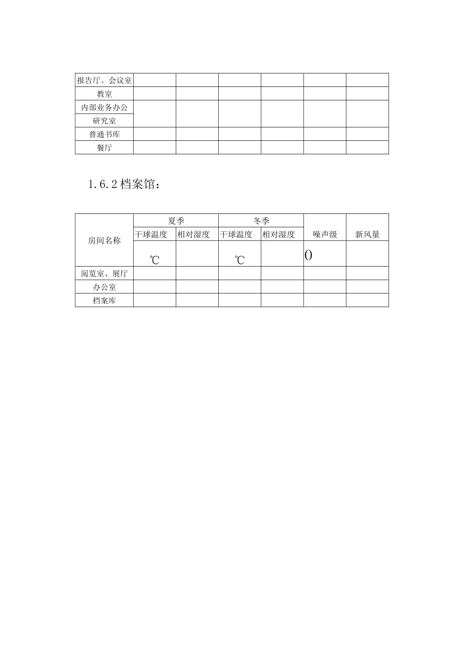
第一章工程概述工程简介天津开发区泰达图书馆位于天津开发区第三大街南侧,西邻天津开发区外商投资服务中心、天津海关综合设施工程,东邻泰达学院。这是天津开发区新区的中心地段,他的建成将成为开发区的文化交流中心,成为开发区新的标志。本工程有两个建筑主体图书馆为一个五层结构椭园型建筑,建筑面积为平方米,档案馆为结构十一层的长方形建筑,建筑面积为平方米,、整个基地设一层地下室,地下室建筑面积为平方米,停车数量总建筑面积为平方米。工程工期本工程空调通风施工自年月日开工至年月日完工。我们将根据工程总体进度要求及土建总包的施工进度计划,作出详细的空调工程的总体及单项专业施工进度配套计划,包括施工进度控制网络计划、劳动力计划、施工机具及检测设备计划、设备及材料的供货计划、施工用水用电量计划等,并在实施过程中进行细化,根据总体计划制订阶段计划和月计划,由阶段和月计划制订周计划,再由周计划制订日消项计划,层层落实总体计划。同时以诚信的态度服从业主对工程的指导,做好与土建(总包)、装修单位及其它各专业的配合与协调工作,确保工程总体工期。工程质量1.3.1质量方针、信手合同:坚定不移地完成与业主所签合同中应承担的义务;、精心施工:细致地做好施工前的准备工作,周密地组织好工程的施工,一丝不苟地完成工程的交付。、保证质量:配备足够的资源,通过有计划、有系统的活动来满足工程质量的要求。、竭诚服务:诚心尽力地满足顾客在合同中的要求及实际中的需要。1.3.2质量承诺:、工程一次交验合格率%、分部工程的优良品率%以上。、整体工程在达到《建筑安装工程质量检验评定标准》中的优良标准的基础上,创天津市优质工程,争创国家优质工程“鲁班奖”。工程有关管理单位业主:天津开发区建发局基建办设计单位:华东建筑设计院有限公司监理工程师:土建总包单位:中建三局三公司工程本次投标范围1.5.1暖通设计图的全部内容。1.5.2冷却循环水系统、凝结水系统;1.5.3电力系统除桥架、线槽、预埋管线、照明及插座系统、热水器电源外,均在本次招标范围内。1.5.4电梯电源、污水泵、污泥泵、排水泵、雨水泵、消防泵(消火栓系统)、生活用水泵及喷淋泵控制箱上口至配电柜下口在本次招标范围内。1.5.5变配电室、柴油发电机系统除高压柜至变压器部分的线路以外的全部内容。1.5.6动力系统内发电机组、燃油系统、排烟等均在本次招标范围内。1.工程室内设计参数1.6.1图书馆:房间名称夏季冬季噪声级新风量干球温度相对湿度干球温度相对湿度℃℃()普通阅览室缩微阅览室儿童阅览室电子阅览室集体视听室门厅、目录厅报告厅、会议室教室内部业务办公研究室普通书库餐厅1.6.2档案馆:房间名称夏季冬季噪声级新风量干球温度相对湿度干球温度相对湿度℃℃()阅览室、展厅办公室档案库第二章空调工程专业特点综述、本工程为天津开发区的重点项目,要力争“鲁斑奖”。为此我们将配备精良的高素质专业人员,建立完善的项目管理制度,统筹安排,均衡部署,把严谨履行合同、保证工期、保证质量、安全生产、文明施工、树立良好的信誉和社会形象放在工程建设管理的首位。、本工程为机电设施配套齐全的现代化综合性工程,立体交叉作业,因此搞好与业主、总包、土建及各机电专业之间的配合工作,创立良好施工氛围,是做好项目施工管理的必要条件。、本工程工程量大、作业面广,为确保工程项目的良好实施,我们将发挥我公司的整体实力和专业上的优势,调集先进的施工机具,建立完善的配套计划控制体系,以充足的人力、物力和良好的管理保证整个项目工程的实施。空调系统2.2.1图书馆各阅览室、报告厅等大空间公共用房及书库采用全空气系统的空调方式(局部辅以风机盘管系统),按建筑功能设置一个或若干个空调系统;采用顶送,下侧或上侧回风;研究室、休息室办公室等采用风机盘管加新风的空调方式,风机盘管卧式或立式安装,空调集组、新风机组位于各楼层;采用异程式两管制空调水系统;按工艺要求,安报等除设置全空气系统外,另配备风冷分体式空调器。2.2.2档案馆采用风机盘管加新风的空调方式,风机盘管卧式或立式安装,新风机组位于各楼层,采用两...

1、当您付费下载文档后,您只拥有了使用权限,并不意味着购买了版权,文档只能用于自身使用,不得用于其他商业用途(如 [转卖]进行直接盈利或[编辑后售卖]进行间接盈利)。
2、本站所有内容均由合作方或网友上传,本站不对文档的完整性、权威性及其观点立场正确性做任何保证或承诺!文档内容仅供研究参考,付费前请自行鉴别。
3、如文档内容存在违规,或者侵犯商业秘密、侵犯著作权等,请点击“违规举报”。

碎片内容

图书馆通风空调工程施工组织设计(127页)

确认删除?
VIP
微信客服
  • 扫码咨询
会员Q群
  • 会员专属群点击这里加入QQ群
客服邮箱
回到顶部