电脑桌面
添加小米粒文库到电脑桌面
安装后可以在桌面快捷访问

单层厂房结构课程设计VIP免费

单层厂房结构课程设计_第1页
1/30
单层厂房结构课程设计_第2页
2/30
单层厂房结构课程设计_第3页
3/30
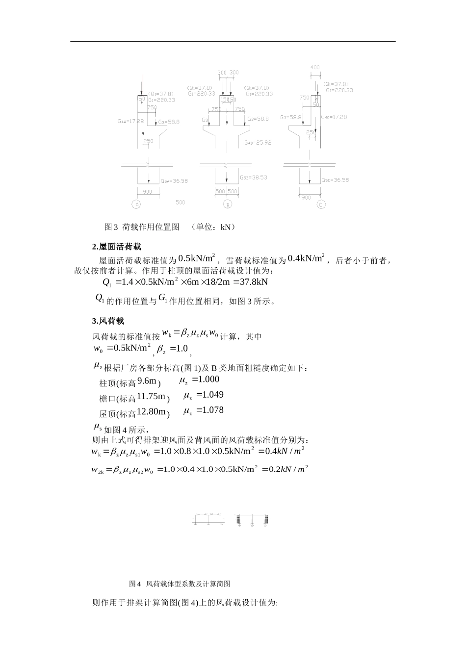
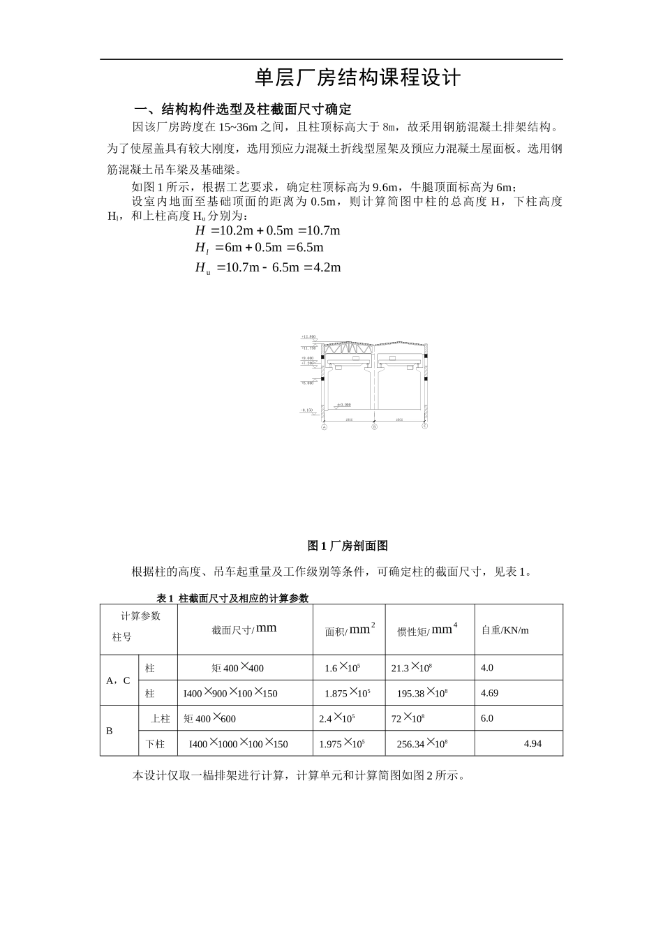
单层厂房结构课程设计一、结构构件选型及柱截面尺寸确定因该厂房跨度在15~36m之间,且柱顶标高大于8m,故采用钢筋混凝土排架结构。为了使屋盖具有较大刚度,选用预应力混凝土折线型屋架及预应力混凝土屋面板。选用钢筋混凝土吊车梁及基础梁。如图1所示,根据工艺要求,确定柱顶标高为9.6m,牛腿顶面标高为6m;设室内地面至基础顶面的距离为0.5m,则计算简图中柱的总高度H,下柱高度Hl,和上柱高度Hu分别为:图1厂房剖面图根据柱的高度、吊车起重量及工作级别等条件,可确定柱的截面尺寸,见表1。表1柱截面尺寸及相应的计算参数计算参数柱号截面尺寸/面积/惯性矩/自重/KN/mA,C柱矩4004001.610521.31084.0柱I4009001001501.875105195.381084.69B上柱矩4006002.4105721086.0下柱I40010001001501.975105256.341084.94本设计仅取一榀排架进行计算,计算单元和计算简图如图2所示。10.7m0.5mm2.10H6.5m0.5mm6lHm2.4.5m6m7.10uHBC+12.800-0.150+9.600+7.200±0.000+11.750+6.000mm2mm4mm图2计算单元和计算简图二、荷载计算1.恒载(1)屋盖恒载20厚水泥砂浆找平层280厚泡沫混凝土保温层预应力混凝土大型屋面板(包括灌缝)屋盖钢支撑总计屋架重力荷载为60.5kN/榀,则作用于柱顶的屋盖结构的重力荷载设计值为:(2)吊车梁及轨道重力荷载设计值:(3)柱自重重力荷载设计值A、C柱:上柱:下柱:B柱:上柱:下柱:各项恒载作用位置如图3所示。1BC1800180060060060060060060060060060060024365789121110EA=EA=1010036009001000B柱A柱2kN/m35.0二毡三油防水层绿豆砂浆保护层230.40kN/mm02.0kN/m20230.64kN/mm08.0kN/m82kN/m4.12kN/m05.02kN/m84.2.33kN22060.5/2kN)18/2m6mkN/m84.2(2.11G.8kN586m)0.8kN/mkN2.44(2.13G17.28kN3.6mkN/m0.42.14C4AGG36.58kN6.5mkN/m69.42.15C5AGG25.92kN3.6mkN/m0.62.14BG38.53kN6.5mkN/m94.42.15BG图3荷载作用位置图(单位:kN)2.屋面活荷载屋面活荷载标准值为,雪荷载标准值为,后者小于前者,故仅按前者计算。作用于柱顶的屋面活荷载设计值为:的作用位置与作用位置相同,如图3所示。3.风荷载风荷载的标准值按计算,其中,,根据厂房各部分标高(图1)及B类地面粗糙度确定如下:柱顶(标高)檐口(标高)屋顶(标高)如图4所示,则由上式可得排架迎风面及背风面的风荷载标准值分别为:图4风荷载体型系数及计算简图则作用于排架计算简图(图4)上的风荷载设计值为:20.5kN/m20.4kN/m.8kN3718/2m6mkN/m5.04.121Q1Q1G0szzkww20kN/m5.0w0.1zz9.6m000.1z11.75m049.1z12.80m078.1zs220s1zzk/4.00.5kN/m1.00.81.0mkNww220s2zz2k/2.00.5kN/m1.00.41.0mkNwwBC-0.6-0.5+0.8-0.4-0.4-0.4BCq1Fwq24.吊车荷载由表可得吊车的参数为:,,,,,,根据及可算得吊车梁支座反力影响线中各轮压对应点的竖向坐标值如图5所示。(1)吊车竖向荷载吊车竖向荷载设计值为:(2)吊车横向水平荷载作用于每一个轮子上的吊车横向水平制动力为:作用于排架柱上的吊车横向水平荷载设计值为:图5吊车荷载作用下支座反力影响线三、排架内力分析该厂房为两跨等高排架,可用剪力分配法进行排架内力分析。其中柱的剪力分配系数计算,见表2。表2柱剪力分配系数kN/m36.3m0.6kN/m4.04.121qkN/m68.1m0.6kN/m2.04.122qBhhFss0zzzs4s31z21Qw])()[(m05.1078.10.50.6-m15.2049.14.08.04.1m0.6kN/m5.00.12kN89.10t5/20m2.5B4.0mKkN6.68gkN200QkN174maxPkN5.37minPm2.5BKkN998.5510.3330.1330.81kN1744.1imaxQmaxyPDkN965.1180.3330.1330.81kN5.374.1iminQminyPDkN715.6)68.6kNkN200(1.041)(41gQaT21.30kN2.15kN715.64.1iQmaxyTT6m1200Fpmax0.80.1334000Fpmax0.3331.06m4000Fpmax=174KNFpmaxi柱别A、C柱B柱1、屋面恒载作用下的内力计算;;;由于图6...

1、当您付费下载文档后,您只拥有了使用权限,并不意味着购买了版权,文档只能用于自身使用,不得用于其他商业用途(如 [转卖]进行直接盈利或[编辑后售卖]进行间接盈利)。
2、本站所有内容均由合作方或网友上传,本站不对文档的完整性、权威性及其观点立场正确性做任何保证或承诺!文档内容仅供研究参考,付费前请自行鉴别。
3、如文档内容存在违规,或者侵犯商业秘密、侵犯著作权等,请点击“违规举报”。

碎片内容

单层厂房结构课程设计

确认删除?
VIP
微信客服
  • 扫码咨询
会员Q群
  • 会员专属群点击这里加入QQ群
客服邮箱
回到顶部