电脑桌面
添加小米粒文库到电脑桌面
安装后可以在桌面快捷访问

微机原理课程设计实现交通灯的仿真VIP免费

微机原理课程设计实现交通灯的仿真_第1页
1/15
微机原理课程设计实现交通灯的仿真_第2页
2/15
微机原理课程设计实现交通灯的仿真_第3页
3/15
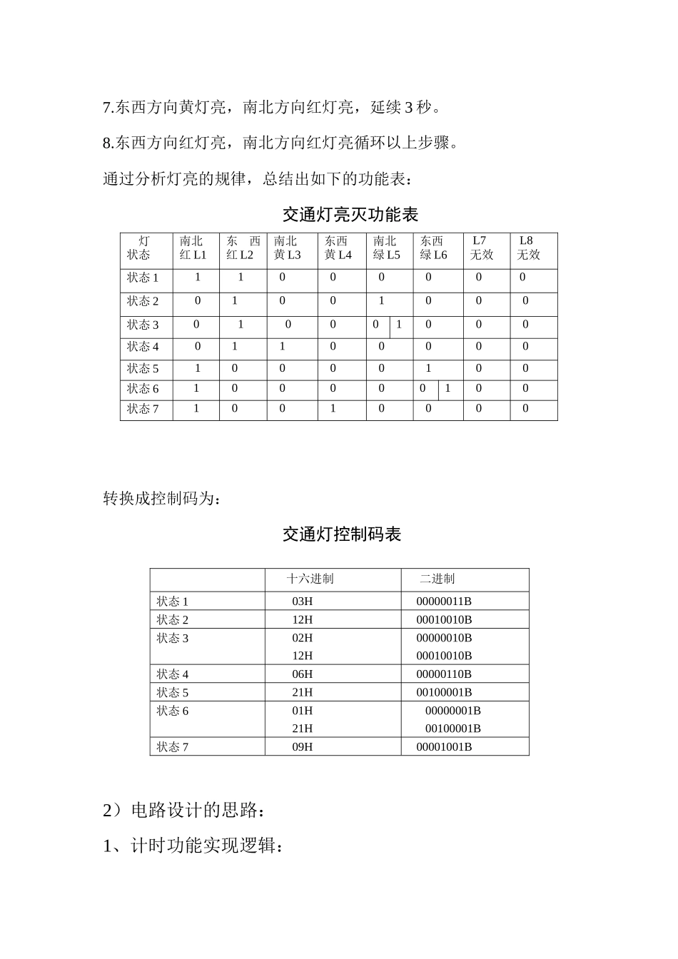
青岛大学理学与信息科学学院通信原理课程设计报告设计题目交通灯微机接口设计学生专业班级电子信息工程07级2班学生姓名(学号)林飞(20074345)指导教师孙洁老师完成时间实习(设计)地点信息楼机房微机原理课程设计报告一、设计题目数字控制系统在交通路灯管理中的应用二、设计内容设有一十字路口,1、3为南北方向,2、4为东西方向。每个路口均有红、黄、绿三个灯初始状态为四个路口的红灯亮,3秒之后,1、3路口的绿灯亮,2、4路口的红灯亮,1、3路口通车;延时45秒后,1、3路口绿灯闪烁3秒,后绿灯灭,黄灯亮,3秒后,1、3路口的红灯亮,而同时2、4路口的绿灯亮,2、4路口开始通车;延时40秒后,2、4路口绿灯闪烁3秒后绿灯灭,黄灯亮,3秒后,2、4路口的红灯亮,同时1、3路口的红灯亮(即四个路口的红灯亮),3秒之后,1、3路口的绿灯亮,2、4路口的红灯亮,重复上面的过程。三、设计思路与步骤1)设计内容分析:通过分析设计要求找出灯亮的规律:1.东西南北两个方向起始状态全为红,延续3秒。2.东西方向红灯亮,南北方向绿灯亮,延续45秒。3.东西方向红灯亮,南北方向绿灯以频率1HZ闪烁3秒。4.东西方向红灯亮,南北方向黄灯亮,延续3秒。5.东西方向绿灯亮,南北方向红灯亮,延续40秒。6.东西方向绿灯亮以频率1HZ闪烁3秒,南北方向红灯。7.东西方向黄灯亮,南北方向红灯亮,延续3秒。8.东西方向红灯亮,南北方向红灯亮循环以上步骤。通过分析灯亮的规律,总结出如下的功能表:交通灯亮灭功能表转换成控制码为:交通灯控制码表十六进制二进制状态103H00000011B状态212H00010010B状态302H12H00000010B00010010B状态406H00000110B状态521H00100001B状态601H21H00000001B00100001B状态709H00001001B2)电路设计的思路:1、计时功能实现逻辑:灯状态南北红L1东西红L2南北黄L3东西黄L4南北绿L5东西绿L6L7无效L8无效状态111000000状态201001000状态3010001000状态401100000状态510000100状态6100000100状态710010000通过8253计数器0和计数器1级联实现准确定时;用8255的A口低六位控制东西、南北路口交通灯的状态;灯的亮灭可直接由8086输出0,1控制。用8259A管理可屏蔽中断即开机初始化。采用两个计数器级联的方式,并且计数器0工作于方式3用于产生方波信号,计数器1工作方式0,计数到时高电平信号。计数器1的输出端OUT1接入8255芯片的PC0口,通过查询8255的C口的值,以完成计时功能。将计数器0的输出OUT0接到计数器1的输入端CLK1,而CLK0的输入采用1.19MHZ的时钟频率,计数器0计数初值为59499=0E86BH,则OUT0=20HZ,即计数器1的时钟频率为20HZ。当计数器1的记数初值为9时,0.5S后OUT1输出一高电平。8086通过读取8255C口的值,来决定对A口写入的数据。因此每隔0.5秒8086变换灯的状态,持续6次即完成3秒的闪烁功能。当计数器1的记数初值为899时,45S后OUT1输出一高电平。通过查询8255的C口PC0的状态改变,达到延时45秒的作用。同理计数器1的计数初值分别为59、799时,分别为3、40秒的延时。2、译码电路设计通过分析8259、8253、8255各端口地址,设计合理的地址译码电路。8259的地址为20H、21H,8253的地址为40H、41H、42H、43H,8255的端口地址为0F0H、0F1H、0F2H、0F3H。故芯片的地址只与8086的地址的低8位有联系,不妨设高十二为全为1将它们相与后作为38译码器的始能信号E3。再分析发现8259、8253、8255各端口地址的低八位其中D2、D3均为0,将8086的地址总线的D2、D3作为38译码器的始能信号E1、E2。将8086的地址总线的D0、D1分别与8253和8255的A0、A1连接,利用D4、D5、D6、D7构成译码电路。将8086的地址总线的D0与8259的A0连接,利用D2、D4、D5、D6、D7通过38译码器构成译码电路。具体见下图所示:3、总体硬件电路构成框图82593片8282地址译码电路82538286数据缓冲器8255交通灯80868284A口控制灯提供时钟信号计数器1的OUT1向8255的C口PC0写8086通过读8255C口的数来记时,相当于构成了反馈系统4、电路图:初始化8259、8253、8255且L1、L2亮等待8253延时3s时间是否到?否等待8253延时45s时间是否到?否等待8253延时3s时间是否到?否等待8253延时3s时间是否到?否L2、L5亮L2亮,L5闪烁L2、L3亮L1...

1、当您付费下载文档后,您只拥有了使用权限,并不意味着购买了版权,文档只能用于自身使用,不得用于其他商业用途(如 [转卖]进行直接盈利或[编辑后售卖]进行间接盈利)。
2、本站所有内容均由合作方或网友上传,本站不对文档的完整性、权威性及其观点立场正确性做任何保证或承诺!文档内容仅供研究参考,付费前请自行鉴别。
3、如文档内容存在违规,或者侵犯商业秘密、侵犯著作权等,请点击“违规举报”。

碎片内容

微机原理课程设计实现交通灯的仿真

确认删除?
VIP
微信客服
  • 扫码咨询
会员Q群
  • 会员专属群点击这里加入QQ群
客服邮箱
回到顶部