电脑桌面
添加小米粒文库到电脑桌面
安装后可以在桌面快捷访问

某大学城科技大道道路工程监理规划VIP免费

某大学城科技大道道路工程监理规划_第1页
1/55
某大学城科技大道道路工程监理规划_第2页
2/55
某大学城科技大道道路工程监理规划_第3页
3/55
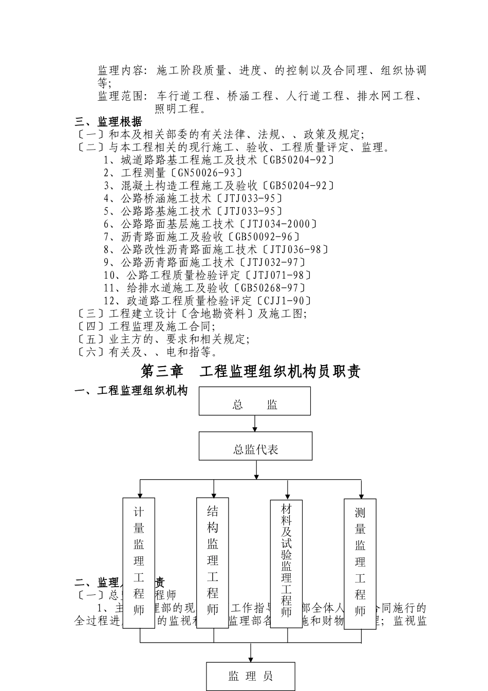
第一章工程工程概况一、工程名称:重庆大学城科技大道北线道路工程二、工程地点:重庆沙坪坝区虎溪镇三、建立:重庆沙坪坝区城乡建立开发四、工程:5000万以上〔以工程结算为准〕五、合同工:330天六、设计:中煤国际工程集团重庆设计研究院七、施工:重庆第四建筑工程、四川铁路建立八、工程简况:科技大道北线道路为重庆大学城东西走向的一条重要干道平行于科技大道南线道路西起“黄阴树附近下穿规划建立的重〞庆“二环高速公路向东经南北向〞54m宽的虎曾路、纵二路终点与科技大道连接线〔纵一路〕相交道路全长3833.36m。分为两个标段以虎曾路为界西段为一标段路幅宽度为32m道路长度为2221.459m在K1+340里程处有一4m×4m的钢筋砼箱涵无其他大型构造物共设公交停车港5对其中4对港湾式停车港1对画线式停车港。九、主要技术指标:道路等级:城主干道II级设计车速:城主干道50km/h设计荷载:城—A级平曲线最小半径:全线为一条直线竖曲线最小半径:8000m纵坡:主干道2.3最小纵坡:主干道0.5行车净空:H≥5.0m路面分幅:西段32m5+3+8+8+3=5东段47m4.5+4+1.5+12+3+12+1.5+4+4.5路面构造:采用SMA〔沥青玛蹄脂〕路面第二章工程监理目的、范围、内容及根据一、监理目的质量总目的:优质工程〔实际施工合同明确的质量目的〕工总目的:实现业主对工的要求〔实际合同明确的工目的〕总目的:实现业主审定的设计概算和施工内二、监理内容和范围监理内容:施工阶段质量、进度、的控制以及合同理、组织协调等;监理范围:车行道工程、桥涵工程、人行道工程、排水网工程、照明工程。三、监理根据〔一〕和本及相关部委的有关法律、法规、、政策及规定;〔二〕与本工程相关的现行施工、验收、工程质量评定、监理。1、城道路路基工程施工及技术〔GB50204-92〕2、工程测量〔GN50026-93〕3、混凝土构造工程施工及验收〔GB50204-92〕4、公路桥涵施工技术〔JTJ033-95〕5、公路路基施工技术〔JTJ033-95〕6、公路路面基层施工技术〔JTJ034-2000〕7、沥青路面施工及验收〔GB50092-96〕8、公路改性沥青路面施工技术〔JTJ036-98〕9、公路沥青路面施工技术〔JTJ032-97〕10、公路工程质量检验评定〔JTJ071-98〕11、给排水道施工及验收〔GB50268-97〕12、政道路工程质量检验评定〔CJJ1-90〕〔三〕工程建立设计〔含地勘资料〕及施工图;〔四〕工程监理及施工合同;〔五〕业主方的、要求和相关规定;〔六〕有关及、、电和指等。第三章工程监理组织机构员职责一、工程监理组织机构二、监理人员职责〔一〕总监理工程师1、主持监理部的现场全面工作指导监理部全体人员对合同施行的全过程进展全面的监视和理对监理部各种设施和财物进展理;监视监总监总监代表计量监理工程师结构监理工程师材料及试验监理工程师测量监理工程师监理员理部下属成员的行为。2、根据监理工作的需要向承包人签发有关指、并报业主备案;3、全面熟悉合同审查设计图纸对在合同执行过程生的问题及时采取解决措施并及时向业主;4、主持审查承包人的总体施工组织方案、方案和开工。审签?工程分项开工申请单?;监视承包人施工方案的施行对滞后于方案的工程催促承包人采取积极有效的措施或调整施工方案予以补救并及时上报业主;5、按合同严格控制施工质量审批原材料的试验结果及各种混合料配合比的试验;6、经常巡视工地及时处理影响质量、进度和平安的各种问题。7、组织审签?中间计量单?和支付报表并上报业主签发工程分项或工序的?中间交工证书?;8、审核承包人工地的机械设备员配置情况审查承包人的质量保证体系及自检人员;检查承包人的现场平安保护措施对存在隐患的施工或操作应承包人限整改;9、对承包人的延或费用索赔要求提出处理报业主;10、主持定或不定的工地会议研究并解决施工中的各种问题;11、主持并审批报送业主的各种报表、工作;12、审查承包人提交的工程开工验收资料主持编制监理工作总结;13、完成监理交办的其它工作。〔二〕、总监代表1、在驻地总监的指导下协助总监作好日常理工作;理好本合同段的监理工作;2、全面熟悉合同协助总监指导构造工程师、材料及试验工程师、测量工程师、计量工程师和现场监理员做好质量监理、进度监理...

1、当您付费下载文档后,您只拥有了使用权限,并不意味着购买了版权,文档只能用于自身使用,不得用于其他商业用途(如 [转卖]进行直接盈利或[编辑后售卖]进行间接盈利)。
2、本站所有内容均由合作方或网友上传,本站不对文档的完整性、权威性及其观点立场正确性做任何保证或承诺!文档内容仅供研究参考,付费前请自行鉴别。
3、如文档内容存在违规,或者侵犯商业秘密、侵犯著作权等,请点击“违规举报”。

碎片内容

某大学城科技大道道路工程监理规划

海纳百川+ 关注
实名认证
内容提供者

热爱教学事业,对互联网知识分享很感兴趣

确认删除?
VIP
微信客服
  • 扫码咨询
会员Q群
  • 会员专属群点击这里加入QQ群
客服邮箱
回到顶部