电脑桌面
添加小米粒文库到电脑桌面
安装后可以在桌面快捷访问

土木90爆破工程复习VIP免费

土木90爆破工程复习_第1页
1/8
土木90爆破工程复习_第2页
2/8
土木90爆破工程复习_第3页
3/8
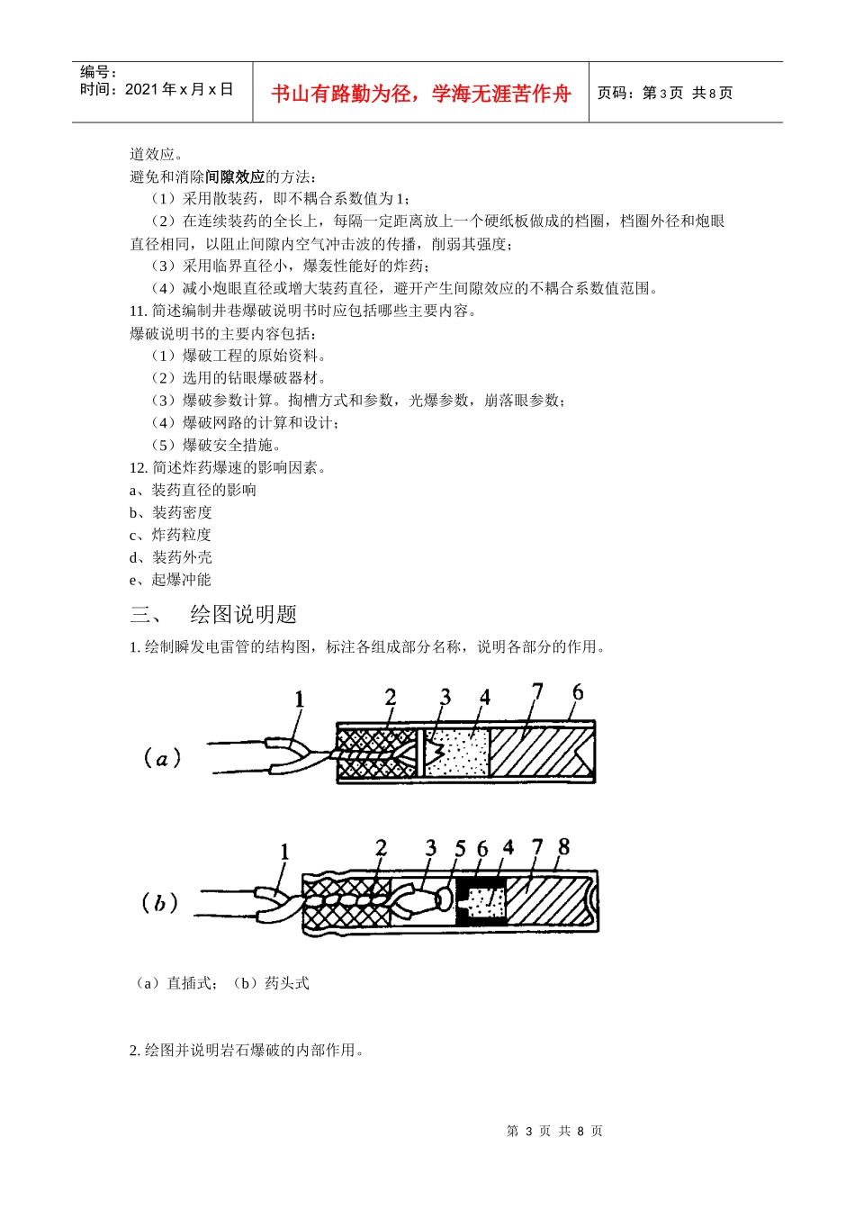
第1页共8页编号:时间:2021年x月x日书山有路勤为径,学海无涯苦作舟页码:第1页共8页土木90-4《爆破工程》复习题一、名词解释爆轰压力:爆轰波最前端的压力为冲击波压力P,炸药在P作用下开始进行化学反应,在化学反应结束时爆轰波的压力为Ph,称为爆轰压力。爆力:炸药爆炸对周围介质所作机械功的总和。猛度:炸药爆炸产生的冲击波和应力波作用的强度冲击波:在介质中以密度、压力、质点运动速度突然升高的形式向前传播的一种压缩波。微差爆破:利用毫秒量级间隔,实现按顺序起爆的方法称为毫秒爆破或微差爆破。岩石的波阻抗:指反映岩石抵抗(阻尼作用)应力波作用的能力。殉爆:某处炸药爆炸时,通过某种惰性介质中产生的冲击波,引起另一处炸药爆炸的现象。氧平衡:炸药内含氧量与可燃元素充分氧化所需氧量之间的关系称为氧平衡。爆轰波:在炸药中传播的,伴有高速化学反应的冲击波。装药密集系数:相邻两装药的间距a与最小抵抗线w的比值。二、简答题1.简述炸药的机械能起爆机理。机械作用下热点的形成:(1)炸药内空气间隙或微小气泡被绝热压缩,升温成热点;(2)炸药颗粒间或炸药与容器内壁摩擦局部升温形成热点;(3)炸药在高速冲击下的粘滞性流动产生的热量。热点的发展阶段:1)热点形成阶段;2)成长阶段,以热点为中心向四周扩展,形式为速燃;3)低速爆轰阶段;4)稳定高速爆轰阶段。2.简述炸药爆炸的基本特征。(一)反应的放热性1、炸药分子只有在一定能量下才活化分解;2、热能是炸药爆炸作功的能量来源。炸药内能Þ爆炸Þ热能Þ气体压缩能Þ膨胀Þ机械功(二)生成大量气体爆炸能量必须借助于气体产物才能转化为机械功。没有气体产物就不会形成爆炸。(三)反应的快速性短时间内释放大量能量才能具有强大威力3.简述水胶炸药的组分及其作用。由氧化剂水溶液、敏化剂、可燃剂、胶凝剂和交联剂以及一些特殊添加剂等组成。作用:1)提高炸药的密度和爆速;2)使炸药具有流变性,使爆炸性能具有稳定性;3)使炸药具有抗水性。粘弹性凝胶体有包覆作用,既能阻止外部水的渗入,又能防止硝酸铵等可溶性组分向水中扩散或被水沥滤。4)提高了炸药的安全性。4.简述导爆管起爆网路的组成和网路联接的基本类型。第2页共8页第1页共8页编号:时间:2021年x月x日书山有路勤为径,学海无涯苦作舟页码:第2页共8页结构高压聚乙烯空心管,外径约3.0mm,内经约1.5mm;内壁涂高能炸药(奥托金或黑索金与铝粉等的混合物)导爆管连通器具a、连接块b、多路分路器c、塑料套管5.简述巷道光面爆破的原理。(一)应力波叠加原理(二)爆生气体作用原理(三)应力波与爆炸气体共同作用原理6.简述利文斯顿爆破漏斗理论的实质。炸药在岩体内爆破时,传递给岩石爆破能量的多少和速度的快慢,取决于岩石性质、炸药性能、药包重量、炸药理置深度、位置和起爆方式等因素。炸药能量释放后,主要消耗在四个方面:(1)岩石的弹性变形;(2)岩石的破碎和破裂;(3)岩石的抛掷;(4)空气冲击波和对气体做功。7.简述导爆管起爆网络的组成、连接方法和激发起爆方法。8.简述煤矿许用炸药的类型和分级方法。1)添加惰性消焰剂的炸药2)被筒炸药3)当量炸药4)离子交换炸药5)许用含水炸药煤矿许用炸药的沼气安全性分为五级:一级煤矿许用炸药:100g发射臼炮检定合格,可用于低沼气矿井。二级煤矿许用炸药:150g发射臼炮检定合格,一般可用于高沼气矿井。三级煤矿许用炸药:试验法1,450g发射臼炮检定合格;试验法2,150g悬吊检定合格。可用于沼气与煤尘突出矿井。四级煤矿许用炸药:250g悬吊检定合格。五级煤矿许用炸药:450g悬吊检定合格。9.简述炸药爆炸的动作用和静作用,并说明它们通过那些性能参数表示。动作用:利用炸药爆炸产生冲击波或应力波形成的破坏作用;静作用:利用气体产物流体静压或膨胀功形成的破坏或抛掷。炸药爆炸作用的评价:爆力:评价膨胀做功能力,即静作用强度。猛度:评价瞬时冲击能力,即动作用强度。10.简述间隙效应及消除间隙效应的方法。对于混合炸药,特别是硝铵类混合炸药,在细长连续装药时,如果不耦合系数选取不当,就会发生爆轰中断,在炮眼内的装药会有一部分不爆炸,这种现...

1、当您付费下载文档后,您只拥有了使用权限,并不意味着购买了版权,文档只能用于自身使用,不得用于其他商业用途(如 [转卖]进行直接盈利或[编辑后售卖]进行间接盈利)。
2、本站所有内容均由合作方或网友上传,本站不对文档的完整性、权威性及其观点立场正确性做任何保证或承诺!文档内容仅供研究参考,付费前请自行鉴别。
3、如文档内容存在违规,或者侵犯商业秘密、侵犯著作权等,请点击“违规举报”。

碎片内容

土木90爆破工程复习

您可能关注的文档

确认删除?
VIP
微信客服
  • 扫码咨询
会员Q群
  • 会员专属群点击这里加入QQ群
客服邮箱
回到顶部