电脑桌面
添加小米粒文库到电脑桌面
安装后可以在桌面快捷访问

建筑物沉降观测记录(30页)VIP免费

建筑物沉降观测记录(30页)_第1页
1/30
建筑物沉降观测记录(30页)_第2页
2/30
建筑物沉降观测记录(30页)_第3页
3/30
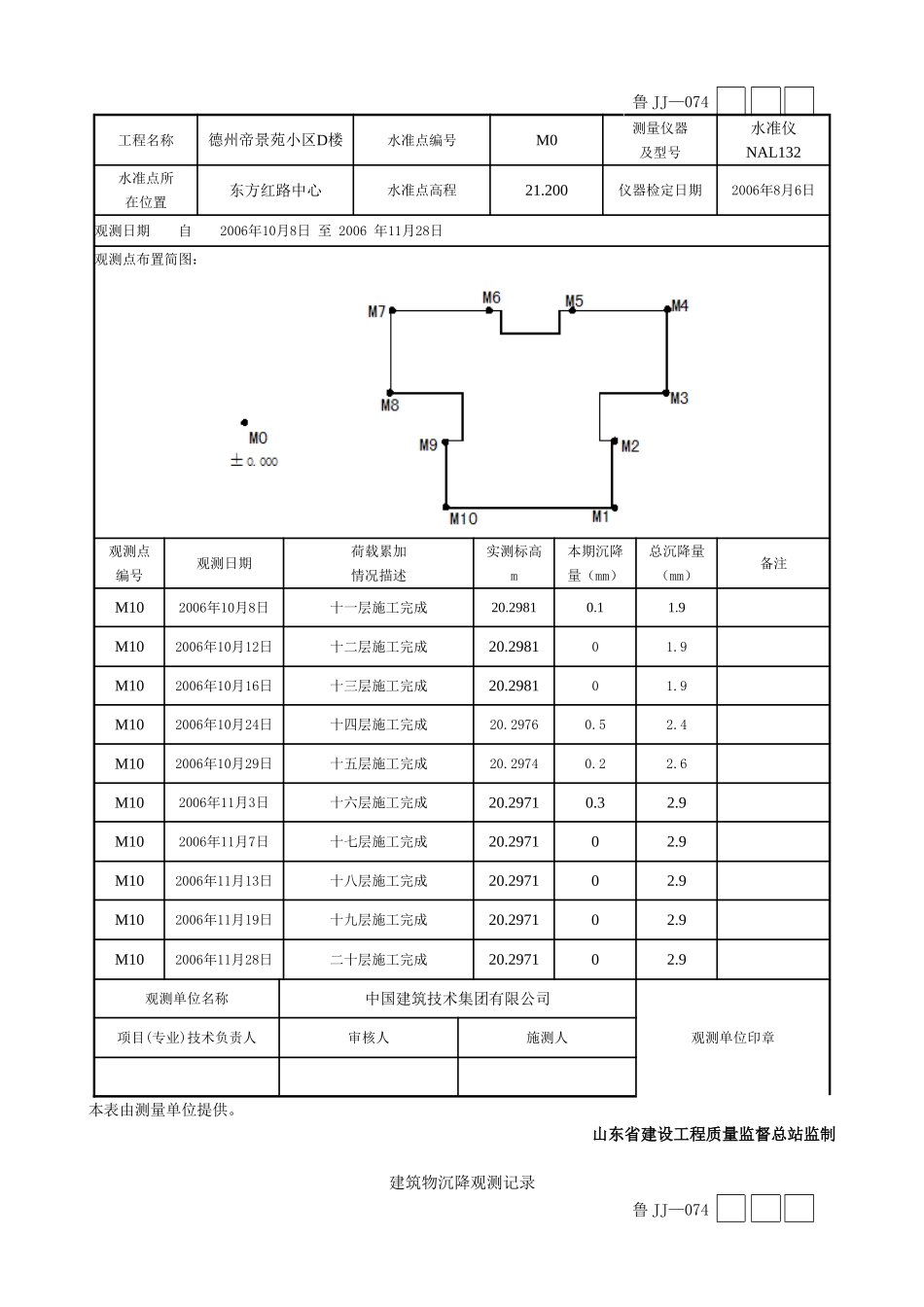
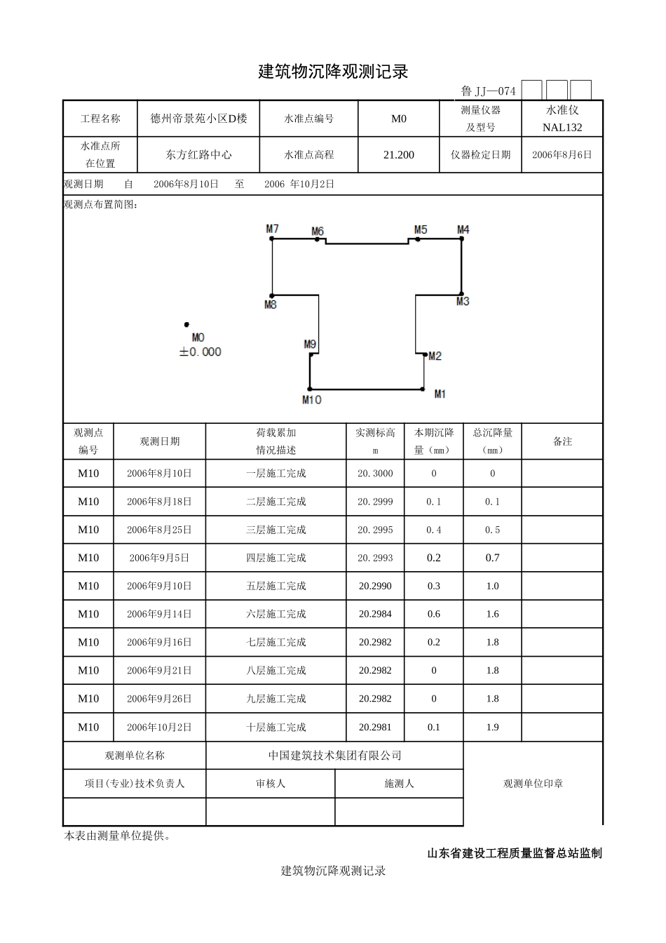
建筑物沉降观测记录鲁JJ—074工程名称德州帝景苑小区D楼水准点编号M0测量仪器及型号水准仪NAL132水准点所在位置东方红路中心水准点高程21.200仪器检定日期2006年8月6日观测日期自2006年8月10日至2006年10月2日观测点布置简图:观测点编号观测日期荷载累加情况描述实测标高m本期沉降量(mm)总沉降量(mm)备注M102006年8月10日一层施工完成20.300000M102006年8月18日二层施工完成20.29990.10.1M102006年8月25日三层施工完成20.29950.40.5M102006年9月5日四层施工完成20.29930.20.7M102006年9月10日五层施工完成20.29900.31.0M102006年9月14日六层施工完成20.29840.61.6M102006年9月16日七层施工完成20.29820.21.8M102006年9月21日八层施工完成20.298201.8M102006年9月26日九层施工完成20.298201.8M102006年10月2日十层施工完成20.29810.11.9观测单位名称中国建筑技术集团有限公司观测单位印章项目(专业)技术负责人审核人施测人本表由测量单位提供。山东省建设工程质量监督总站监制建筑物沉降观测记录鲁JJ—074工程名称德州帝景苑小区D楼水准点编号M0测量仪器及型号水准仪NAL132水准点所在位置东方红路中心水准点高程21.200仪器检定日期2006年8月6日观测日期自2006年10月8日至2006年11月28日观测点布置简图:观测点编号观测日期荷载累加情况描述实测标高m本期沉降量(mm)总沉降量(mm)备注M102006年10月8日十一层施工完成20.29810.11.9M102006年10月12日十二层施工完成20.298101.9M102006年10月16日十三层施工完成20.298101.9M102006年10月24日十四层施工完成20.29760.52.4M102006年10月29日十五层施工完成20.29740.22.6M102006年11月3日十六层施工完成20.29710.32.9M102006年11月7日十七层施工完成20.297102.9M102006年11月13日十八层施工完成20.297102.9M102006年11月19日十九层施工完成20.297102.9M102006年11月28日二十层施工完成20.297102.9观测单位名称中国建筑技术集团有限公司观测单位印章项目(专业)技术负责人审核人施测人本表由测量单位提供。山东省建设工程质量监督总站监制建筑物沉降观测记录鲁JJ—074工程名称德州帝景苑小区D楼水准点编号M0测量仪器及型号水准仪NAL132水准点所在位置东方红路中心水准点高程21.200仪器检定日期2006年8月6日观测日期自2006年12月8日至2007年1月5日观测点布置简图:观测点编号观测日期荷载累加情况描述实测标高m本期沉降量(mm)总沉降量(mm)备注M102006年12月8日二十一层施工完成20.297102.9M102006年12月15日二十二层施工完成20.297102.9M102006年12月22日二十三层施工完成20.297102.9M102006年12月30日二十四层施工完成20.297102.9M102007年1月5日二十五层施工完成20.297102.9观测单位名称中国建筑技术集团有限公司观测单位印章项目(专业)技术负责人审核人施测人本表由测量单位提供。山东省建设工程质量监督总站监制建筑物沉降观测记录鲁JJ—074工程名称德州帝景苑小区D楼水准点编号M0测量仪器水准仪及型号NAL132水准点所在位置东方红路中心水准点高程21.200仪器检定日期2006年8月6日观测日期自2006年8月10日至2006年10月2日观测点布置简图:观测点编号观测日期荷载累加情况描述实测标高m本期沉降量(mm)总沉降量(mm)备注M92006年8月10日一层施工完成20.300000M92006年8月18日二层施工完成20.300000M92006年8月25日三层施工完成20.29980.20.2M92006年9月5日四层施工完成20.29950.30.5M92006年9月10日五层施工完成20.299500.5M92006年9月14日六层施工完成20.29930.20.7M92006年9月16日七层施工完成20.29920.10.8M92006年9月21日八层施工完成20.299200.8M92006年9月26日九层施工完成20.29880.41.2M92006年10月2日十层施工完成20.298801.2观测单位名称中国建筑技术集团有限公司观测单位印章项目(专业)技术负责人审核人施测人本表由测量单位提供。山东省建设工程质量监督总站监制建筑物沉降观测记录鲁JJ—074工程名称德州帝景苑小区D楼水准点编号M0测量仪器及型号水准仪NAL132水准点所在位置东方红路中心水准点高程21.200仪器检定日期2006年8月6日观测日期自2006年10月8日至2006年11月28日观测点布置简图:观测点编号观测日期荷载...

1、当您付费下载文档后,您只拥有了使用权限,并不意味着购买了版权,文档只能用于自身使用,不得用于其他商业用途(如 [转卖]进行直接盈利或[编辑后售卖]进行间接盈利)。
2、本站所有内容均由合作方或网友上传,本站不对文档的完整性、权威性及其观点立场正确性做任何保证或承诺!文档内容仅供研究参考,付费前请自行鉴别。
3、如文档内容存在违规,或者侵犯商业秘密、侵犯著作权等,请点击“违规举报”。

碎片内容

建筑物沉降观测记录(30页)

您可能关注的文档

确认删除?
VIP
微信客服
  • 扫码咨询
会员Q群
  • 会员专属群点击这里加入QQ群
客服邮箱
回到顶部