电脑桌面
添加小米粒文库到电脑桌面
安装后可以在桌面快捷访问

塑料线槽配线工艺标准(5页)VIP免费

塑料线槽配线工艺标准(5页)_第1页
1/5
塑料线槽配线工艺标准(5页)_第2页
2/5
塑料线槽配线工艺标准(5页)_第3页
3/5
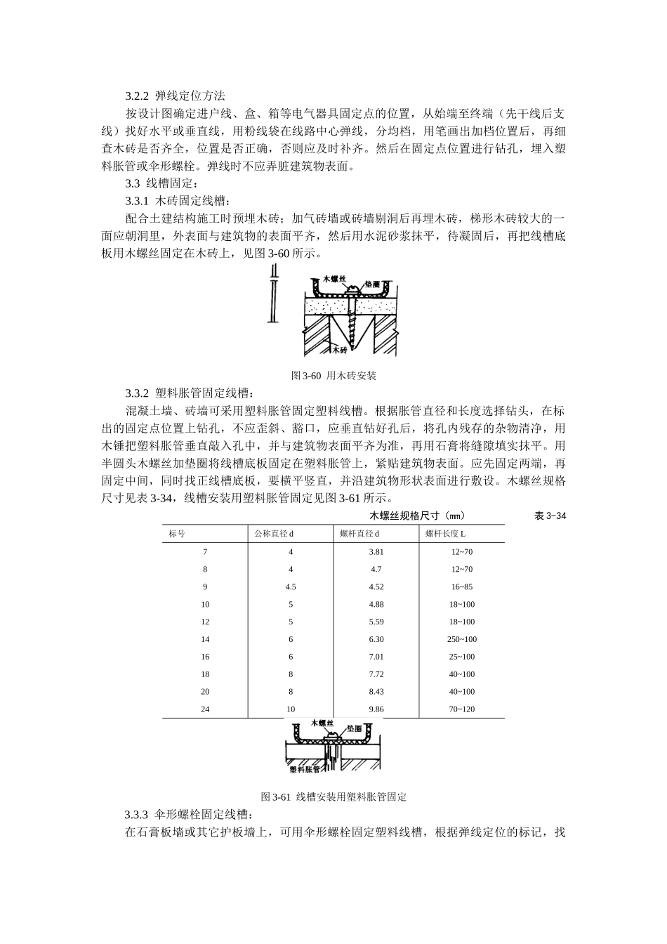
塑料线槽配线工艺标准1范围本工艺标准适用于干燥室内的电气照明明配线工程。2施工准备2.1材料要求:2.1.1塑料线槽:由槽底、槽盖及附件组成,它是由难燃型硬聚氯乙烯工程塑料挤压成型,严禁使用非难燃型材料加工。选用塑料线槽时,应根据设计要求选择型号、规格相应的定型产品。其敷设场所的环境温度不得低于-15℃,其氧指数不应低于27%。以上线槽内外应光滑无棱刺,不应有扭曲、翘边等变形现象。并有产品合格证。2.1.2绝缘导线:导线的型号、规格必须符合设计要求,线槽内敷设导线的线芯最小允许截面:铜导线为1.0mm2;铝导线为2.5mm2。2.1.3螺旋接线钮:应根据导线截面和导线根数,选择相应型号的加强型绝缘钢壳螺旋接线钮。2.1.4LC安全型压线帽请见3—8、2.1.5有关内容。2.1.5套管:套管有铜套管、铝套管及铜过渡套管三种,选用时应采用与导线规格相应的同材质套管。2.1.6接线端子(接线鼻子):选用时应根据导线的根数和总截面,选用相应规格的接线端子。2.1.7木砖:用木材制成梯形,使用时应做防腐处理。2.1.8塑料胀管:选用时,其规格应与被紧固的电气器具荷重相对应,并选择相同型号的圆头机螺丝与垫圈配合使用。2.1.9镀锌材料:选择金属材料时,应选用经过镀锌处理的圆钢、扁钢、角钢、螺丝、螺栓、螺母、垫圈、弹簧垫圈等。非镀锌金属材料需进行除锈和防腐处理。2.1.10辅助材料:钻头、焊锡、焊剂、电焊条、氧气、乙炔气、调合漆、防锈漆、橡胶绝缘带或粘塑料绝缘带、黑胶布、石膏等。2.2主要机具:2.2.1铅笔、卷尺、线坠、粉线袋、电工常用工具、活板子、手锤、錾子。2.2.2钢锯、钢锯条、喷灯、锡锅、锡勺、焊锡、焊剂。2.2.3手电钻、电锤、万用表、兆欧表、工具袋、工具箱、高凳等。2.3作业条件:2.3.1配合土建结构施工预埋保护管、木砖及预留孔洞。2.3.2屋顶、墙面及地面、油漆、浆活全部完成。3操作工艺3.1工艺流程:3.2弹线定位:3.2.1弹线定位应符合以下规定:3.2.1.1线槽配线在穿过楼板或墙壁时,应用保护管,而且穿楼板处必须用钢管保护,其保护高度距地面不应低于1.8m;装设开关的地方可引至开关的位置。3.2.1.2过变形缝时应做补偿处理。3.2.2弹线定位方法按设计图确定进户线、盒、箱等电气器具固定点的位置,从始端至终端(先干线后支线)找好水平或垂直线,用粉线袋在线路中心弹线,分均档,用笔画出加档位置后,再细查木砖是否齐全,位置是否正确,否则应及时补齐。然后在固定点位置进行钻孔,埋入塑料胀管或伞形螺栓。弹线时不应弄脏建筑物表面。3.3线槽固定:3.3.1木砖固定线槽:配合土建结构施工时预埋木砖;加气砖墙或砖墙剔洞后再埋木砖,梯形木砖较大的一面应朝洞里,外表面与建筑物的表面平齐,然后用水泥砂浆抹平,待凝固后,再把线槽底板用木螺丝固定在木砖上,见图3-60所示。图3-60用木砖安装3.3.2塑料胀管固定线槽:混凝土墙、砖墙可采用塑料胀管固定塑料线槽。根据胀管直径和长度选择钻头,在标出的固定点位置上钻孔,不应歪斜、豁口,应垂直钻好孔后,将孔内残存的杂物清净,用木锤把塑料胀管垂直敲入孔中,并与建筑物表面平齐为准,再用石膏将缝隙填实抹平。用半圆头木螺丝加垫圈将线槽底板固定在塑料胀管上,紧贴建筑物表面。应先固定两端,再固定中间,同时找正线槽底板,要横平竖直,并沿建筑物形状表面进行敷设。木螺丝规格尺寸见表3-34,线槽安装用塑料胀管固定见图3-61所示。木螺丝规格尺寸(mm)表3-34标号公称直径d螺杆直径d螺杆长度L78910121416182024444.5556688103.814.74.524.885.596.307.017.728.439.8612~7012~7016~8518~10018~100250~10025~10040~10040~10070~120图3-61线槽安装用塑料胀管固定3.3.3伞形螺栓固定线槽:在石膏板墙或其它护板墙上,可用伞形螺栓固定塑料线槽,根据弹线定位的标记,找出固定点位置,把线槽的底板横平竖直地紧贴建筑物的表面,钻好孔后将伞形螺栓的两伞叶掐紧合拢插入孔中,待合拢伞叶自行张开后,再用螺母紧固即可,露出线槽内的部分应加套塑料管。固定线槽时,应先固定两端再固定中间。伞型螺栓安装做法,见图3-62和伞型螺栓构造见图3-63所示。图3-62伞型螺栓安装做法图3-63伞型螺栓构造3.4线槽...

1、当您付费下载文档后,您只拥有了使用权限,并不意味着购买了版权,文档只能用于自身使用,不得用于其他商业用途(如 [转卖]进行直接盈利或[编辑后售卖]进行间接盈利)。
2、本站所有内容均由合作方或网友上传,本站不对文档的完整性、权威性及其观点立场正确性做任何保证或承诺!文档内容仅供研究参考,付费前请自行鉴别。
3、如文档内容存在违规,或者侵犯商业秘密、侵犯著作权等,请点击“违规举报”。

碎片内容

塑料线槽配线工艺标准(5页)

确认删除?
VIP
微信客服
  • 扫码咨询
会员Q群
  • 会员专属群点击这里加入QQ群
客服邮箱
回到顶部