电脑桌面
添加小米粒文库到电脑桌面
安装后可以在桌面快捷访问

基础施工记录斜插角钢VIP免费

基础施工记录斜插角钢_第1页
1/116
基础施工记录斜插角钢_第2页
2/116
基础施工记录斜插角钢_第3页
3/116
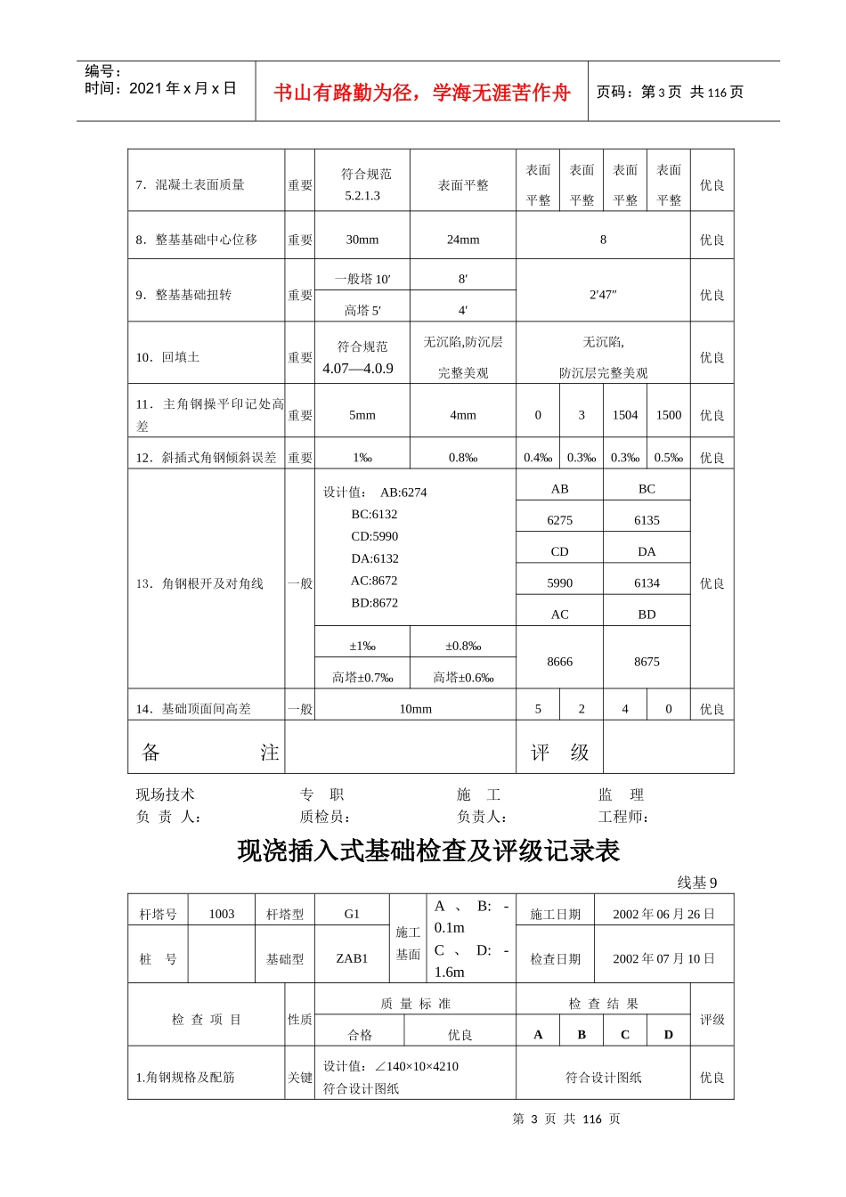
第1页共116页编号:时间:2021年x月x日书山有路勤为径,学海无涯苦作舟页码:第1页共116页现浇插入式基础检查及评级记录表线基9杆塔号1001杆塔型G1施工基面A、D:-1.5mB、C:-0m施工日期2002年07月15日桩号基础型ZAB1检查日期2002年07月23日检查项目性质质量标准检查结果评级合格优良ABCD1.角钢规格及配筋关键设计值:∠140×10×4210符合设计图纸符合设计图纸优良2.混凝土强度关键设计标号:C20试块编号:20020727砼强度:29.7Mpa优良≥设计值3.底板断面尺寸关键设计值:2400×2400mm2410×24152420×24102405×24102415×2410优良-1%-0.8%4.基础埋深重要设计值:3200mm3230323032203220优良+100mm,-50mm+80mm,0mm5.立柱断面尺寸重要设计值:600×600mm596×603598×602597×600598×602优良-1%-0.8%6.钢筋保护层厚度重要设计值:50mm49495150优良-5mm7.混凝土表面质量重要符合规范5.2.1.3表面平整表面平整表面平整表面平整表面平整优良8.整基基础中心位移重要30mm24mm8优良9.整基基础扭转重要一般塔10′8′3′10″优良高塔5′4′10.回填土重要符合规范4.07—4.0.9无沉陷,防沉层完整美观无沉陷,防沉层完整美观优良11.主角钢操平印记处高差重要5mm4mm0150315024优良12.斜插式角钢倾斜误差重要1‰0.8‰0.1‰0.3‰0.4‰0.3‰优良13.角钢根开及对角线一般设计值:AB:6698ABBC优良第2页共116页第1页共116页编号:时间:2021年x月x日书山有路勤为径,学海无涯苦作舟页码:第2页共116页BC:6556CD:6698DA:6840AC:9473BD:947366936554CDDA66986841ACBD±1‰±0.8‰94759466高塔±0.7‰高塔±0.6‰14.基础顶面间高差一般10mm0150415061优良备注评级现场技术专职施工监理负责人:质检员:负责人:工程师:现浇插入式基础检查及评级记录表线基9杆塔号1002杆塔型G1施工基面A、B:-2.7mC、D:-1.2m施工日期2002年06月29日桩号基础型ZAB1检查日期2002年07月10日检查项目性质质量标准检查结果评级合格优良ABCD1.角钢规格及配筋关键设计值:∠140×10×4210符合设计图纸符合设计图纸优良2.混凝土强度关键设计标号:C20试块编号:20020727砼强度:29.7Mpa优良≥设计值3.底板断面尺寸关键设计值:2400×2400mm2410×24052420×20052415×24052420×2410优良-1%-0.8%4.基础埋深重要设计值:3200mm3220321032103220优良+100mm,-50mm+80mm,0mm5.立柱断面尺寸重要设计值:600×600mm596×600598×604599×602598×605优良-1%-0.8%6.钢筋保护层厚度重要设计值:50mm50495049优良-5mm第3页共116页第2页共116页编号:时间:2021年x月x日书山有路勤为径,学海无涯苦作舟页码:第3页共116页7.混凝土表面质量重要符合规范5.2.1.3表面平整表面平整表面平整表面平整表面平整优良8.整基基础中心位移重要30mm24mm8优良9.整基基础扭转重要一般塔10′8′2′47″优良高塔5′4′10.回填土重要符合规范4.07—4.0.9无沉陷,防沉层完整美观无沉陷,防沉层完整美观优良11.主角钢操平印记处高差重要5mm4mm0315041500优良12.斜插式角钢倾斜误差重要1‰0.8‰0.4‰0.3‰0.3‰0.5‰优良13.角钢根开及对角线一般设计值:AB:6274BC:6132CD:5990DA:6132AC:8672BD:8672ABBC优良62756135CDDA59906134ACBD±1‰±0.8‰86668675高塔±0.7‰高塔±0.6‰14.基础顶面间高差一般10mm5240优良备注评级现场技术专职施工监理负责人:质检员:负责人:工程师:现浇插入式基础检查及评级记录表线基9杆塔号1003杆塔型G1施工基面A、B:-0.1mC、D:-1.6m施工日期2002年06月26日桩号基础型ZAB1检查日期2002年07月10日检查项目性质质量标准检查结果评级合格优良ABCD1.角钢规格及配筋关键设计值:∠140×10×4210符合设计图纸符合设计图纸优良第4页共116页第3页共116页编号:时间:2021年x月x日书山有路勤为径,学海无涯苦作舟页码:第4页共116页2.混凝土强度关键设计标号:C20试块编号:20020727砼强度:29.7Mpa优良≥设计值3.底板断面尺寸关键设计值:2400×2400mm2420×24102415×24052420×24102415×2415优良-1%-0.8%4.基础埋深重要设计值:3200mm3240324032303240优良+100mm,-50mm+80mm,0mm5.立柱断面尺寸重要设计值...

1、当您付费下载文档后,您只拥有了使用权限,并不意味着购买了版权,文档只能用于自身使用,不得用于其他商业用途(如 [转卖]进行直接盈利或[编辑后售卖]进行间接盈利)。
2、本站所有内容均由合作方或网友上传,本站不对文档的完整性、权威性及其观点立场正确性做任何保证或承诺!文档内容仅供研究参考,付费前请自行鉴别。
3、如文档内容存在违规,或者侵犯商业秘密、侵犯著作权等,请点击“违规举报”。

碎片内容

基础施工记录斜插角钢

您可能关注的文档

确认删除?
VIP
微信客服
  • 扫码咨询
会员Q群
  • 会员专属群点击这里加入QQ群
客服邮箱
回到顶部