电脑桌面
添加小米粒文库到电脑桌面
安装后可以在桌面快捷访问

某小区二期工程监理规划VIP免费

某小区二期工程监理规划_第1页
1/25
某小区二期工程监理规划_第2页
2/25
某小区二期工程监理规划_第3页
3/25
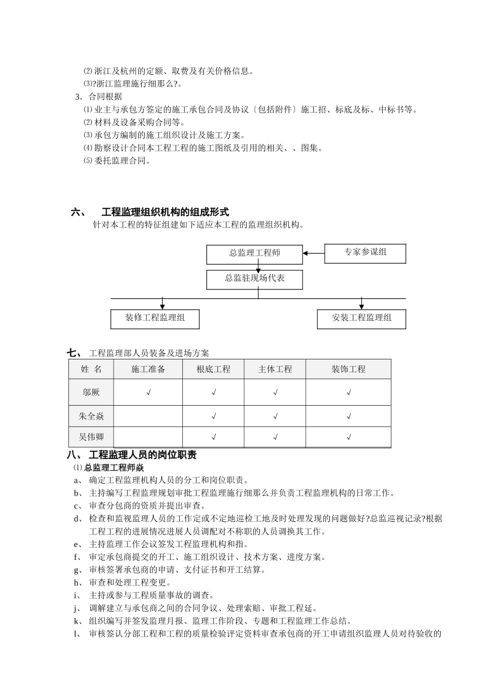
监监理理规规划划一、工程概况1、工程名称:之江文化创意园B区二工程2、工程地点:转塘镇双流33、建筑面积:总面积6726m24、构造类型:框架5、工程:888.1121万人民币6施工:浙江广阔建立7、方案工:170日历天8、质量目的:确保合格二、监理范围1.工程范围:图纸范围内的土建与安装工程2.工作范围:施工阶段的全过程监理包括:质量、进度、控制信息和合同理协调相关的工作关系施工平安监视。三、监理工作内容(一)施工准备阶段1.审查承包商选择的分包商的资质。2.监视检查承包商质量保证体系及平安技术措施完善质量理程序与制度。3.熟悉施工图纸参加设计方向承包商的技术交底和图纸会审审核承包商整理的图纸会审纪要。4.审查承包商上报的施工组织设计重点对施工方案、劳动力、材料、机械设备的组织及保证工程质量、平安、工和控制造价等方面的措施进展审查并向业主方提出监理。5.开工前催促承包商对业主方给定的原始基准点、基准线和标高等测量控制点进展复核并将复核结果报监理工程师审查。6.对重点部位的轴线、程度控制进展复查。7.催促落实各项施工条件审批开工并报业主方备查。(二)施工阶段1.质量控制⑴所有隐蔽工程在进展隐蔽前进展检查和签证并及时检查、签署分项、分部和工程质量评定表。⑵对施工测量、放样等进展检查对发现的质量问题应及时承包商纠正并做好监理记录。⑶检查确认运到现场的工程材料、构件和设备质量并应查验试验、试验单、出厂合格证是否齐全、合格制止不符合质量要求的材料、设备进入工地和投入使用。⑷监视承包商严格按施工、设计图纸要求进展施工严格执行施工合同。⑸对工程主要部位、主要环节及技术复杂的工程加强检查。⑹检查承包商的工程自检工作数据是否齐全填写是否正确并对承包商质量评定自检工作作出综合评价。⑺对承包商的检验测试仪器、设备、度量衡定检验不定地进展抽验保证度量资料的准确。〔8〕催促承包商认真处理施工生的一般质量事故并认真做好监理记录。(9)杜绝重大质量事故遇紧急情况应在规定时间内及时业主方。2.进度控制⑴监视承包商严格按施工合同规定的工组织施工。⑵审查承包商提出的保证进度的措施如发生延误应及时分析原因采取对策。⑶建立工程进度台帐核对工程形象进度按月、季向业主方施工方案执行情况、工程进度及存在的问题。⑷提醒业主方按施工合同规定及时提供符合合同要求的施工场地相关资料和甲供材料减少变更防止工索赔。3.控制⑴审查承包商申报的月、季度计量报表认真核对其工程数量不超过、不漏计严格按合同规定进展计量支付签证。⑵保证支付签证的各项工程质量合格、数量准确。⑶建立计量支付签证台帐定与承包商核对。⑷按业主方受权和施工合同的规定审核变更设计预防和减少变更引起的费用索赔。4.平安文明施工控制⑴审查施工总体布和平安专项方案。⑵检查与催促承包商按平安文明标化施工理的要求组织施工。⑶催促承包商落实平安保障体系的建立。(三)施工验收阶段1.催促、检查承包商及时整理开工和验收资料受理工程开工验收提出监理。2.根据承包商的开工组织工程预验收提出工程质量评估。3.参加业主方组织的开工验收。(四)合同与信息理1.拟定本建立工程合同体系及合同理制度合同理流程:合同草案拟订→会签→协商→修改→审批→签署→保。2.协助业主方拟定工程的各类合同条款并参与各类合同的商谈。3.合同执行情况的分析和跟踪理。4.协助业主方处理与工程有关的合同争议事宜和索赔事宜。5.搜集工程各类数据分门别类进展归类、分析、整理成信息并反应给相关部门和人员。6.搜集各类、资料进展整理、归档。四、监理工作目的:1.质量目的:确保合格2.进度目的:110日历天。3.目的:力争总造价不超概算。五、监理工作根据1.法律法规根据⑴?建筑法?、?合同法?、?建立工程质量理?、?建筑工程招法?。⑵〔部〕、、有关工程建立的政策、法律〔规〕、、规定、等。2.技术根据⑴?建立工程监理〔GB50319-2000〕?、?建筑工程施工验收统一?及专业施工质量验收。⑵浙江及杭州的定额、取费及有关价格信息。⑶?浙江监理施行细那么?。3.合同根据⑴业主与承包方签定的施工承包合同及协议〔包括附件〕...

1、当您付费下载文档后,您只拥有了使用权限,并不意味着购买了版权,文档只能用于自身使用,不得用于其他商业用途(如 [转卖]进行直接盈利或[编辑后售卖]进行间接盈利)。
2、本站所有内容均由合作方或网友上传,本站不对文档的完整性、权威性及其观点立场正确性做任何保证或承诺!文档内容仅供研究参考,付费前请自行鉴别。
3、如文档内容存在违规,或者侵犯商业秘密、侵犯著作权等,请点击“违规举报”。

碎片内容

某小区二期工程监理规划

您可能关注的文档

确认删除?
VIP
微信客服
  • 扫码咨询
会员Q群
  • 会员专属群点击这里加入QQ群
客服邮箱
回到顶部