电脑桌面
添加小米粒文库到电脑桌面
安装后可以在桌面快捷访问

山西漳泽电力股份有限公司技术监督管理制度VIP免费

山西漳泽电力股份有限公司技术监督管理制度_第1页
1/11
山西漳泽电力股份有限公司技术监督管理制度_第2页
2/11
山西漳泽电力股份有限公司技术监督管理制度_第3页
3/11
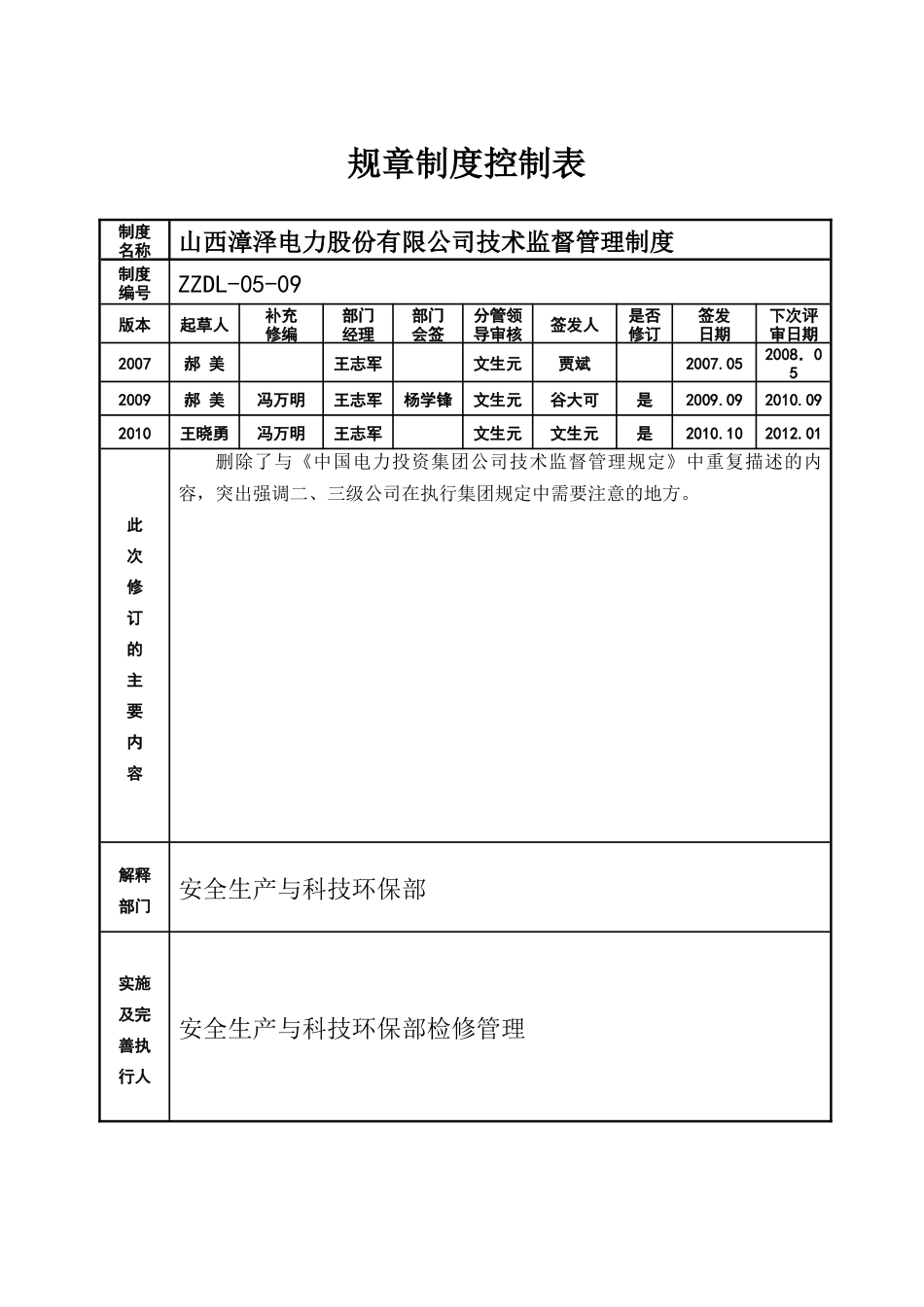
规章制度控制表制度名称山西漳泽电力股份有限公司技术监督管理制度制度编号ZZDL-05-09版本起草人补充修编部门经理部门会签分管领导审核签发人是否修订签发日期下次评审日期2007郝美王志军文生元贾斌2007.052008.052009郝美冯万明王志军杨学锋文生元谷大可是2009.092010.092010王晓勇冯万明王志军文生元文生元是2010.102012.01此次修订的主要内容删除了与《中国电力投资集团公司技术监督管理规定》中重复描述的内容,突出强调二、三级公司在执行集团规定中需要注意的地方。解释部门安全生产与科技环保部实施及完善执行人安全生产与科技环保部检修管理第1页共11页编号:时间:2021年x月x日书山有路勤为径,学海无涯苦作舟页码:第1页共11页山西漳泽电力股份有限公司技术监督管理制度1目的落实技术监督责任制,对电力生产实施全过程、全方位技术监督管理,保证发电设备安全、稳定、经济运行。2适用范围适用于公司所属单位、代管单位。3职责3.1公司技术监督工作领导小组公司成立技术监督工作领导小组,由主管生产的副总经理(总工程师)任组长,成员为相关部门负责人,对技术监督工作实施领导。其职责是:3.1.1贯彻执行国家有关电力技术监督的政策、法规及行业有关规程、标准、制度、技术措施等。3.1.2审定公司有关技术监督的规程、制度、技术措施。3.1.3研究决定公司技术监督工作重大事项。3.2公司安全生产与科技环保部3.2.1制定公司技术监督管理制度和实施细则。3.2.2负责年度技术监督计划的审查、执行情况的检查,负责对30万元及以上的技术监督项目进行审批。3.2.3组织召开技术监督工作会议,总结、部署技术监督工作、经验交流和推广先进的检测技术。第2页共11页第1页共11页编号:时间:2021年x月x日书山有路勤为径,学海无涯苦作舟页码:第2页共11页3.2.4对各发电公司存在问题的整改情况进行检查和督促,对于特别重大的问题,组织有关专业技术人员进行专项分析研究,制定解决方案。3.2.5协调、指导所属各发电公司和技术监督服务单位的技术监督合同的签订,对合同执行情况进行检查和考核。3.2.6负责界定发电公司、检修受托单位技术监督管理工作界面。3.2.7负责与地方、行业有关部门技术监督的协调工作。3.2.8依据“技术监督异常情况告警规定”要求,对技术监督管理存在问题的所属单位发出“技术监督告警通知”。3.3公司基建工程部3.3.1制定公司基建工程技术监督年度计划,布置年度技术监督工作。3.3.2负责在基建工程中落实有关技术监督的规程、标准、制度、技术措施。3.3.3对基建工程中的技术监督工作进行检查、监督和指导。3.3.4依据“技术监督异常情况告警规定”要求,对基建工程技术监督管理存在问题的项目单位发出“技术监督告警通知”。3.4技术监督委托管理服务单位技术监督委托管理服务单位,受公司委托对公司技术监督工作实施全方位、全过程、闭环的技术监督管理和服务。具体管理内容、服务项目、要求、程序等在委托框架协议、技术监督合同中明确规定。第3页共11页第2页共11页编号:时间:2021年x月x日书山有路勤为径,学海无涯苦作舟页码:第3页共11页3.5各单位各单位是技术监督的直接责任者,应建立以生产副总经理(副厂长)或总工程师负责,由生产技术部门、生产单位、班组等有关技术人员组成的三级技术监督网络。其职责是:3.5.1建立健全本单位技术监督工作体系,明确技术监督责任制。3.5.2贯彻执行行业、集团公司有关技术监督规程、标准、制度、技术措施等,并根据本制度制定相应的技术监督实施细则。3.5.3定期召开本单位的技术监督工作会议,落实技术监督的工作计划,协调、解决技术监督工作中存在的问题,督促、检查技术监督各项工作的落实情况。3.5.4建立健全设备台帐和档案,对设备的维护、检修进行质量监督。3.5.5按规定对设备进行监测和试验,对数据进行综合分析,及时发现设备存在的隐患。3.5.6应按技术监督委托管理和服务单位规定的格式,在规定时间上报技术监督指标完成情况。3.5.7组织安排本单位技术监督人员的培训工作。3.5.8组织技术监督人员参加本单位在建和改造工程的设计审查、设备选型、监造、安装、调试、试生产阶段的技术监督和质量验收工作。3.5.9...

1、当您付费下载文档后,您只拥有了使用权限,并不意味着购买了版权,文档只能用于自身使用,不得用于其他商业用途(如 [转卖]进行直接盈利或[编辑后售卖]进行间接盈利)。
2、本站所有内容均由合作方或网友上传,本站不对文档的完整性、权威性及其观点立场正确性做任何保证或承诺!文档内容仅供研究参考,付费前请自行鉴别。
3、如文档内容存在违规,或者侵犯商业秘密、侵犯著作权等,请点击“违规举报”。

碎片内容

山西漳泽电力股份有限公司技术监督管理制度

确认删除?
VIP
微信客服
  • 扫码咨询
会员Q群
  • 会员专属群点击这里加入QQ群
客服邮箱
回到顶部