电脑桌面
添加小米粒文库到电脑桌面
安装后可以在桌面快捷访问

山宇SJR2系列软起动器的特点及其应用(doc 7)VIP免费

山宇SJR2系列软起动器的特点及其应用(doc 7)_第1页
1/7
山宇SJR2系列软起动器的特点及其应用(doc 7)_第2页
2/7
山宇SJR2系列软起动器的特点及其应用(doc 7)_第3页
3/7
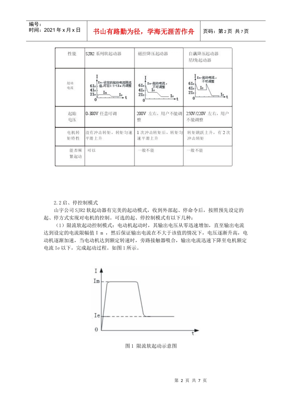
第1页共7页编号:时间:2021年x月x日书山有路勤为径,学海无涯苦作舟页码:第1页共7页山宇SJR2系列软起动器的特点及其应用摘要:本文介绍了软起动器的功能特点,对比了交流电动机各种起动方式的特性,对软起动器的起、停方式进行了详细的介绍。并通过软起动器在电厂的应用实例,给出了软起动器在该控制系统的应用效果。1引言异步电动机以其优良的性能及无需维护的特点,在各行各业中得到广泛的应用。然而由于其起动时要产生较大冲击电流,同时由于起动应力较大,使负载设备的使用寿命降低。国家有关部门对电机起动早有明确规定,既电机起动时的电网电压降不能超过15%。人们往往需要配备限制电机起动电流的起动设备,过去人们多采用Y/△转换、磁控降压起动器、自藕降压等方式来实现。这些方法虽然可以起到一定的限流作用,但没有从根本上解决问题。随着电力电子技术的快速发展,软起动器得到广泛应用。它不仅实现在整个起动过程中无冲击而平滑的起动电机,而且可根据电动机负载的特性来调节起动过程中的参数,如限流值、起动时间等。此外,它还具有多种对电机保护功能,这就从根本上解决了传统的降压起动设备的诸多弊端。2、软起动器的功能特点软起动器是一种用来控制交流异步电动机的新设备,它是集电机软起动、软停车、轻载节能和多种保护功能于一体的新颖电机控制装置,国外称为SoftStarter。它的主要构成是串接于电源与被控电机之间的三相反并联闸管及其电子控制电路。运用不同的方法,控制三相反并联晶闸管的导通角,使被控电机的输入电压按不同的要求而变化,就可实现不同的功能。以上海山宇公司生产的软起动器来说明软起动器的功能特点。山宇公司的软起动器主要由双CPU的主控板、电机主控制回路及供电变压器构成,具有控制功能、电机保护功能以及显示、报警、参数设置等功能。2.1软起动器与传统起动方式的比较表1给出了软起动器与传统起动器的比较,从起动电流的波形可以看出软起动器启动时无冲击电流,而传统的起动器在起动时有1-2次的冲击电流。而且从起始电压、电机转矩特性、能否频繁起动方面对比情况看,软起动器在起动时有传统起动器无法比拟的优越性。表1软起动器与传统起动器的比较第2页共7页第1页共7页编号:时间:2021年x月x日书山有路勤为径,学海无涯苦作舟页码:第2页共7页2.2启、停控制模式山宇公司SJR2软起动器有完美的起动模式,收到外部起、停命令后,按照预先设定的起、停方式实现对电机的控制。可选的起、停控制模式有以下几种:(1)限流软起动控制模式:电动机起动时,其输出电压从零迅速增加,直至输出电流达到设定的电流限幅值Im,然后保证输出电流在不大于该值的情况下,电压逐渐升高,电动机逐渐加速,当电动机达到额定转速时,旁路接触器吸合,输出电流迅速下降至电机额定电流Ie以下,完成起动过程。如图1所示。图1限流软起动示意图第3页共7页第2页共7页编号:时间:2021年x月x日书山有路勤为径,学海无涯苦作舟页码:第3页共7页(2)电压斜坡起动控制模式:当电动机起动时,在电动机电流不超出额定值400%的范围内,软起动器的输出电压迅速上升到整定值U1,然后按设定的速率逐渐增加,电动机随电压的上升不断平稳加速,直至达到额定电压后,电机达到额定转速,旁路接触器吸合,起动过程完成。起动时间T是根据标准负载在标准实验条件下所得的控制参数,SJR2系列软起动器以此参数为基准,通过控制输出电压使电机平稳加速以完成起动过程,并非机械的控制时间T而不论电机加速是否平稳,鉴于此,在负载较轻时,起动时间往往小于设定的起动时间,只要能顺利起动则属正常,这也是山宇变频器智能化的表现之一。一般而言,电压斜坡起动模式适用于对起动电流要求不严对起动平稳性要求较高的场所。输出特性曲线如图2所示。图2电压斜坡起动输出特性曲线(3)突跳+限流或突跳+电压起动模式:图3给出了突跳起动模式的输出变化波形,在某些重载场合下,由于机械静摩擦力的影响而不能起动电机时,可选用此种起动模式。在起动时,先对电动机施加一个较高的固定的电压并持续有限的一段时间,以克服电动机负载的静摩擦力使电机转动,然后按限制电流或电压斜坡的方式起...

1、当您付费下载文档后,您只拥有了使用权限,并不意味着购买了版权,文档只能用于自身使用,不得用于其他商业用途(如 [转卖]进行直接盈利或[编辑后售卖]进行间接盈利)。
2、本站所有内容均由合作方或网友上传,本站不对文档的完整性、权威性及其观点立场正确性做任何保证或承诺!文档内容仅供研究参考,付费前请自行鉴别。
3、如文档内容存在违规,或者侵犯商业秘密、侵犯著作权等,请点击“违规举报”。

碎片内容

山宇SJR2系列软起动器的特点及其应用(doc 7)

确认删除?
VIP
微信客服
  • 扫码咨询
会员Q群
  • 会员专属群点击这里加入QQ群
客服邮箱
回到顶部