电脑桌面
添加小米粒文库到电脑桌面
安装后可以在桌面快捷访问

杭州萧山城市建设发展有限公司“上改下专项整治工程用材”政府采VIP免费

杭州萧山城市建设发展有限公司“上改下专项整治工程用材”政府采_第1页
1/13
杭州萧山城市建设发展有限公司“上改下专项整治工程用材”政府采_第2页
2/13
杭州萧山城市建设发展有限公司“上改下专项整治工程用材”政府采_第3页
3/13
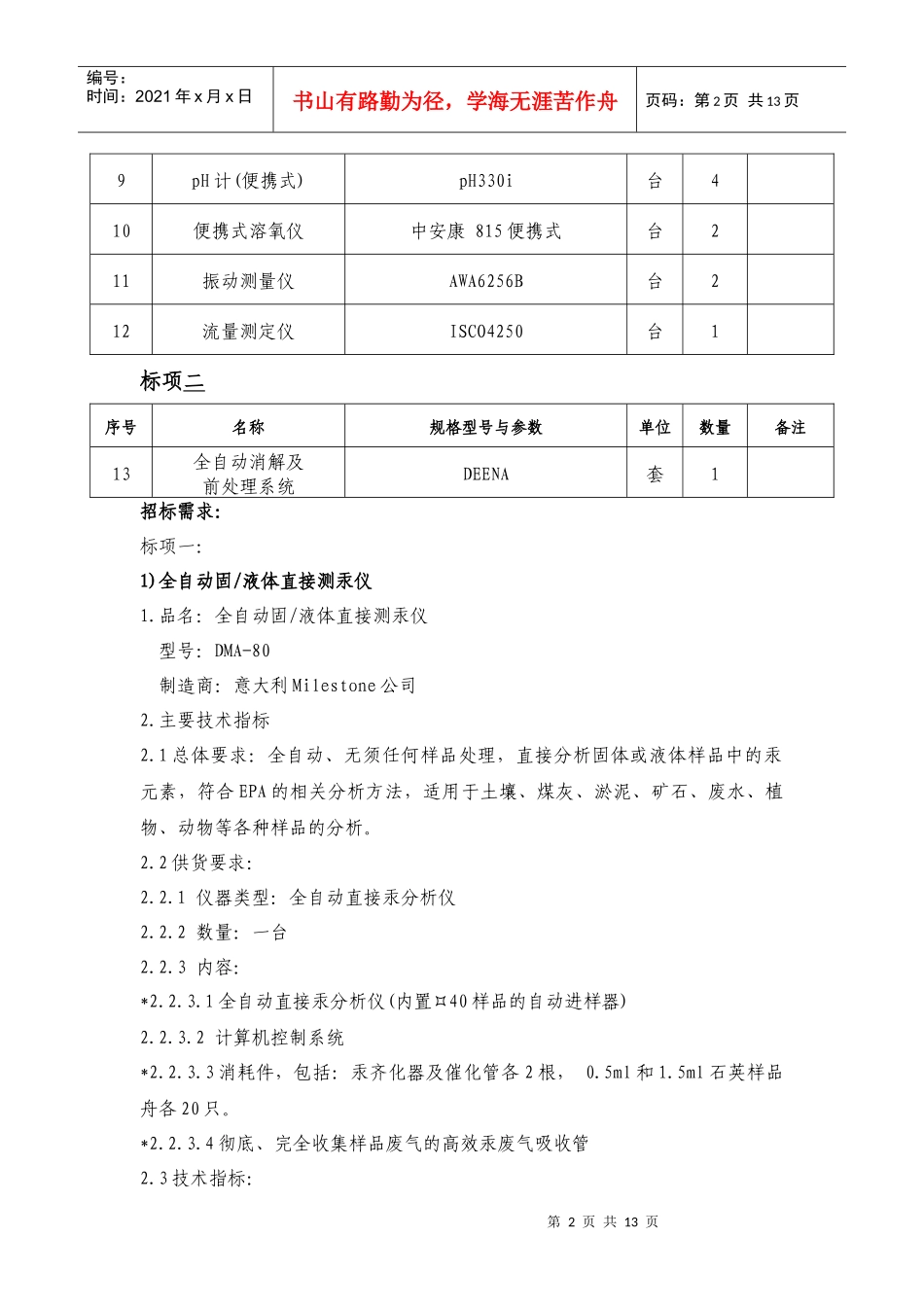
第1页共13页编号:时间:2021年x月x日书山有路勤为径,学海无涯苦作舟页码:第1页共13页附件采购公告1、采购内容:检测仪器一批,详见采购一览表。2、询价采购响应方资格:1.具有独立法人资格、注册资金在50万(含)元以上,具有本标项经营范围的供应商(厂家);2.有较好的技术力量和较强的售后服务能力,具有良好信誉;3.法人代表及财务主管在本次谈判前五年内没有刑事犯罪记录,没有行贿受贿或者偷税漏税等欺诈行为。3、报名时必须提供下列资料:1、有效的营业执照副本复印件(加盖公章);2、有效的法人授权委托书(加盖公章);3、法人委托人有效身份证明原件及复印件(原件及复印件);采购一览表标项一序号名称规格型号与参数单位数量备注1全自动固液体直接测汞仪DMA-80套12全自动固相萃取系统SPE-DXE4790套13射流萃取仪CN10M260481(四联)套34真空泵AP-9950无油真空压力泵台15全自动干燥和浓缩定量系统Dryvap套16烟尘采样仪3012型台27烟气分析仪KM940台28大气采样器应用2020型台4第2页共13页第1页共13页编号:时间:2021年x月x日书山有路勤为径,学海无涯苦作舟页码:第2页共13页9pH计(便携式)pH330i台410便携式溶氧仪中安康815便携式台211振动测量仪AWA6256B台212流量测定仪ISCO4250台1标项二序号名称规格型号与参数单位数量备注13全自动消解及前处理系统DEENA套1招标需求:标项一:1)全自动固/液体直接测汞仪1.品名:全自动固/液体直接测汞仪型号:DMA-80制造商:意大利Milestone公司2.主要技术指标2.1总体要求:全自动、无须任何样品处理,直接分析固体或液体样品中的汞元素,符合EPA的相关分析方法,适用于土壤、煤灰、淤泥、矿石、废水、植物、动物等各种样品的分析。2.2供货要求:2.2.1仪器类型:全自动直接汞分析仪2.2.2数量:一台2.2.3内容:*2.2.3.1全自动直接汞分析仪(内置40样品的自动进样器)2.2.3.2计算机控制系统*2.2.3.3消耗件,包括:汞齐化器及催化管各2根,0.5ml和1.5ml石英样品舟各20只。*2.2.3.4彻底、完全收集样品废气的高效汞废气吸收管2.3技术指标:第3页共13页第2页共13页编号:时间:2021年x月x日书山有路勤为径,学海无涯苦作舟页码:第3页共13页2.3.1仪器工作环境2.3.1.1电压:220VAC±10%2.3.1.2室温:10--30℃2.3.1.3相对湿度:20%--80%2.3.2性能指标*2.3.2.1检出限:≤0.005ng2.3.2.2重复性:RSD≤1.5%*2.3.2.3测量量程:0.005ng—1000ng2.3.2.4校准方式:标准溶液或标准物质*2.3.2.5最大样品量:500mg和1500l*2.3.2.6自动进样器:内置、样品量40个,固体/液体样品均可2.3.2.7分析速度:≤5分钟/样品2.3.2.8具有样品自动浓缩功能*2.3.2.9测量池部分具有加热系统,可最大程度减小“记忆”效应2.3.3技术要求*2.3.3.1提供国内至少30个以上用户名单。*2.3.3.2提供EPA7473方法点名证明。2.3.3.3无须任何样品前处理、无须使用任何试剂、直接测定固体或液体样品2.3.4计算机系统:*3.4.1高级彩色触摸屏控制终端,5.7"大屏幕高分辨率2.3.4.2样品重量转入:通过R232接口自动读入外接天平的称重2.3.4.3全套分析软件及数据处理系统,完全符合TQM,GLP,EPA,ISO的要求。*2.3.4.3提供终身免费软件升级3.5计算机要求1、CPUINTEL酷睿双核或AMDAthlon64X2,主频在2.2GHz以上2、内存:DDRII2048M3、显卡:集成IntelGMA950或ATIA1250以上4、硬盘:SATA250G以上5、显示器:17英寸以上液晶显示器6、光驱:DVD/RW第4页共13页第3页共13页编号:时间:2021年x月x日书山有路勤为径,学海无涯苦作舟页码:第4页共13页7、操作系统:中文版windowsxp8、其他要求:内置音响或外带音响,塔式机箱2)全自动固相萃取系统1.品名:全自动固相萃取系统型号:SPE-DEX4790®制造商:美国horizon公司2.主要技术指标2.1用途:用于饮用水、地表水、地下水、污水等液体样品中痕量有机物萃取。尤其适合于脏污、成分复杂的液体样品,为色谱或色质仪器的样品制备系统。2.2技术特点:2.2.1全自动完成萃取膜的活化、样品添加、干燥、洗脱等操作2.2.2操作简单,只需装载SPE萃取膜、样品瓶和收集瓶,按下START键,离开无需监控*2.2.3使用截面积大、不易堵塞的SPE萃取膜,具有流速快、...

1、当您付费下载文档后,您只拥有了使用权限,并不意味着购买了版权,文档只能用于自身使用,不得用于其他商业用途(如 [转卖]进行直接盈利或[编辑后售卖]进行间接盈利)。
2、本站所有内容均由合作方或网友上传,本站不对文档的完整性、权威性及其观点立场正确性做任何保证或承诺!文档内容仅供研究参考,付费前请自行鉴别。
3、如文档内容存在违规,或者侵犯商业秘密、侵犯著作权等,请点击“违规举报”。

碎片内容

杭州萧山城市建设发展有限公司“上改下专项整治工程用材”政府采

确认删除?
VIP
微信客服
  • 扫码咨询
会员Q群
  • 会员专属群点击这里加入QQ群
客服邮箱
回到顶部