电脑桌面
添加小米粒文库到电脑桌面
安装后可以在桌面快捷访问

施工日志3874622953VIP免费

施工日志3874622953_第1页
1/73
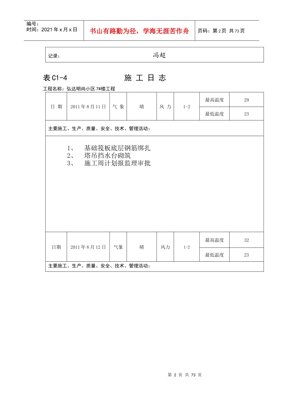
施工日志3874622953_第2页
2/73
施工日志3874622953_第3页
3/73
第1页共73页编号:时间:2021年x月x日书山有路勤为径,学海无涯苦作舟页码:第1页共73页表C1-4施工日志工程名称:弘达明尚小区7#楼工程日期2011年8月9日气象晴风力1-2最高温度35最低温度25主要施工、生产、质量、安全、技术、管理活动:·1、钢筋班12人,集水坑钢筋绑扎2、施工班组2人,塔吊挡土台砌筑3、办公室门前硬化抹灰4、图纸会审放监理签字、盖章日期2011年8月10日气象晴风力1-2最高温度32最低温度23主要施工、生产、质量、安全、技术、管理活动:1、钢筋班组12人,筏板底层钢筋绑扎、下料2、镀锌扁铁、线管进场、报验,由于6分管锈蚀严重,退货出场3、图纸会审监理审批,报甲方第2页共73页第1页共73页编号:时间:2021年x月x日书山有路勤为径,学海无涯苦作舟页码:第2页共73页记录:冯超表C1-4施工日志工程名称:弘达明尚小区7#楼工程日期2011年8月11日气象晴风力1-2最高温度29最低温度23主要施工、生产、质量、安全、技术、管理活动:1、基础筏板底层钢筋绑扎2、塔吊挡水台砌筑3、施工周计划报监理审批日期2011年8月12日气象晴风力1-2最高温度32最低温度23主要施工、生产、质量、安全、技术、管理活动:第3页共73页第2页共73页编号:时间:2021年x月x日书山有路勤为径,学海无涯苦作舟页码:第3页共73页4、钢筋班组12人,筏板底层钢筋绑扎、下料5、镀锌扁铁、线管进场、报验,由于6分管锈蚀严重,退货出场6、图纸会审监理审批,报甲方记录:冯超表C1-4施工日志工程名称:弘达明尚小区7#楼工程日期2011年8月13日气象晴风力1-2最高温度29最低温度23主要施工、生产、质量、安全、技术、管理活动:4、基础筏板底层钢筋绑扎5、塔吊挡水台砌筑6、施工周计划报监理审批日期2011年8月14日气象晴风力1-2最高温度32第4页共73页第3页共73页编号:时间:2021年x月x日书山有路勤为径,学海无涯苦作舟页码:第4页共73页最低温度23主要施工、生产、质量、安全、技术、管理活动:7、钢筋班组12人,筏板底层钢筋绑扎、下料8、镀锌扁铁、线管进场、报验,由于6分管锈蚀严重,退货出场9、图纸会审监理审批,报甲方记录:冯超表C1-4施工日志工程名称:弘达明尚小区7#楼工程日期2011年8月15日气象晴风力1-2最高温度29最低温度23主要施工、生产、质量、安全、技术、管理活动:7、基础筏板底层钢筋绑扎8、塔吊挡水台砌筑9、施工周计划报监理审批第5页共73页第4页共73页编号:时间:2021年x月x日书山有路勤为径,学海无涯苦作舟页码:第5页共73页日期2011年8月16日气象晴风力1-2最高温度32最低温度23主要施工、生产、质量、安全、技术、管理活动:10、钢筋班组12人,筏板底层钢筋绑扎、下料11、镀锌扁铁、线管进场、报验,由于6分管锈蚀严重,退货出场12、图纸会审监理审批,报甲方记录:冯超表C1-4施工日志工程名称:弘达明尚小区7#楼工程日期2011年8月17日气象晴风力1-2最高温度29最低温度23主要施工、生产、质量、安全、技术、管理活动:第6页共73页第5页共73页编号:时间:2021年x月x日书山有路勤为径,学海无涯苦作舟页码:第6页共73页因雨停工日期2011年8月18日气象雨风力1-2最高温度29最低温度23主要施工、生产、质量、安全、技术、管理活动:因雨停工记录:冯超表C1-4施工日志工程名称:弘达明尚小区7#楼工程日期2011年8月19日气象小雨转多云风力1-2最高温度24最低温度21第7页共73页第6页共73页编号:时间:2021年x月x日书山有路勤为径,学海无涯苦作舟页码:第7页共73页主要施工、生产、质量、安全、技术、管理活动:1、上午下雨至10点,停工2、下午钢筋工12人,9人绑扎基础筏板钢筋,3人下料3、木工进场,2人吊料4、遇水膨胀止水条监理见证取样日期2011年8月20日气象晴风力1-2最高温度32最低温度23主要施工、生产、质量、安全、技术、管理活动:1、钢筋工12人,9人绑扎基础筏板钢筋,3人下料2、木工14人支护基础筏板模板。3、劳务队4人吊料记录:冯超第8页共73页第7页共73页编号:时间:2021年x月x日书山有路勤为径,学海无涯苦作舟页码:第8页共73页表C1-4施工日志工程名称:弘达明尚小区7#楼工程日期2011年8月21日气象小雨转多云风力1-2最高温度28最低温度24主要施工、生产、质量、安...

1、当您付费下载文档后,您只拥有了使用权限,并不意味着购买了版权,文档只能用于自身使用,不得用于其他商业用途(如 [转卖]进行直接盈利或[编辑后售卖]进行间接盈利)。
2、本站所有内容均由合作方或网友上传,本站不对文档的完整性、权威性及其观点立场正确性做任何保证或承诺!文档内容仅供研究参考,付费前请自行鉴别。
3、如文档内容存在违规,或者侵犯商业秘密、侵犯著作权等,请点击“违规举报”。

碎片内容

施工日志3874622953

确认删除?
VIP
微信客服
  • 扫码咨询
会员Q群
  • 会员专属群点击这里加入QQ群
客服邮箱
回到顶部