电脑桌面
添加小米粒文库到电脑桌面
安装后可以在桌面快捷访问

某建设集团有限公司QJES管理手册VIP专享VIP免费

某建设集团有限公司QJES管理手册_第1页
1/102
某建设集团有限公司QJES管理手册_第2页
2/102
某建设集团有限公司QJES管理手册_第3页
3/102
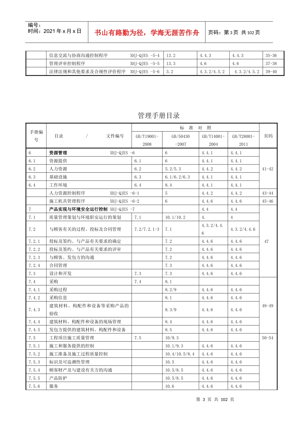
第1页共102页编号:时间:2021年x月x日书山有路勤为径,学海无涯苦作舟页码:第1页共102页内蒙古新华建建设集团有限公司质量、环境和职业健康安全管理体系QJES管理手册(含程序文件)第A版编写依据:GB/T19001:2008/ISO9001:2008《质量管理体系要求》GB/T50430-2007《工程建设施工企业质量管理规范》GB/T24001:2004/ISO14001:2004《环境管理体系要求及使用指南》GB/T28001-2011《职业健康安全管理体系规范》编号:XHJ-QJES-0编制:审核:批准:发放号:2016-03-01发布2016-03-01实施第2页共102页第1页共102页编号:时间:2021年x月x日书山有路勤为径,学海无涯苦作舟页码:第2页共102页管理手册目录手册编号目录/文件编号标准对照页码GB/T19001-2008GB/50430-2007GB/T14001-2004GB/T28001-201101批准页(封面)102目录2-403企业简介504管理手册批准令、管理者代表任命、事务代表聘任书5.5.24.34.4.14.4.161~3范围、引用标准和术语1/1.1/1.221174QJES管理体系要求434484.1总要求4.13.1/3.44.14.14.2.1文件要求4.2.13.34.2.2QJES管理手册4.2.23.3.34.4.44.4.44.2.3文件控制4.2.33.54.4.54.4.54.2.4记录控制4.2.43.54.5.44.5.4文件控制程序XHJ-QJES-4-14.2.33.510-11记录控制程序XHJ-QJES-4-24.2.43.5.3125管理职责544.4.14.4.1135.1管理承诺5.13.2.14.3.24.3.25.2以顾客为关注焦点5.2/7.2.13.2.15.3质量、环境和职业健康安全方针5.33.24.24.25.4管理策划5.43.34.3.34.3.3145.4.1QJES目标、指标及管理方案5.4.13.25.4.2QJES管理体系策划5.4.2/8.5.13.34.3.4Q+J质量管理体系3.3环境管理体系4职业健康安全管理体系4QJES方针5.33.24.24.215QJES目标、指标5.4.13.24.3.34.3.316QJES目标分解5.4.23.24.3.34.3.3175.5.1职责、权限与沟通5.5.14.34.4.14.4.118组织机构图5.5.14.24.4.14.4.118管理职责分配表/质量Q+J、环境、职安5.5.14.24.4.14.4.119-215.5.2管理者代表、部门职责5.5.24.2.24.4.14.4.122-245.5.3信息交流与协商沟通5.5.3/7.2.313.1/13.24.4.3/4.4.35.6管理评审5.613.24.64.65.7法律、法规与其他环境要求5.63.24.3.24.3.2目标、指标和管理方案控制程序XHJ-QJES-5-13.24.3.34.3.325-26环境因素识别与评价控制程序XHJ-QJES-5-24.3.127-29危害辨识、风险评价和风险控制程序XHJ-QJES-5-34.3.130-34第3页共102页第2页共102页编号:时间:2021年x月x日书山有路勤为径,学海无涯苦作舟页码:第3页共102页信息交流与协商沟通控制程序XHJ-QJES-5-413.24.4.34.4.335-36管理评审控制程序XHJ-QJES-5-513.34.64.637-38法律法规和其他要求及合规性评价程序XHJ-QJES-5-63.24.3.2/4.5.24.3.2/4.5.239-40管理手册目录手册编号目录/文件编号标准对照页码GB/T19001-2008GB/50430-2007GB/T14001-2004GB/T28001-20116资源管理XHJ-QJES-664.4.14.4.141-426.1资源提供6.164.4.14.4.16.2人力资源6.25.2/5.34.4.24.4.26.3基础设施6.36.1/6.2/6.34.4.14.4.16.4工作环境6.48.44.4.14.4.1人力资源控制程序XHJ-QJES-6-154.4.24.4.243-44施工机具管理程序XHJ-QJES-6-264.4.64.4.645-467产品实现与环境安全运行控制XHJ-QJES-74.44.4477.1质量管理策划与环境职安运行的策划7.110.1/10.24.47.2与顾客有关的过程、投标及合同管理7.2/7.2.1-37.14.3.2/4.4.64.3.2/4.4.67.2.1投标及签约、与产品有关要求的确定7.24.4.64.4.67.2.2投标及签约、与产品有关要求的评审7.24.4.64.4.67.2.3与顾客、发包方的沟通7.24.4.64.4.67.2.4合同管理7.34.4.64.4.67.3设计和开发7.37.34.4.64.4.67.4采购7.48.148-497.4.1采购过程8.2/94.4.64.4.67.4.2采购信息8.14.4.64.4.67.4.3建筑材料、构配件和设备等采购产品的验收8.3/94.4.64.4.67.4.4建筑材料、构配件和设备的现场管理8.44.4.64.4.67.4.5发包方提供的建筑材料、构配件和设备8.54.4.64.4.67.5工程项目施工质量管理7.510/9.350-547.5.1施工和服务提供的控制10.1/9.34.4.64.4.67.5.2施工准备及施工过程质量控制10.4/10.5/8.44.4.64.4.67.5.3标识及可追溯性管理10.54.4.64.4.67.5.4顾客财产及与建设有关方的沟通10.5/8.54.4.64.4.67.5.5产品防护10.5/8.54.4.64.4.67.5.6服务10.64....

1、当您付费下载文档后,您只拥有了使用权限,并不意味着购买了版权,文档只能用于自身使用,不得用于其他商业用途(如 [转卖]进行直接盈利或[编辑后售卖]进行间接盈利)。
2、本站所有内容均由合作方或网友上传,本站不对文档的完整性、权威性及其观点立场正确性做任何保证或承诺!文档内容仅供研究参考,付费前请自行鉴别。
3、如文档内容存在违规,或者侵犯商业秘密、侵犯著作权等,请点击“违规举报”。

碎片内容

某建设集团有限公司QJES管理手册

确认删除?
VIP
微信客服
  • 扫码咨询
会员Q群
  • 会员专属群点击这里加入QQ群
客服邮箱
回到顶部