电脑桌面
添加小米粒文库到电脑桌面
安装后可以在桌面快捷访问

柳职院施工组织设计VIP专享VIP免费

柳职院施工组织设计_第1页
1/137
柳职院施工组织设计_第2页
2/137
柳职院施工组织设计_第3页
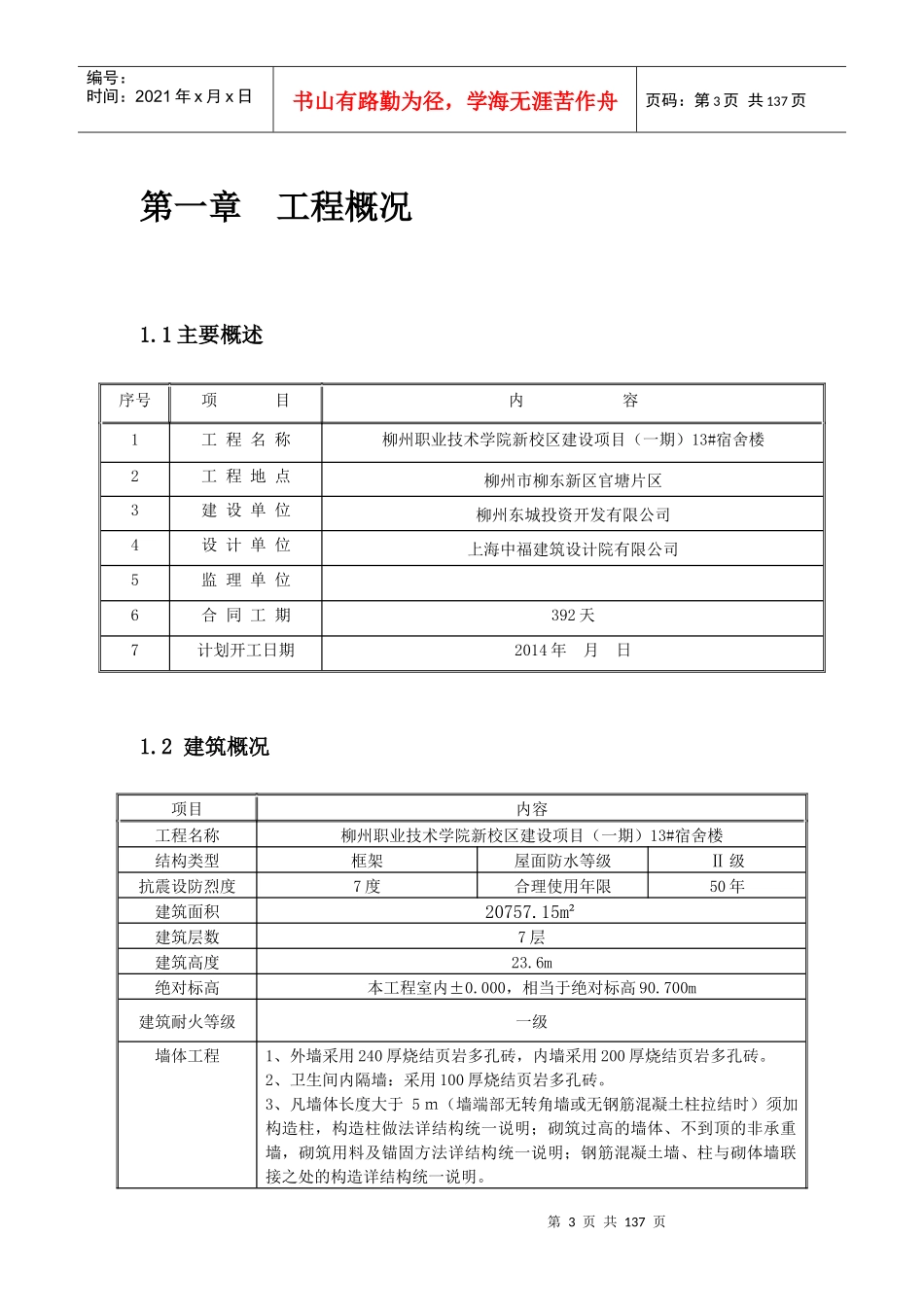
3/137
目录第一章工程概况..............................................................................................................................................................31.1主要概述....................................................................................................................................................................31.2建筑概况....................................................................................................................................................................31.3结构概况....................................................................................................................................................................61.4给排水工程概况........................................................................................................................................................71.5电气系统设计概况....................................................................................................................................................8第二章编制依据............................................................................................................................................................102.1编制依据.................................................................................................................................................................102.2本工程采用的技术规范.........................................................................................................................................10第三章施工组织部署......................................................................................................................................................123.1组织分工..................................................................................................................................................................123.2工程目标..................................................................................................................................................................133.2.1工期目标...........................................................................................................................................................133.2.2质量目标...........................................................................................................................................................133.2.3职业健康安全、文明施工及环境保护目标...................................................................................................133.2.4.文明施工..........................................................................................................................................................133.3施工安排..................................................................................................................................................................143.3.1.总体安排......................................................................................................................................................143.3.2基础阶段.........................................................................................................................................................143.3.3主体结构施工阶段................................................................................

1、当您付费下载文档后,您只拥有了使用权限,并不意味着购买了版权,文档只能用于自身使用,不得用于其他商业用途(如 [转卖]进行直接盈利或[编辑后售卖]进行间接盈利)。
2、本站所有内容均由合作方或网友上传,本站不对文档的完整性、权威性及其观点立场正确性做任何保证或承诺!文档内容仅供研究参考,付费前请自行鉴别。
3、如文档内容存在违规,或者侵犯商业秘密、侵犯著作权等,请点击“违规举报”。

碎片内容

柳职院施工组织设计

确认删除?
VIP
微信客服
  • 扫码咨询
会员Q群
  • 会员专属群点击这里加入QQ群
客服邮箱
回到顶部