电脑桌面
添加小米粒文库到电脑桌面
安装后可以在桌面快捷访问

桥梁施工 课程设计VIP免费

桥梁施工 课程设计_第1页
1/13
桥梁施工 课程设计_第2页
2/13
桥梁施工 课程设计_第3页
3/13
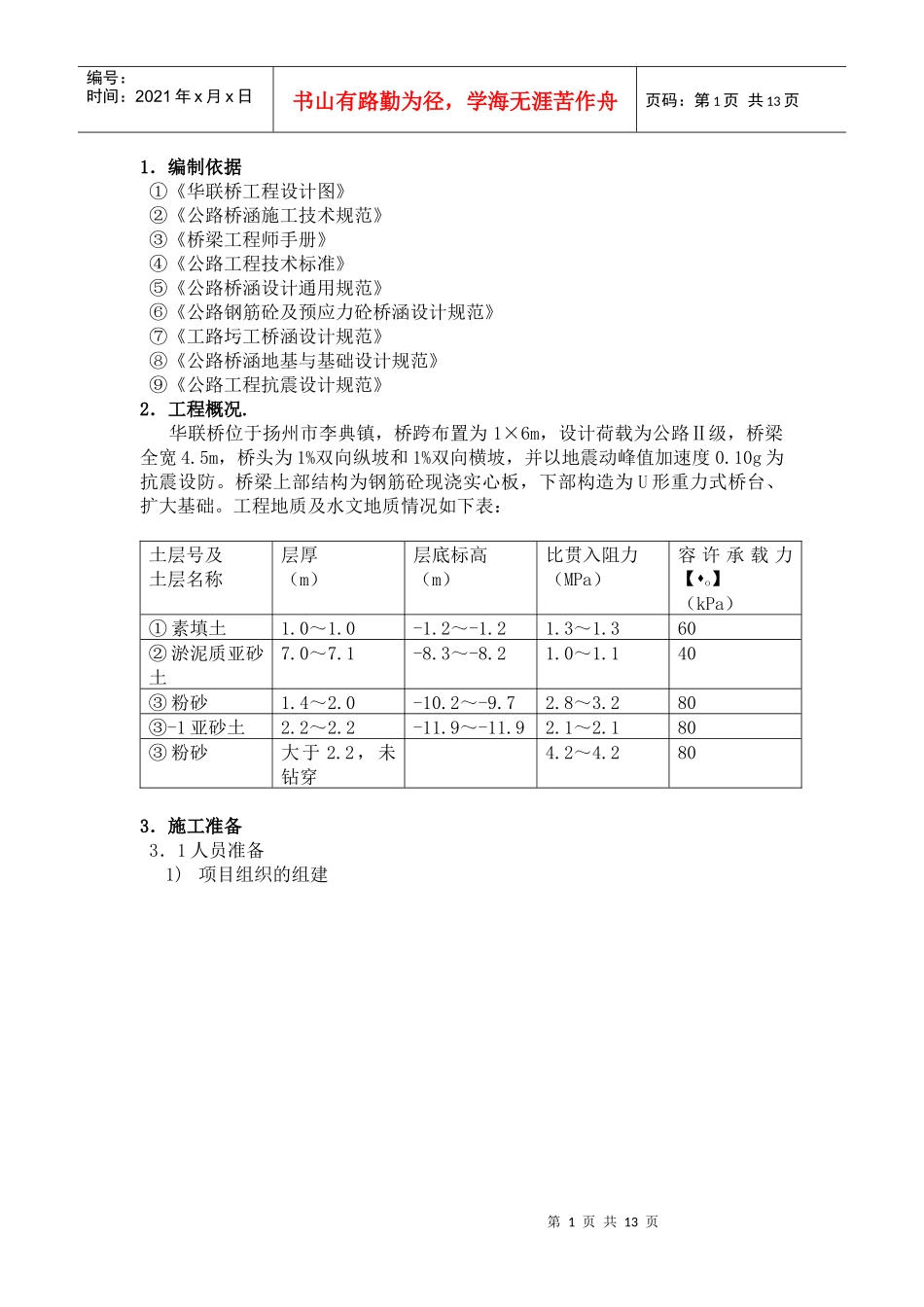
第1页共13页编号:时间:2021年x月x日书山有路勤为径,学海无涯苦作舟页码:第1页共13页1.编制依据①《华联桥工程设计图》②《公路桥涵施工技术规范》③《桥梁工程师手册》④《公路工程技术标准》⑤《公路桥涵设计通用规范》⑥《公路钢筋砼及预应力砼桥涵设计规范》⑦《工路圬工桥涵设计规范》⑧《公路桥涵地基与基础设计规范》⑨《公路工程抗震设计规范》2.工程概况.华联桥位于扬州市李典镇,桥跨布置为1×6m,设计荷载为公路Ⅱ级,桥梁全宽4.5m,桥头为1%双向纵坡和1%双向横坡,并以地震动峰值加速度0.10g为抗震设防。桥梁上部结构为钢筋砼现浇实心板,下部构造为U形重力式桥台、扩大基础。工程地质及水文地质情况如下表:土层号及土层名称层厚(m)层底标高(m)比贯入阻力(MPa)容许承载力【o】(kPa)①素填土1.0~1.0-1.2~-1.21.3~1.360②淤泥质亚砂土7.0~7.1-8.3~-8.21.0~1.140③粉砂1.4~2.0-10.2~-9.72.8~3.280③-1亚砂土2.2~2.2-11.9~-11.92.1~2.180③粉砂大于2.2,未钻穿4.2~4.2803.施工准备3.1人员准备1)项目组织的组建第2页共13页第1页共13页项目经理项目工程师项目副经理材料员资料员质量员安全员质检员施工员实验员测量员各施工班组组长编号:时间:2021年x月x日书山有路勤为径,学海无涯苦作舟页码:第2页共13页2)班组的确定瓦工班、木工班、机械班、钢筋工、后勤组3)外包工的组织因我单位管理及技术人员较多,施工队伍足量,能独立承担该工程具体任务的施工,无需分包。3.2材料准备序号材料规格及名称单位数量1C30砼m318.22C15砼m3122.813M7.5浆砌块石m36.34HRB335钢筋kg2824.95R235钢筋Kg870.56M15浆砌块石m3328.697沥青木质纤维板m30.368油毛毡㎡0.24第3页共13页第2页共13页编号:时间:2021年x月x日书山有路勤为径,学海无涯苦作舟页码:第3页共13页3.3机械准备土方机械砼、泥浆搅拌设备垂直及水平运输机械吊装机械动力机具钢筋加工设备木工机械焊接设备打夯机抽水设备挖掘机,压路机混凝土拌和机混凝土搅拌运输车、混凝土输送泵和混凝土泵车、自卸汽车汽车吊空气压缩机钢筋焊接机、钢筋调直机、钢筋弯曲机、钢筋切割机电锯、手提锯、手提钻钢筋点焊机、钢筋对焊机、刚劲弧焊机三星锤、水泵3.4现场准备1)清除障碍物开工前,建设单位负责清除施工场地内的一切障碍物,也可委托施工单位来完成这些工作。2)三通一平接通施工用的水源、电源和修建施工用的道路及平整施工用场地。此外,还应力求做到通信到位。3)勘测桩志的点交﹑复核和施工测量a.补充施工需要的中线桩b.测量中线及基础轴线的位置c.测量桥台锥坡、翼墙及导流构造物的位置d.补充施工需要的水准点e.施工过程中不断复核、检查中线及高程4)搭设临时设施1、生产生活临时设施情况项目经理部驻地与周围居民有明显的隔离,施工现场的办公区与生活区分离设置,同时与作业区保持安全距离。驻地住房主要使用具有产品合格证的装配式活动房屋,并由专业队伍安装施工,使用前委托相关专业机构进行检测,验收合格后方可使用。2、办公交通、通讯设施办公区设置办公室、会议室、工地试验室、档案室、生活设施、消防安全设施、砼停车场等,并做到设施齐全、功能完备、环境优美、安全整洁,职责、图表统一上墙,形象进度一目了然,更新及时。各部门分开办公,办公室、桌椅配备齐全;配置足够数量的计算机、激光打印机、复印机、传真机和档案柜,装配固定电话,装配宽带网,配置足够数量第4页共13页第3页共13页编号:时间:2021年x月x日书山有路勤为径,学海无涯苦作舟页码:第4页共13页的交通工具;会议室、试验室中的标养室、水泥室装配空调。并建立信息管理网络,在合同实施期间按业主项目管理信息化系统要求及时提供施工管理方面的信息。4.施工平面布置(详见附图)5.施工工艺及施工方法.5.1基础施工㈠施工工艺流程桩机就位→起吊松木桩→稳桩→打桩→送桩→验收→移桩机至下一个桩位㈡沉桩设备三星锤或挖掘机的挖斗㈢施工要点a.桩机就位打桩机就位时应对准桩位,保证垂直稳定,在施工中不发生倾斜、移动。b.起吊预制桩先拴好吊桩用的钢丝绳和索具,然后应用索具捆住桩上端吊环附近处,一般...

1、当您付费下载文档后,您只拥有了使用权限,并不意味着购买了版权,文档只能用于自身使用,不得用于其他商业用途(如 [转卖]进行直接盈利或[编辑后售卖]进行间接盈利)。
2、本站所有内容均由合作方或网友上传,本站不对文档的完整性、权威性及其观点立场正确性做任何保证或承诺!文档内容仅供研究参考,付费前请自行鉴别。
3、如文档内容存在违规,或者侵犯商业秘密、侵犯著作权等,请点击“违规举报”。

碎片内容

桥梁施工 课程设计

确认删除?
VIP
微信客服
  • 扫码咨询
会员Q群
  • 会员专属群点击这里加入QQ群
客服邮箱
回到顶部