电脑桌面
添加小米粒文库到电脑桌面
安装后可以在桌面快捷访问

三相电路实验报告VIP免费

三相电路实验报告_第1页
1/13
三相电路实验报告_第2页
2/13
三相电路实验报告_第3页
3/13
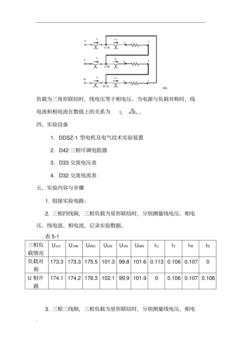
...实验一一、实验名称三相电路不同连接方法的测量二、实验目的:1.理解三相电路中线电压与相电压、线电流与相电流之间的关系。2.掌握三相电路的正确连接方法与测量方法。三、实验原理1.三相电路三相电路在生产上应用最为广泛,发电和输配电一般都采用三相制。在用电方面,许多负载是三相的或连接成三相形式的,如三相交流电动机。三相电路是由三相电源供电的电路。三个频率相同且随时间按正弦函数变换的电动势,如果每相电动势的振幅相等,相位依次相差120o,则称为三相电动势。产生对称三相电动势且各阻抗相等的电源称为对称电源。当三相电动势的相序依次为U相、V相和W相时,称为正序或顺序,反之称为负序或逆序。本实验在三相电源的相序为正序的情况下进行测量。三相电源由DDSZ-1型实验台台面左侧的DD01三相调压交流电源提供。如下图所示。...DD01三相调压交流电源UWVN在三相电路中,负载一般也是三相的,即由三个部分组成,每一部分称为一个相。如三相负载各相阻抗值相同,则称为对称三相负载。三相负载有两种连接方式:星形联结和三角形联结。在三相电路中,电源或负载各相的电压称为相电压,端线之间的电压称为线电压;流过电源或负载各相的电流称为相电流,流过各端线的电流称为线电流。星形联结时,各相电压源的负极连在一起称为三相电源的中性点或零点。各相负载的一端接在一起称为负载的中性点或零点。电源的中性点与负载中性点的连线称为中性线或零线。流过中性线的电流称为中性线电流。2.三相负载的星形联结(三相四线制)U(A)V(B)W(C)NOIAIBICIOaxyczb3.三相负载的三角形联结...UaxIAIBICIABIBCU(A)V(B)W(C)ICAbyczVWou负载为三角形联结时,线电压等于相电压。当电源与负载对称时,线电流和相电流在数值上的关系为3LPII。四、实验设备1.DDSZ-1型电机及电气技术实验装置2.D42三相可调电阻器3.D33交流电压表4.D32交流电流表五、实验内容与步骤1.组接实验电路;2.三相四线制,三相负载为星形联结时,分别测量线电压、相电压、线电流、相电流,记录实验数据。表5-1三相负载情况UUVUVWUWUUUNUVNUWNIUIVIWIN负载对称173.3173.3175.5101.399.8101.60.1130.1060.1070U相开路174.1174.2176.3102.199.9101.900.1060.1070.1063.三相三线制,三相负载为星形联结时,分别测量线电压、相电...压、线电流、相电流,记录实验数据。表5-2三相负载情况UUVUVWUWUUUN'UVN'UWN'IUIVIW负载对称173.3173.4174.6101.4100.1101.60.1100.1070.107U相开路174.9174.1176.8101.999.9102.000.0910.092U相短路172.0174.2172.499.5100.0100.90.3130.1820.1804、三相三线制,三相负载为三角形联结时,分别测量线电流、相电流,记录实验数据。表5-3三相负载情况IUIVIWIUVIVWIWU负载对称0.1910.1800.1780.1920.1790.178UV相开路00.181000.1800六、实验结果与分析1.画出电路图,列出实验所得数据表格。A.三相四线制,三相负载为星形联结时,分别测量线电压、相电压、线电流、相电流,记录实验数据。(包括虚线)表5-1...三相负载情况UUVUVWUWUUUNUVNUWNIUIVIWIN负载对称173.3173.3175.5101.399.8101.60.1130.1060.1070U相开路174.1174.2176.3102.199.9101.900.1060.1070.106B三相三线制,三相负载为星形联结时,分别测量线电压、相电压、线电流、相电流,记录实验数据。(不包括虚线)表5-2三相负载情况UUVUVWUWUUUN'UVN'UWN'IUIVIW负载对称173.3173.4174.6101.4100.1101.60.1100.1070.107U相开路174.9174.1176.8101.999.9102.000.0910.092U相短路172.0174.2172.499.5100.0100.90.3130.1820.180C三相三线制,三相负载为三角形联结时,分别测量线电流、相电流,记录实验数据。...表5-3三相负载情况IUIVIWIUVIVWIWU负载对称0.1910.1800.1780.1920.1790.178UV相开路00.181000.18002.分析三相电路中线电压与相电压,线电流与相电流的关系,用实验测得的数据验证对称三相电路中的3关系。用实验数据和观察到的现象,总结三相四线供电系统中中线的作用。当三相负载不对称时,中线提供各相电流的回路。3.不对称三角形联接的负载,能否正常工作?实验是否能证明这一点?能...实验二一.实验目的1.学习、掌握用三瓦...

1、当您付费下载文档后,您只拥有了使用权限,并不意味着购买了版权,文档只能用于自身使用,不得用于其他商业用途(如 [转卖]进行直接盈利或[编辑后售卖]进行间接盈利)。
2、本站所有内容均由合作方或网友上传,本站不对文档的完整性、权威性及其观点立场正确性做任何保证或承诺!文档内容仅供研究参考,付费前请自行鉴别。
3、如文档内容存在违规,或者侵犯商业秘密、侵犯著作权等,请点击“违规举报”。

碎片内容

三相电路实验报告

您可能关注的文档

确认删除?
VIP
微信客服
  • 扫码咨询
会员Q群
  • 会员专属群点击这里加入QQ群
客服邮箱
回到顶部