电脑桌面
添加小米粒文库到电脑桌面
安装后可以在桌面快捷访问

津蓟、蓟平高速公路XXXX年维修加固工程3标段施工组织设VIP专享VIP免费

津蓟、蓟平高速公路XXXX年维修加固工程3标段施工组织设_第1页
1/31
津蓟、蓟平高速公路XXXX年维修加固工程3标段施工组织设_第2页
2/31
津蓟、蓟平高速公路XXXX年维修加固工程3标段施工组织设_第3页
3/31
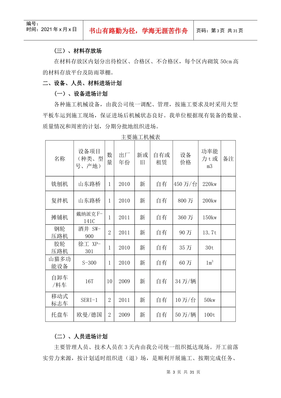
第1页共31页编号:时间:2021年x月x日书山有路勤为径,学海无涯苦作舟页码:第1页共31页津蓟、蓟平高速公路2013年维修加固工程3标段施工组织设计第2页共31页第1页共31页编号:时间:2021年x月x日书山有路勤为径,学海无涯苦作舟页码:第2页共31页第一章总体施工组织布置及规划第一节工程概况简述一、工程概况(一)、工程名称津蓟、蓟平高速公路2013年维修加固工程3标段。(二)、工程范围津蓟高速公路K67+820~K100+762段和蓟平高速公路全线K100+762~K116+300段。(三)、主要施工内容全线范围内路面(桥头接顺、挖补)及桥梁维修工程。二、工程各项标准(一)、工程质量标准工程质量要求:验收的质量评定:合格。(二)、工程工期标准工程工期要求:2013年4月25日~2013年8月15日,共计113日历天。(三)、安全目标加强“安全第一,预防为主”的意识,坚决杜绝因公亡人事故,年重伤率控制在0.06‰之内,严防高空坠落、火灾和交通等各类事故发生。第二节总体施工组织布置及规划一、施工现场平面布置(一)、项目经理部布置根据本工程施工组织机构的设置和管理需要,项目部办公区计划建在主线旁附近。项目经理部分为办公区、生活区、会议室、监理办公室,各个区域独立设置,自成系统。(二)、机械停放场在处理过的场地上,划分出各种机械的放置位置,尽量保证机械设备的进出顺畅,不会影响到现场施工。第3页共31页第2页共31页编号:时间:2021年x月x日书山有路勤为径,学海无涯苦作舟页码:第3页共31页(三)、材料存放场在材料存放区内划分出待检区、合格区、不合格区,每个区内砌筑50cm高的材料存放平台及防雨罩棚。二、设备、人员、材料进场计划(一)、设备进场计划各种施工机械设备,由我公司统一调配、管理,按施工要求及时采用大型平板车运到施工现场,保证进场后机械状态良好。我单位根据现有装备的数量、质量情况和周密的计划,分期分批地组织进场。主要施工机械表名称设备项目(种类、型号、产地)数量出厂年份新或旧自有或租赁设备价格功率能力t或m3备注铣刨机山东路桥12010新自有450万/台220kw复拌机山东路桥12010新自有800万200kw摊铺机戴纳派克F-141C12011新自有360万150kw钢轮压路机酒井SW-90022011新自有90万13.7t胶轮压路机徐工XP-30112010新自有35万30t山猫多功能设备S-30012010新自有60万1m3自卸车/料车16T102009新自有34万/辆移动式标志车SERI-122011新自有10万/台50kw托盘车欧曼/德国22009新自有50万/辆100t(二)、人员进场计划主要管理人员、技术人员在3天内由我公司统一组织抵达现场。开工前落实劳力来源,按计划适时组织进(退)场,是顺利开展施工、按期完成任务、第4页共31页第3页共31页编号:时间:2021年x月x日书山有路勤为径,学海无涯苦作舟页码:第4页共31页避免停工或窝工浪费的重要条件之一。(三)、材料进场计划高速公路路面维修工程需要大量材料,材料的品质、数量、以及能否及时供应是决定工程质量和工期的重要环节。做好材料的技术经济比较,择优选用,同时根据使用计划组织进场。三、项目管理班子配置(一)、主要管理成员组成说明在项目组织机构上设立项目经理、总工程师,组成项目部的领导班子,全权负责项目施工。下设7个职能部门,即工程计划部、物资设备部、技术质量部、安全环保部、经营财务部、综合办公室、中心试验室。在项目总部的基础上,下设维修工程施工分部(五个施工队)。(二)、本合同工程管理组织机构框图第5页共31页第4页共31页津蓟、蓟平高速公路2013年维修加固工程3标段项目经理部项目经理施工处机务科工程科办公室试验室材料科财务科安全科编号:时间:2021年x月x日书山有路勤为径,学海无涯苦作舟页码:第5页共31页说明:1项目经理:负责项目部全面工作,主要进行整体工作的协调管理和生产调度;2项目总工:全面负责工程技术方面的工作、施工进度的整体安排;3财务科:负责工程的费用核算等财务管理,保证工程用款的及时到位;4机务科:负责施工机械的日常管理;5工程科:负责工程技术方面的各项具体工作、施工进度的安排、工程计量等;6办公室:负责日常生活、事务接待等工作,并具体负责工程施工与地方各方面的协调工作;7施工处:...

1、当您付费下载文档后,您只拥有了使用权限,并不意味着购买了版权,文档只能用于自身使用,不得用于其他商业用途(如 [转卖]进行直接盈利或[编辑后售卖]进行间接盈利)。
2、本站所有内容均由合作方或网友上传,本站不对文档的完整性、权威性及其观点立场正确性做任何保证或承诺!文档内容仅供研究参考,付费前请自行鉴别。
3、如文档内容存在违规,或者侵犯商业秘密、侵犯著作权等,请点击“违规举报”。

碎片内容

津蓟、蓟平高速公路XXXX年维修加固工程3标段施工组织设

确认删除?
VIP
微信客服
  • 扫码咨询
会员Q群
  • 会员专属群点击这里加入QQ群
客服邮箱
回到顶部