电脑桌面
添加小米粒文库到电脑桌面
安装后可以在桌面快捷访问

汽车库、修车库、停车场防火设计规范VIP免费

汽车库、修车库、停车场防火设计规范_第1页
1/15
汽车库、修车库、停车场防火设计规范_第2页
2/15
汽车库、修车库、停车场防火设计规范_第3页
3/15
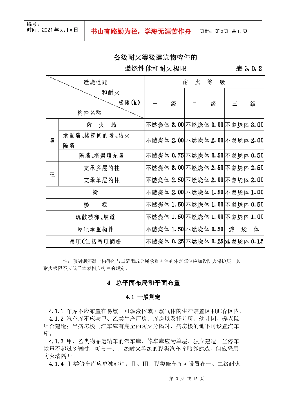
第1页共15页编号:时间:2021年x月x日书山有路勤为径,学海无涯苦作舟页码:第1页共15页中华人民共和国国家标准汽车库、修车库、停车场设计防火规范Codeforfireprotectiondesignofgarage,motor-repair-shopandparking-areaGB50067-97主编部门:中华人民共和国公安部批准部门:中华人民共和国建设部施行日期:1998年5月1日1总则1.0.1为了防止和减少火灾对汽车库、修车库、停车场的危害,保护人身和财产的安全,制定本规范。1.0.2本规范适用于新建、扩建和改建的汽车库、修车库、停车场(以下统称车库)防火设计,不适用于消防站的车库防火设计。1.0.3车库的防火设计,必须从全局出发,做到安全适用、技术先进、经济合理。1.0.4车库的防火设计除应执行本规范外,尚应符合国家现行的有关设计标准和规范的要求。2术语2.0.1汽车库garage停放由内燃机驱动且无轨道的客车、货车、工程车等汽车的建筑物。2.0.2修车库motorrepairshop保养、修理由内燃机驱动且无轨道的客车、货车、工程车等汽车的建(构)筑物。2.0.3停车场parkingarea停放由内燃机驱动且无轨道的客车、货车、工程车等汽车的露天场地和构筑物。2.0.4地下汽车库undergroundgarage室内地坪面低于室外地坪面高度超过该层车库净高一半的汽车库。2.0.5高层汽车库high-risegarage建筑高度超过24m的汽车库或设在高层建筑内地面以上楼层的汽车库。2.0.6机械式立体汽车库mechanicalandstereoscopicgarage室内无车道且无人员停留的、采用机械设备进行垂直或水平移动等形式停放汽第2页共15页第1页共15页编号:时间:2021年x月x日书山有路勤为径,学海无涯苦作舟页码:第2页共15页车的汽车库。2.0.7复式汽车库compoundgarage室内有车道、有人员停留的,同时采用机械设备传送,在一个建筑层里叠2~3层存放车辆的汽车库。2.0.8敞开式汽车库opengarage每层车库外墙敞开面积超过该层四周墙体总面积的25%的汽车库。3防火分类和耐火等级3.0.1车库的防火分类应分为四类,并应符合表3.0.1的规定。注:汽车库的屋面亦停放汽车时,其停车数量应计算在汽车库的总车辆数内。3.0.2汽车库、修车库的耐火等级应分为三级。各级耐火等级建筑物构件的燃烧性能和耐火极限均不应低于表3.0.2的规定。3.0.3地下汽车库的耐火等级应为一级。甲、乙类物品运输车的汽车库、修车库和Ⅰ、Ⅱ、Ⅲ类的汽车库、修车库的耐火等级不应低于二级。Ⅳ类汽车库、修车库的耐火等级不应低于三级。注:甲、乙类物品的火灾危险性分类应按现行的国家标准《建筑设计防火规范》的规定执行。第3页共15页第2页共15页编号:时间:2021年x月x日书山有路勤为径,学海无涯苦作舟页码:第3页共15页注:预制钢筋凝土构件的节点缝隙或金属承重构件的外露部位应加设防火保护层,其耐火极限不应低于本表相应构件的规定。4总平面布局和平面布置4.1一般规定4.1.1车库不应布置在易燃、可燃液体或可燃气体的生产装置区和贮存区内。4.1.2汽车库不应与甲、乙类生产厂房、库房以及托儿所、幼儿园、养老院组合建造;当病房楼与汽车库有完全的防火分隔时,病房楼的地下可设置汽车库。4.1.3甲、乙类物品运输车的汽车库、修车库应为单层、独立建造。当停车数量不超过3辆时,可与一、二级耐火等级的Ⅳ类汽车库贴邻建造,但应采用防火墙隔开。4.1.4Ⅰ类修车库应单独建造;Ⅱ、Ⅲ、Ⅳ类修车库可设置在一、二级耐火第4页共15页第3页共15页编号:时间:2021年x月x日书山有路勤为径,学海无涯苦作舟页码:第4页共15页等级的建筑物的首层或与其贴邻建造,但不得与甲、乙类生产厂房、库房、明火作业的车间或托儿所、幼儿园、养老院、病房楼及人员密集的公共活动场所组合或贴邻建造。4.1.5为车库服务的下列附属建筑,可与汽车库、修车库贴邻建造,但应采用防火墙隔开,并应设置直通室外的安全出口:4.1.5.1贮存量不超过1.0t的甲类物品库房;4.1.5.2总安装容量不超过5.0m³/h的乙炔发生器间和贮存量不超过5个标准钢瓶的乙炔气瓶库;4.1.5.3一个车位的喷漆间;4.1.5.4面积不超过50m²的充电间和其他甲类生产的房间。4.1.6地下汽车库内不应设置修理车位、喷漆间、充电间、乙炔间和甲、乙类物品贮存室...

1、当您付费下载文档后,您只拥有了使用权限,并不意味着购买了版权,文档只能用于自身使用,不得用于其他商业用途(如 [转卖]进行直接盈利或[编辑后售卖]进行间接盈利)。
2、本站所有内容均由合作方或网友上传,本站不对文档的完整性、权威性及其观点立场正确性做任何保证或承诺!文档内容仅供研究参考,付费前请自行鉴别。
3、如文档内容存在违规,或者侵犯商业秘密、侵犯著作权等,请点击“违规举报”。

碎片内容

汽车库、修车库、停车场防火设计规范

确认删除?
VIP
微信客服
  • 扫码咨询
会员Q群
  • 会员专属群点击这里加入QQ群
客服邮箱
回到顶部