电脑桌面
添加小米粒文库到电脑桌面
安装后可以在桌面快捷访问

汽车尾灯课程设计VIP免费

汽车尾灯课程设计_第1页
1/18
汽车尾灯课程设计_第2页
2/18
汽车尾灯课程设计_第3页
3/18
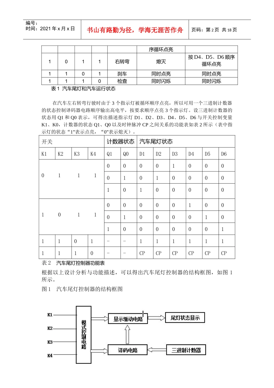
第1页共18页编号:时间:2021年x月x日书山有路勤为径,学海无涯苦作舟页码:第1页共18页目录一、设计课题任务和要求………………………………2二、总体方案选择的论证………………………………2三、单元电路的设计……………………………………4四、总体电路图、功能单元电路图……………………6五、组装与调试…………………………………………9六、所设计电路的特点以及改进意见……………………11七、所用元器件的编号列表………………………………11八、参考文献………………………………………………11九、收获、体会和建议……………………………………12十、附录……………………………………………………12一、设计课题任务和要求本课题设计一个汽车LED尾灯的控制器电路。该电路由四个电键控制,分别对应着左转、右转、刹车和检查功能。当接通左转或右转电键时,左侧或右侧的3个汽车尾灯按照左循环或右循环的顺序依次点亮。当接通刹车电键时,汽车所有的尾灯点亮。当接通检查电键时,汽车所有的尾灯同时闪烁(0.5—1S/次)。二、总体方案选择的论证为了区分汽车尾灯的4种不同的显示模式,我们设置4个状态控制变量。假定用开关K1、K2、K3、K4进行显示模式控制,可列出汽车尾灯显示状态与汽车运行状态的关系,如下表1所示。开关控制汽车状态左尾灯D1、D2、D3右尾灯D4、D5、D6K1K2K3K40111左转弯按D3、D2、D1顺熄灭第2页共18页第1页共18页编号:时间:2021年x月x日书山有路勤为径,学海无涯苦作舟页码:第2页共18页序循环点亮1011右转弯熄灭按D4、D5、D6顺序循环点亮1101刹车同时点亮同时点亮1110检查同时闪烁同时闪烁表1汽车尾灯和汽车运行状态在汽车左右转弯行驶时由于3个指示灯被循环顺序点亮,所以可用一个三进制计数器的状态控制译码器电路顺序输出高电平,按要求顺序点亮3个指示灯。设三进制计数器的状态用Q1和Q0表示,可得出描述指示灯D1、D2、D3、D4、D5、D6与开关控制变量K1、K0,计数器的状态Q1、Q0以及时钟脉冲CP之间关系的功能表如表2所示(表中指示灯的状态“1”表示点亮,“0”表示熄灭)。开关计数器状态汽车尾灯状态K1K2K3K4Q1Q0D1D2D3D4D5D6011100001000010100001010000010110000010001000010100000011101--1111111110--CPCPCPCPCPCP表2汽车尾灯控制器功能表根据以上设计分析与功能描述,可以得出汽车尾灯控制器的结构框图,如图1所示。图1汽车尾灯控制器的结构框图第3页共18页第2页共18页编号:时间:2021年x月x日书山有路勤为径,学海无涯苦作舟页码:第3页共18页三、单元电路的设计3.1秒脉冲电路的设计由555定时器构成的多谐振荡器。由于555定时器内部的比较器灵敏度高,输出驱动电流大,功能灵活,而且采用差分电路形式,它的振荡频率受电源电压和温度的影响很小。所以由555定时器构成的多谐振荡器的振荡频率稳定,不易受干扰。根据多谐振荡器周期表达式,可取、、,可使TS。3.2三进制计数器电路的设计三进制计数器的状态表如下表所示。三进制计数器的状态表现态次态Q1Q0Q1Q0000101101000上表状态所对应的驱动方程为:由D触发器构成的三进制计数器:两个D触发器可由一片双D触发器74LS74芯片实现,以及74LS00与非门和74LS04非门来实现此电路。3.3开关控制电路的设计设译码器与显示驱动电路的使能控制信号为G1和F,G1与译码器74LS138的使能输入端G1相连接,F与显示驱动电路中与非门的一个输入端相连接。由总体逻辑功能可知,G1和F与开关控制变量,K1、K2以及时钟脉冲CP之间的关系如表3所示。第4页共18页第3页共18页编号:时间:2021年x月x日书山有路勤为径,学海无涯苦作舟页码:第4页共18页表3使能控制信号与开关控制变量、时钟脉冲的关系3.4译码及显示驱动电路设计开关控制时钟脉冲使能信号控制端电路工作状态K1K2K3K4CPCG1F0111-011汽车左转弯行驶(此时译码器在计数器控制下工作,显示驱动电路中的与非门输出取决于译码器输出,左侧尾灯D1、D2、D3在译码器输出作用下顺序循环点亮)1011-111汽车右转弯行驶(此时译码器在计数器控制下工作,显示驱动电路中的与非门输出取决于译码器输出,右侧尾灯D4、D5、D6在译码器输出作用下顺序循环点亮)1101--00汽...

1、当您付费下载文档后,您只拥有了使用权限,并不意味着购买了版权,文档只能用于自身使用,不得用于其他商业用途(如 [转卖]进行直接盈利或[编辑后售卖]进行间接盈利)。
2、本站所有内容均由合作方或网友上传,本站不对文档的完整性、权威性及其观点立场正确性做任何保证或承诺!文档内容仅供研究参考,付费前请自行鉴别。
3、如文档内容存在违规,或者侵犯商业秘密、侵犯著作权等,请点击“违规举报”。

碎片内容

汽车尾灯课程设计

确认删除?
VIP
微信客服
  • 扫码咨询
会员Q群
  • 会员专属群点击这里加入QQ群
客服邮箱
回到顶部