电脑桌面
添加小米粒文库到电脑桌面
安装后可以在桌面快捷访问

洛铜集团阳光华苑二期11楼施工组织设计(方案)VIP免费

洛铜集团阳光华苑二期11楼施工组织设计(方案)_第1页
1/68
洛铜集团阳光华苑二期11楼施工组织设计(方案)_第2页
2/68
洛铜集团阳光华苑二期11楼施工组织设计(方案)_第3页
3/68
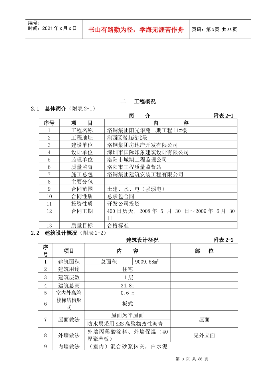
第1页共68页编号:时间:2021年x月x日书山有路勤为径,学海无涯苦作舟页码:第1页共68页一编制依据1.1工程合同(附表1-1)工程合同附表1-1序号合同名称编号签定日期1工程总承包合同年月日1.2工程施工图纸(附表1-2)工程施工图纸附表1-2序号图纸名称图纸编号出图日期1建筑图建施1~建施112008年05月2结构图结施1~结施142008年05月3水图水施1~水施2008年05月4暖通图暖施1~暖施2008年05月5电气图电施1~电施2008年05月1.3工程应用的主要规范、规程(附表1-3)主要规程、规范附表1-3序号类别规范、规程名称编号备注1国家建筑结构荷载规范GB50009-20012国家混凝土结构设计规范GB50010-20023国家建筑抗震设计规范GB50011-20014国家建筑地基基础设计规范GB50007-20025国家地下工程防水设计规范GB50108-20016国家建筑设计防火规范GB50016-20067国家高层建筑箱形与筏形基础技术规范JGJ6-998国家高层建筑混凝土结构技术规程JGJ3-20029行业冷轧带肋钢筋混凝土结构技术规范JGJ95-200310行业施工现场临时用电安全技术规范JGJ46-200511行业钢筋焊接及验收规程JGJ18-200312行业钢筋焊接接头实验方法JGJ27-8613行业钢筋机械连接通用技术规程JGJ107-200314行业砼泵送施工技术规程JGJ/T10-9515行业建筑工程冬期施工规程JGJ104-9716行业砼外加剂应用技术规范GB50119-20031.4工程应用的主要图集(附表1-4)主要图集附表1-4序号类别图集名称编号备注1国标建筑物抗震构造详图03G3292国标混凝土结构施工图平面整体表示法制图规则和构造详图03G101-13国标混凝土结构施工图平面整体表示方法制图规则和规则详图(现浇混凝土板式楼梯)03G101-2第2页共68页第1页共68页编号:时间:2021年x月x日书山有路勤为径,学海无涯苦作舟页码:第2页共68页4国标混凝土结构施工图平面整体表示方法制图规则和规则详图(筏型基础)03G101-35国标混凝土结构施工图平面整体表示方法制图规则和规则详图(现浇混凝土板式屋面与楼面)04G101-46国标钢筋混凝土过梁03G322-17省标工程用料做法05YJ18省标外墙外保温构造图集05YJ3-19省标加气混凝土墙05YJ3-410省标木门05YJ4-111省标塑钢门窗05YJ4-112省标平屋面05YJ5-113省标外装修及配件05YJ614省标内装修及配件05YJ715省标楼梯05YJ816省标室外工程05YJ9-117省标住宅厨房05YJ11-118省标住宅卫生间05YJ11-219省标住宅厨房卫生间导流式排气道05YJ11-320省标建筑无障碍设计03J9261.5工程应用的主要标准(附图1-5)主要标准附表1-5序号类别标准名称编号备注国标建筑地基基础设计规范GB5007-20021国标建筑工程质量检验评定统一标准GB50300-20012国标砼质量控制标准GB50164-923国标砼强度检验评定标准GBJ107-874国标建筑施工安全检查评定标准JGJ59-995国标建筑采暖、卫生与煤气工程质量检验评定标准GBJ302-886国标建筑电气安装工程质量检验评定标准GBJ303-887国标建筑安装工程质量检验评定统一标准GBJ300-881.6工程应用的主要法规(附表1-6)主要法规附表1-6序号类别法规名称编号备注1国家建筑法2国家环境保护法3国家建筑工程质量管理条例4企业建筑安全法规及文件汇编第3页共68页第2页共68页编号:时间:2021年x月x日书山有路勤为径,学海无涯苦作舟页码:第3页共68页二工程概况2.1总体简介(附表2-1)简介附表2-1序号项目内容1工程名称洛铜集团阳光华苑二期工程11#楼2工程地址涧西区嵩山路北段3建设单位洛铜集团房地产开发有限公司4设计单位深圳市国际印象建筑设计有限公司5监理单位洛阳市城翔工程监理公司6质量监督洛阳市工程质量监督站7施工总包洛铜集团建筑安装工程有限公司8主要分包9合同范围土建、水、电(强弱电)10合同性质总承包合同11投资性质开发公司投资12合同工期400日历天,2008年5月30日~2009年6月30日13质量目标合格标准2.2建筑设计概况(附表2-2)建筑设计概况附表2-2序号项目内容部位1建筑面积总面积9009.68m22建筑用途住宅3建筑层数11层4建筑总高34.8m5室内外高差0.6m6楼梯结构形式板式7屋面做法屋面为平屋面屋面防水层采用SBS高聚物改性沥青8外墙做法外墙丙稀酸涂料、外墙保温(40厚聚苯板)见外立面9内墙做法(室内)混合砂浆抹灰,白水泥第4页共68页第3页共68页...

1、当您付费下载文档后,您只拥有了使用权限,并不意味着购买了版权,文档只能用于自身使用,不得用于其他商业用途(如 [转卖]进行直接盈利或[编辑后售卖]进行间接盈利)。
2、本站所有内容均由合作方或网友上传,本站不对文档的完整性、权威性及其观点立场正确性做任何保证或承诺!文档内容仅供研究参考,付费前请自行鉴别。
3、如文档内容存在违规,或者侵犯商业秘密、侵犯著作权等,请点击“违规举报”。

碎片内容

洛铜集团阳光华苑二期11楼施工组织设计(方案)

确认删除?
VIP
微信客服
  • 扫码咨询
会员Q群
  • 会员专属群点击这里加入QQ群
客服邮箱
回到顶部