电脑桌面
添加小米粒文库到电脑桌面
安装后可以在桌面快捷访问

汽车工程实验指导书VIP免费

汽车工程实验指导书_第1页
1/56
汽车工程实验指导书_第2页
2/56
汽车工程实验指导书_第3页
3/56
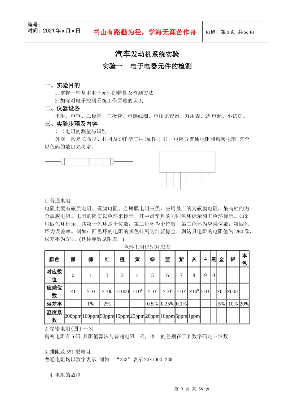
《汽车工程实验》实验指导书主编:施卫参编:谷兰俊范鑫胡淳主审:贝绍轶江苏技术师范学院机械系2004年11月第2页共56页编号:时间:2021年x月x日书山有路勤为径,学海无涯苦作舟页码:第2页共56页目录发动机系统实验实验一电子电器元件的检测―――――――――――――3实验二节气门位置传感器的性能实验―――――――――7实验三节气门控制器性能实验――――――――――――11实验四可变脉冲信号器的研制――――――――――――15实验五桑塔纳点火系统的检测――――――――――――17实验六1UZ-FE2000GSI发动机控制系统故障诊断――――21实验七2000GSI发动机控制系统故障诊断―――――――24实验八电控系统波形测试――――――――――――――26自动变速器系统实验实验一自动变速器动态演示实验―――――――――――28实验二自动变速器液压和电控系统实验―――――――30实验三自动变速器故障诊断实验―――――――――――32制动防抱死(ABS)系统实验实验一防抱死制动系统的自诊断与检测――――――――35汽车整车性能实验实验一汽车加速性能实验――――――――――――53试验二汽车等速百公里燃料消耗量―――――――――56实验三汽车制动性能试验――――――――――――59第3页共56页第2页共56页编号:时间:2021年x月x日书山有路勤为径,学海无涯苦作舟页码:第3页共56页汽车发动机系统实验实验一电子电器元件的检测一、实验目的l.掌握一些基本电子元件的特性及检测方法2.加深对电子控制系统工作原理的认识二、仪器设各电阻、电容、二极管、三极管、电感线圈、电压比较器、万用表、2V电源、小试灯。三、实验步骤及内容(一)电阻的测量与识别外观一般是长条型、排阻及SMT型三种(如图1-l)。电阻分普通电阻和精密电阻,完全以色码的数目来决定。l.普通电阻电阻主要有碳质电阻、碳膜电阻、金属膜电阻三类,应用最广的为碳膜电阻,最高档的为金属膜电阻。电阻的阻值以色环来标示,其中最常见的为四色环标示和五色环标示。如采用四色环标示,其第一色环是十位数,第二色环为个位数,第三色环为应乘位数,第四色环为误差率。例如:四色环的电阻的颜色排列为红蓝棕金,则这只电阻的电阻值为260欧,误差率为5%。(具体参数见附表。)色环电阻识别对应表颜色黑棕红橙黄绿蓝紫灰白黑金银本色对应数值01334567890应乘位数×1×10×100×1000×104×105×106×107×108×109×0.1×0.01误差率1%2%0.5%0.25%0.1%5%10%20%温度系数200ppm100ppm50ppm15ppm25ppm20ppm10ppm5ppm1ppm2.精密电阻(图l一3)精密电阻有5码,其阻值算法与普通电阻一样,唯一的差别在于其数字码是三位数。3.排阻及SMT型电阻普通电阻均以数字表示,例如:“233”表示23X1000=23K4.电阻的故障第4页共56页第3页共56页编号:时间:2021年x月x日书山有路勤为径,学海无涯苦作舟页码:第4页共56页电阻的故障有三种:(l)短路;(2)断路;(3)阻值变化测试方法:须将该电阻一脚拆除井用万用表的欧姆档去测量,注意手指千万不要碰到测棒导体部分,以免形成负载效应。(二)电容的测量电容很多种,如电解质电容、云母电容、陶质电容等,其单位为法拉(F)。其原理是利用两极的介质效应使电能储存或释放,如BMW的SRS就是用电容的瞬间放电来引爆AⅠRBAG的,而有些电脑内有用电容来稳压或滤波的。一般其特性是两极完全高阻抗(近百KO级或MO级)。电容一般是漏电现象的故障,严重时会造成短路,测试方法是将万用表档位置于电阻档''M"或''10M"位置,测量时数字应由小变大,若有漏电现象时,电容内阻就会很小,可能只有几百欧姆或几千欧姆而已。测量电容时可以不分正负脚,但电容本身必须先放电(利用12V灯泡,不可直接短路,以免伤害电容本身)。(三)二极管D(稳压管ZD)的测量其故障现象是短路或开路两种,二极管D可以静态测试出来,而ZD的工作电压好坏就必须动态测试。测试时将欧姆表量程旋扭旋至Rx10或Rx1K档,然后将表的红、黑测试棒,分别接触二极管两端,如测得一个电阻大(几十~几万千欧),另一个电阻小(几十~几万欧),则说明二极管是好的;如果两次测得电阻都很小,说明二极管短路;如果两次测得电阻相差不大,说明二极管性能不好或已损坏。在两次测量中,电阻...

1、当您付费下载文档后,您只拥有了使用权限,并不意味着购买了版权,文档只能用于自身使用,不得用于其他商业用途(如 [转卖]进行直接盈利或[编辑后售卖]进行间接盈利)。
2、本站所有内容均由合作方或网友上传,本站不对文档的完整性、权威性及其观点立场正确性做任何保证或承诺!文档内容仅供研究参考,付费前请自行鉴别。
3、如文档内容存在违规,或者侵犯商业秘密、侵犯著作权等,请点击“违规举报”。

碎片内容

汽车工程实验指导书

中小学文库+ 关注
实名认证
内容提供者

精品资料应用尽有

确认删除?
VIP
微信客服
  • 扫码咨询
会员Q群
  • 会员专属群点击这里加入QQ群
客服邮箱
回到顶部