电脑桌面
添加小米粒文库到电脑桌面
安装后可以在桌面快捷访问

盛翔汽车修理公司管理信息系统开发VIP专享VIP免费

盛翔汽车修理公司管理信息系统开发_第1页
1/19
盛翔汽车修理公司管理信息系统开发_第2页
2/19
盛翔汽车修理公司管理信息系统开发_第3页
3/19
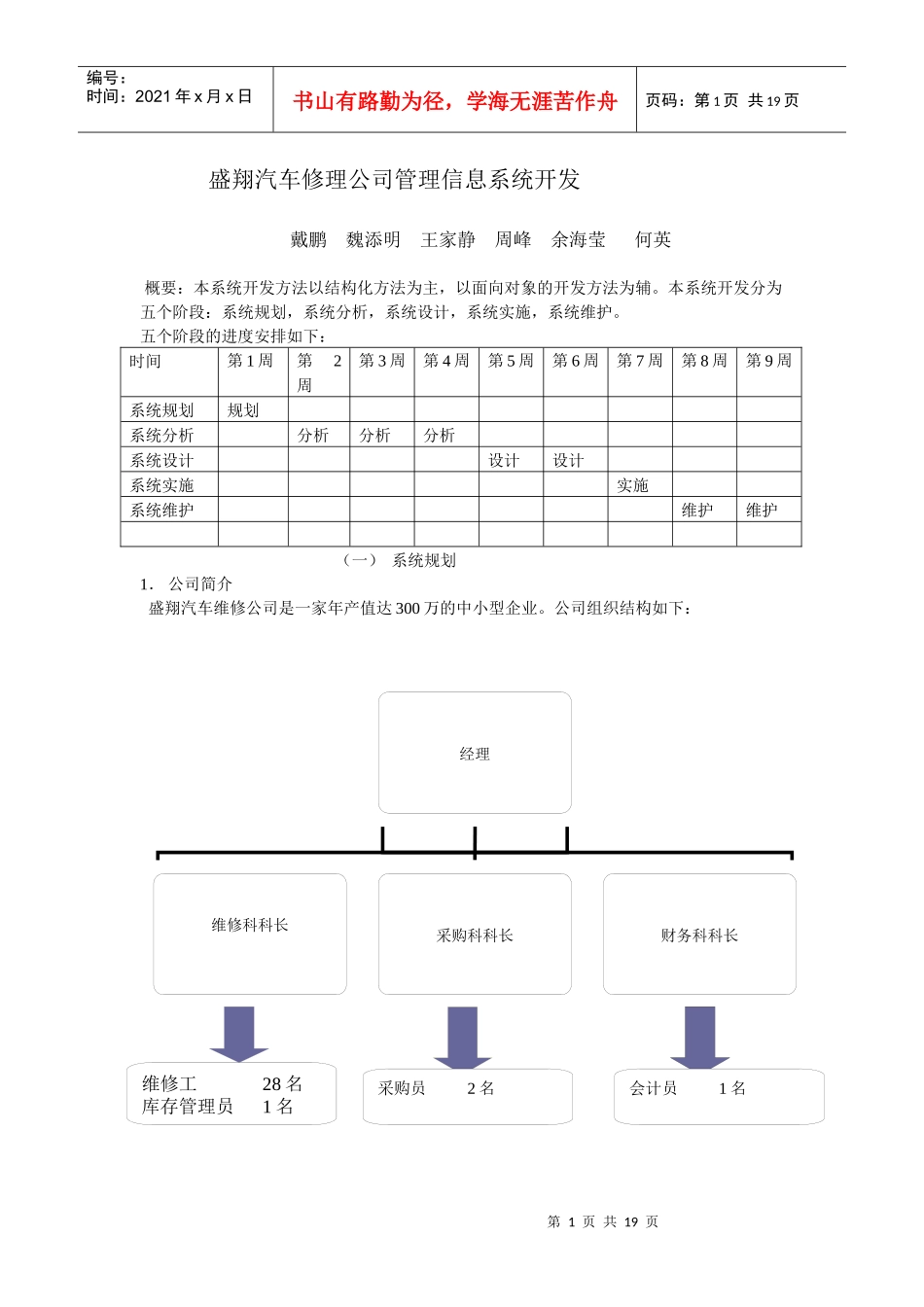
第1页共19页经理维修科科长采购科科长财务科科长编号:时间:2021年x月x日书山有路勤为径,学海无涯苦作舟页码:第1页共19页盛翔汽车修理公司管理信息系统开发戴鹏魏添明王家静周峰余海莹何英概要:本系统开发方法以结构化方法为主,以面向对象的开发方法为辅。本系统开发分为五个阶段:系统规划,系统分析,系统设计,系统实施,系统维护。五个阶段的进度安排如下:时间第1周第2周第3周第4周第5周第6周第7周第8周第9周系统规划规划系统分析分析分析分析系统设计设计设计系统实施实施系统维护维护维护(一)系统规划1.公司简介盛翔汽车维修公司是一家年产值达300万的中小型企业。公司组织结构如下:维修工28名库存管理员1名采购员2名会计员1名第2页共19页第1页共19页编号:时间:2021年x月x日书山有路勤为径,学海无涯苦作舟页码:第2页共19页2.行业背景我国汽车制造业以平均每年24.5%的速度高速增长,预计到2010年汽车保有量将达到5600万辆。2004年国家相继出台了《汽车产业发展政策》、《缺陷汽车产品召回管理规定》、《中华人民共和国道路交通安全法》、《汽车贷款管理办法》《乘用车燃料消耗限值》等政策法规。一系列政策的出台,更加刺激了汽车产业的发展。在汽车产业的带动下预计到2005年年底,汽车维修行业的产值可达400亿元。与汽车维修相关的汽车美容、汽车装饰、汽车养护项目也将会随之发展起来。据统计,在国外成熟的汽车市场销售额中,配件占39%,制造商占21%,零售占7%,服务占33%,而国内汽车市场销售额中配件占37%,制造商占43%,零售占8%,服务只占12%。目前国内汽车销售额中制造商的比重偏大,而服务的比重过小,汽车售后服务还有近10%的上升空间。目前,成都汽车保有量也已经超过百万大关!从以上资料可以看出,汽车维修行业还是有利可图的,发展前景还是非常好的。但我们不要忘了这是在成都——一个私家车拥有量占全国第二的城市,这会让很多人认为开一家汽车维修公司肯定是很赚钱的。目前,四川全省共有各类汽车维修企业22000家,从业人员13万余人.就成都市而言,就有5000多家汽车维修企业。这对成都的各家维修企业来说,竞争无疑是激烈的。机遇与挑战并存!如何保持生存,这正是许多汽车维修企业所最关注的。无疑,公司运用MIS进行系统性管理,改善业务流程,提高工作效率,降低管理费用成为了许多汽车维修企业所看好的提高自身竞争力的方法。盛翔汽车修理公司正是在这样的背景下,希望通过实施企业内部信息管理,以达到提高自身竞争力的目的。3.定义管理过程3.1资源及其生命周期盛翔公司的支持性资源是材料,资金,人员和设备;关键性资源是维修服务。其生命周期如下:支持性资源的生命周期(支持性资源:材料,资金,人员,设备等)支持性资源生命周期产生获得服务归宿人员人事计划招聘,调动培训解聘,退休材料需求计划采购,进库库存控制安装,退还资金财务计划,采购计划拨款,应收款银行业务,会计应付款设备更新计划采购维修,改装折旧,报废第3页共19页第2页共19页人员调配材料需求采购库存控制财务计划企业计划业务结算财务控制编号:时间:2021年x月x日书山有路勤为径,学海无涯苦作舟页码:第3页共19页关键性资源的生命周期(关键性资源:维修服务)产生获得服务归宿客户计划客户登记联系客户客户结帐故障预测人员调配故障检验故障报告材料需求库存查询材料采购材料领取维修计划人员调配安装材料安全检验3.2过程流程图通过上述的两个生命周期,同时结合公司的管理方式.方法绘制出盛翔公司的过程流程图(如下)。过程流程图客户客户管理报修检验,报告材料领取安装,检验客户工作计划第4页共19页第3页共19页编号:时间:2021年x月x日书山有路勤为径,学海无涯苦作舟页码:第4页共19页(二)系统分析数据流图以下四个图形分别表示数据流图的四个组成部分:外部实体,处理,数据流,数据存储。首先,图1-1概括出整个汽车维修系统的总体框架。如图所示,该系统主要有三个外部实体:客户、经理和税务部门;存储的数据也是三个方面:库存、财务和维修情况。第5页共19页第4页共19页编号:时间:2021年x月x日书山有路勤为径,学海无涯苦作舟页码:第5...

1、当您付费下载文档后,您只拥有了使用权限,并不意味着购买了版权,文档只能用于自身使用,不得用于其他商业用途(如 [转卖]进行直接盈利或[编辑后售卖]进行间接盈利)。
2、本站所有内容均由合作方或网友上传,本站不对文档的完整性、权威性及其观点立场正确性做任何保证或承诺!文档内容仅供研究参考,付费前请自行鉴别。
3、如文档内容存在违规,或者侵犯商业秘密、侵犯著作权等,请点击“违规举报”。

碎片内容

盛翔汽车修理公司管理信息系统开发

确认删除?
VIP
微信客服
  • 扫码咨询
会员Q群
  • 会员专属群点击这里加入QQ群
客服邮箱
回到顶部