电脑桌面
添加小米粒文库到电脑桌面
安装后可以在桌面快捷访问

第九章-SD09_订单处理流程VIP免费

第九章-SD09_订单处理流程_第1页
1/53
第九章-SD09_订单处理流程_第2页
2/53
第九章-SD09_订单处理流程_第3页
3/53
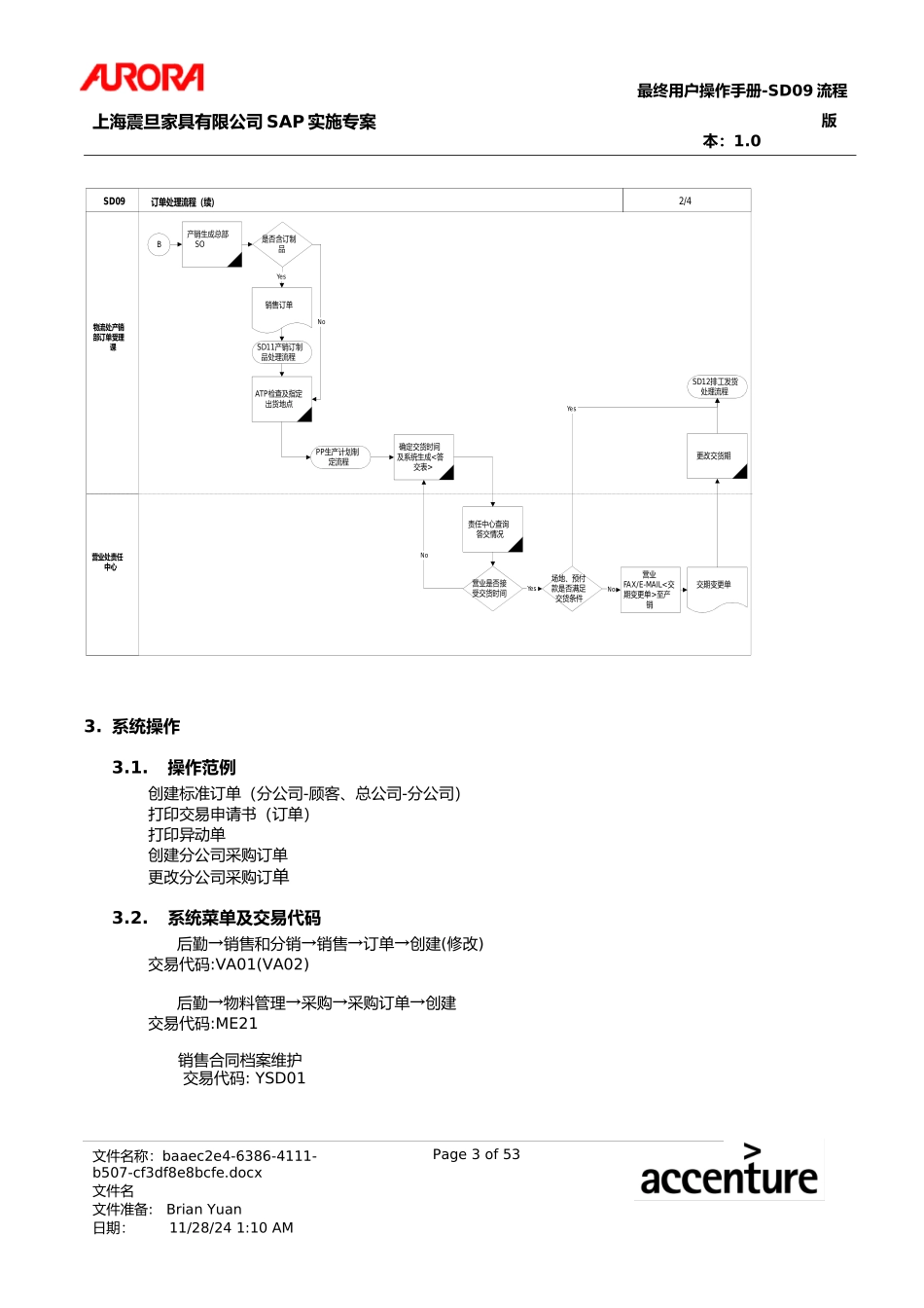
最终用户操作手册-SD09流程上海震旦家具有限公司SAP实施专案版本:1.0第九章-SD09_订单处理流程1.流程说明1.1.总述:该流程描述了营业生成订单至产销下单安排出货的全过程。因处理阶段不同,应切为营业处理段及产销处理段。注意事项:因分公司与总部分别为两个销售组织,故在两个销售组织中分别由营业助理与产销人员创建订单,并保持其完全一致性。1.2.流程重点:1、订单生成的系统操作2、订单进程中的状态查询1.3.操作要点:必须1、订单中合同编号必须输入,必须输入营业同仁信息,如是公绩,应输入责任中心虚拟的同仁编号。2、经权责主管签核之订单传真至产销部。3、责任中心助理在对订单保存后即在系统中生效,并将进入下一步骤。故在SAVE前必须仔细检查订单准确性。4、若销售商品为特销或促销商品则须在责任中心下单过程中,须在分公司对总公司的PO中将采购价格更改为特销或促销商品的转拨价。5、下单前可进入系统查询库存状况,以方便确定出货时间。原物料销售(例:布)对供应商销售:由产销创建订单对客户销售:由营业助理创建服务订单完成(SM模组)。6、产销对营业的答交由系统生成之答交表完成。营业对出货时间有疑义,则须在该表上相应栏位细写要求,并MAIL至产销部门。7、创建订单时,必须输入“订单原因”。不得1、在订单SAVE后对订单进行直接修改而不列印“异动单”。2、出货前临时取消出货必须检查该订单是否已过帐。若已经过帐则需用“销退”方式建立新的订单。1.4.单据流:营业(订单1)--营业(收预付款)--财务(入帐)--产销(订单1、2)--产销(答交)--营业(确认)--产销(出货)--成品(发货过帐、开票)--营业(收款)--财务(清帐)订单1为分公司-客户订单文件名称:baaec2e4-6386-4111-b507-cf3df8e8bcfe.docx文件名Page1of53文件准备:BrianYuan日期:11/28/241:10AM最终用户操作手册-SD09流程上海震旦家具有限公司SAP实施专案版本:1.0订单2为总公司-分公司订单、总公司对直接客户订单订单类型:订单1:一般订单、特销订单、销退单订单2:一般订单、特销订单、出口订单、销退单、出样展示、出样售出、出样退回、原物料销售互动表单:答交表(系统)销售合同档案维护—YSD01(系统)2.流程图文件名称:baaec2e4-6386-4111-b507-cf3df8e8bcfe.docx文件名Page2of53文件准备:BrianYuan日期:11/28/241:10AMSD08询报价流程是否符合交货导期签定购销合同购销合同SO生成(注明业绩拨补)系统自动PO生成NoYes是否符合交货导期E-MAIL或FAX《特殊个案照会单》至产销产销回复营业处理结果特殊个案照会单(特殊个案)YesNo预付款比率、售价比率是否满足交易条件权责主管审批《交易申请书》是否批准SO取消并注明REJECT原因YesNoYesSO(交易申请书)打印《交易申请书》NoA产销审单预付款比率、售价比率是否满足交易条件通知责任中心提交权责主管批准的《交易申请书》ANoBYesSD09营业处责任中心订单处理流程营业权责主管物流处产销部订单受理课SD10特殊个案照会流程特殊个案照会(单大案、特殊个案)SD10特殊个案照会流程1/4顾客预收款最终用户操作手册-SD09流程上海震旦家具有限公司SAP实施专案版本:1.03.系统操作3.1.操作范例创建标准订单(分公司-顾客、总公司-分公司)打印交易申请书(订单)打印异动单创建分公司采购订单更改分公司采购订单3.2.系统菜单及交易代码后勤→销售和分销→销售→订单→创建(修改)交易代码:VA01(VA02)后勤→物料管理→采购→采购订单→创建交易代码:ME21销售合同档案维护交易代码:YSD01文件名称:baaec2e4-6386-4111-b507-cf3df8e8bcfe.docx文件名Page3of53文件准备:BrianYuan日期:11/28/241:10AMSD11产销订制品处理流程ATP检查及指定出货地点产销生成总部SO是否含订制品YesNoBPP生产计划制定流程确定交货时间<及系统生成答>交表责任中心查询答交情况营业是否接受交货时间场地、预付款是否满足交货条件营业FAX/E-MAIL<交>期变更单至产销交期变更单更改交货期SD12排工发货处理流程YesNoYesNoSD09营业处责任中心订单处理流程(续)物流处产销部订单受理课销售订单2/4最终用户操作手册-SD09流程上海震旦家具有限公司SAP实施专案版本:1.0...

1、当您付费下载文档后,您只拥有了使用权限,并不意味着购买了版权,文档只能用于自身使用,不得用于其他商业用途(如 [转卖]进行直接盈利或[编辑后售卖]进行间接盈利)。
2、本站所有内容均由合作方或网友上传,本站不对文档的完整性、权威性及其观点立场正确性做任何保证或承诺!文档内容仅供研究参考,付费前请自行鉴别。
3、如文档内容存在违规,或者侵犯商业秘密、侵犯著作权等,请点击“违规举报”。

碎片内容

第九章-SD09_订单处理流程

确认删除?
VIP
微信客服
  • 扫码咨询
会员Q群
  • 会员专属群点击这里加入QQ群
客服邮箱
回到顶部