电脑桌面
添加小米粒文库到电脑桌面
安装后可以在桌面快捷访问

钢结构厂房课程设计VIP专享VIP免费

钢结构厂房课程设计_第1页
1/41
钢结构厂房课程设计_第2页
2/41
钢结构厂房课程设计_第3页
3/41
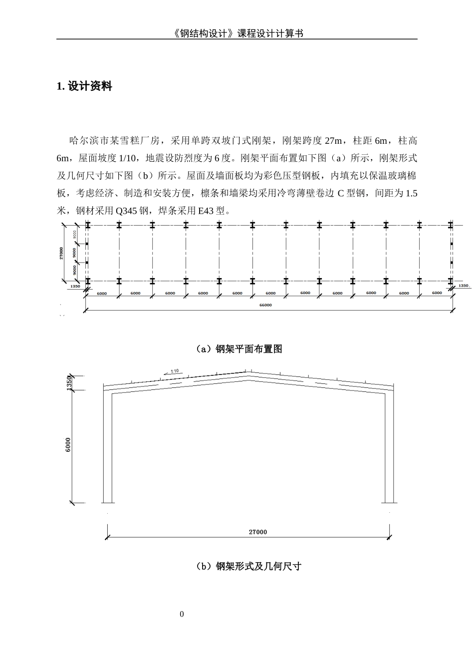
学号2011021111《钢结构设计》课程设计哈尔滨市某雪糕厂轻型门式刚架设计院(系)名称:航天与建筑工程学院专业名称:土木工程学生姓名:韩学彬指导教师:张建华副教授2014年6月《钢结构设计》课程设计计算书1.设计资料.....................................................................................................................................................12.荷载计算.....................................................................................................................................................21)荷载取值计算...................................................................................................................................22)各部分作用的荷载标准值计算.......................................................................................................33.内力分析......................................................................................................................................................41)在恒荷载作用下...............................................................................................................................42)在活荷载作用下...............................................................................................................................63)在风荷载作用下...............................................................................................................................84.内力组合....................................................................................................................................................155.刚架设计....................................................................................................................................................175.1截面设计.........................................................................................................................................175.2构件验算.........................................................................................................................................17(1)验算刚架柱在风荷载作用下的侧移.............................................................................17(2)构件宽厚比验算.................................................................................................................17(3)刚架梁的验算.....................................................................................................................18(4)刚架柱的验算.............................................................................................................................205.3节点验算.............................................................................................................................................23(1)梁柱连接节点:.................................................................................................................23(2)横梁跨中节点.....................................................................................................................25(3)柱脚设计.....................................................................................................................................276.其他构件设计............................................................................................................................................286.1檩条的设计.......................................................

1、当您付费下载文档后,您只拥有了使用权限,并不意味着购买了版权,文档只能用于自身使用,不得用于其他商业用途(如 [转卖]进行直接盈利或[编辑后售卖]进行间接盈利)。
2、本站所有内容均由合作方或网友上传,本站不对文档的完整性、权威性及其观点立场正确性做任何保证或承诺!文档内容仅供研究参考,付费前请自行鉴别。
3、如文档内容存在违规,或者侵犯商业秘密、侵犯著作权等,请点击“违规举报”。

碎片内容

钢结构厂房课程设计

确认删除?
VIP
微信客服
  • 扫码咨询
会员Q群
  • 会员专属群点击这里加入QQ群
客服邮箱
回到顶部