电脑桌面
添加小米粒文库到电脑桌面
安装后可以在桌面快捷访问

锡宜高速公路京杭运河大桥施工组织设计方案(2)VIP专享VIP免费

锡宜高速公路京杭运河大桥施工组织设计方案(2)_第1页
1/41
锡宜高速公路京杭运河大桥施工组织设计方案(2)_第2页
2/41
锡宜高速公路京杭运河大桥施工组织设计方案(2)_第3页
3/41
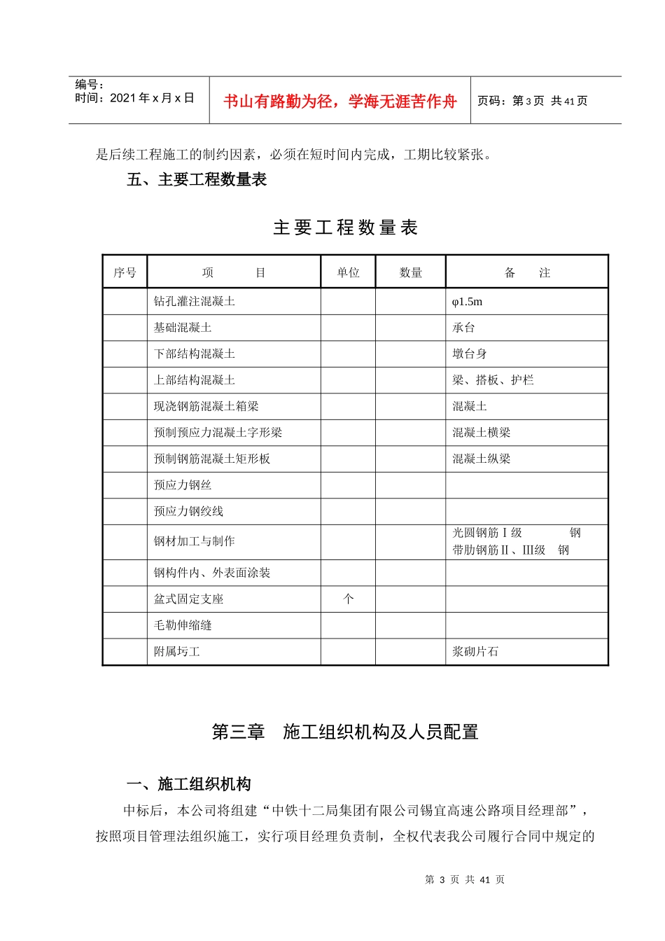
第1页共41页编号:时间:2021年x月x日书山有路勤为径,学海无涯苦作舟页码:第1页共41页表施工组织设计文字说明第一章编制综述一、编制依据(一)甲方(或建设单位、业主,均属同义语)正式发售给本投标人的招标文件、答疑书、补遗书及其它补充资料。(二)由招标文件明确的国家和交通部颁布的现行《公路设计规范》、《施工技术规范及规程》、《公路工程质量评定及验收标准》及《公路工程预算定额》。(三)通过踏勘工地从现场调查、采集、咨询所获取的资料。(四)招标单位在“标前会议”提出的有关要求。(五)本承包人拥有的科技成果、工法成果、机械机具设备、管理水平、技术装备以及多年积累的类似工程施工经验。(六)严格遵守当地政府在环境保护等方面的具体规定和要求,尊重与维护当地多年来约定俗成的乡规民约和风土人情。二、编制原则(一)遵守招标合同文件各项条款要求,认真贯彻落实业主、设计单位和监理工程师及其授权人士或代表的指示、指令和要求。(二)严格遵守招标文件明确的设计规范、施工技术规范和质量评定验收标准。(三)坚持在实事求是的基础上力求技术先进、科学合理、经济适用的原则。(四)自始至终对施工现场实施全员、全过程、全范围严密监控,坚持动静结合、科学管理的原则。(五)实行项目法管理,通过对劳务、设备、材料、资金、技术、施工方案和信息优化处置,实现安全、质量、工期、成本及社会信誉的预期目标。第二章工程概况第2页共41页第1页共41页编号:时间:2021年x月x日书山有路勤为径,学海无涯苦作舟页码:第2页共41页一、工程简介锡宜高速公路京杭运河大桥位于江苏省无锡市境内,属无锡至宜兴高速公路标段,起止里程为~,全桥长1.021Km,由两部分组成:第一部分为跨越京沪铁路石塘湾站的-75m下承式钢管混凝土刚架系杆拱桥及两端引桥,第二部分为跨越京杭大运河的-90m下承式钢管混凝土刚架系杆拱桥及其引桥,跨径组合为×××××-20m。引桥分别采用20m、20.6m、25m的现浇连续箱梁,基础采用钻孔灌注桩,桩径1.5m,桩深~85m,引桥主要采用直径1.2m、1.3m的双柱式桥墩,主桥采用板式桥墩,桥台采用板肋式桥台,台后设8m长搭板。二、自然条件本桥所过区域水系发达,地表覆盖第四系松散沉积层,结构松散,孔隙发育,透水性能良好,地下孔隙潜水水位埋深-3m。本地域属北亚热季风气候区,冬夏季长,春秋季短,夏季炎热多雨,冬季寒冷少雨。三、主要技术指标全桥分左右两线两幅桥设计,两桥桥面间距3.5m,主桥桥面净宽32.3m,引桥桥面净宽29m,设计荷载汽车一超,挂车,设计车速100Km/h,桥下净空:沪宁铁路6.75m,京杭大运河×8m。四、工程特点(一)跨越铁路及航道施工,施工干扰大。本桥跨越的石塘湾站设有股道既有线以及即将实施的新长线引入股道,其中股正线为沪宁铁路主干线,行车频率较大;京杭大运河为四级航道,属水上运输动脉,过往船舶较多,不宜封航。由于跨线及跨河施工干扰较大,必须与铁路及航运部门加强联系,施工时做好安全防护,才能确保大桥按期完工。(二)主桥采用缆索吊机施工,技术含量高,施工难度大。主桥分别为米和米刚架系杆拱,采用缆索吊机施工,由于缆索起重量较大,塔架、缆索及锚锭的设计与施工必须有一套科学的计算方法加以保证。(三)基础采用钻孔灌注桩,桩基深、数量多、工期紧张。主桥采用深~85m的钻孔灌注桩基础,共计根,引桥采用深~40m的钻孔灌注桩基础,共计根,钻孔桩穿越粘土层、亚粘土层,土层呈硬塑、软塑交错状。由于桩基第3页共41页第2页共41页编号:时间:2021年x月x日书山有路勤为径,学海无涯苦作舟页码:第3页共41页是后续工程施工的制约因素,必须在短时间内完成,工期比较紧张。五、主要工程数量表主要工程数量表序号项目单位数量备注钻孔灌注混凝土φ1.5m基础混凝土承台下部结构混凝土墩台身上部结构混凝土梁、搭板、护栏现浇钢筋混凝土箱梁混凝土预制预应力混凝土字形梁混凝土横梁预制钢筋混凝土矩形板混凝土纵梁预应力钢丝预应力钢绞线钢材加工与制作光圆钢筋Ⅰ级钢带肋钢筋Ⅱ、Ⅲ级钢钢构件内、外表面涂装盆式固定支座个毛勒伸缩缝附属圬工浆砌片石第三章施工组织机构及人员配...

1、当您付费下载文档后,您只拥有了使用权限,并不意味着购买了版权,文档只能用于自身使用,不得用于其他商业用途(如 [转卖]进行直接盈利或[编辑后售卖]进行间接盈利)。
2、本站所有内容均由合作方或网友上传,本站不对文档的完整性、权威性及其观点立场正确性做任何保证或承诺!文档内容仅供研究参考,付费前请自行鉴别。
3、如文档内容存在违规,或者侵犯商业秘密、侵犯著作权等,请点击“违规举报”。

碎片内容

锡宜高速公路京杭运河大桥施工组织设计方案(2)

确认删除?
VIP
微信客服
  • 扫码咨询
会员Q群
  • 会员专属群点击这里加入QQ群
客服邮箱
回到顶部