电脑桌面
添加小米粒文库到电脑桌面
安装后可以在桌面快捷访问

附件1-20-附件1招标需求VIP专享VIP免费

附件1-20-附件1招标需求_第1页
1/60
附件1-20-附件1招标需求_第2页
2/60
附件1-20-附件1招标需求_第3页
3/60
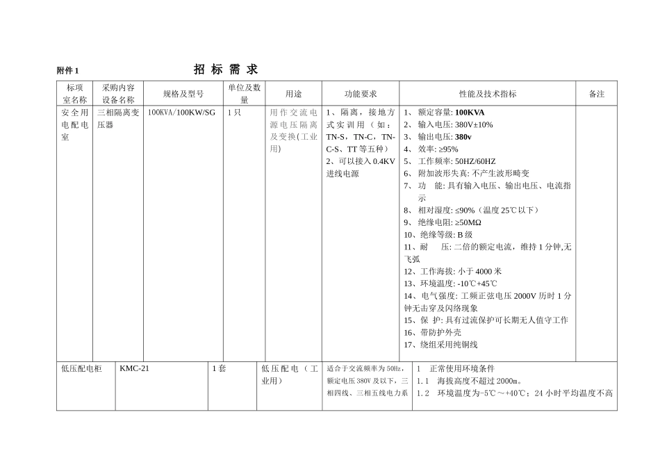
附件1招标需求标项室名称采购内容设备名称规格及型号单位及数量用途功能要求性能及技术指标备注安全用电配电室三相隔离变压器100KVA/100KW/SG1只用作交流电源电压隔离及变换(工业用)1、隔离,接地方式实训用(如:TN-S,TN-C,TN-C-S、TT等五种)2、可以接入0.4KV进线电源1、额定容量:100KVA2、输入电压:380V±10%3、输出电压:380v4、效率:≥95%5、工作频率:50HZ/60HZ6、附加波形失真:不产生波形畸变7、功能:具有输入电压、输出电压、电流指示8、相对湿度:≤90%(温度25℃以下)9、绝缘电阻:≥50MΩ10、绝缘等级:B级11、耐压:二倍的额定电流,维持1分钟,无飞弧12、工作海拔:小于4000米13、环境温度:-10℃+45℃14、电气强度:工频正弦电压2000V历时1分钟无击穿及闪络现象15、保护:具有过流保护可长期无人值守工作16、带防护外壳17、绕组采用纯铜线低压配电柜KMC-211套低压配电(工业用)适合于交流频率为50Hz,额定电压380V及以下,三相四线、三相五线电力系1正常使用环境条件1.1海拔高度不超过2000m。1.2环境温度为-5℃~+40℃;24小时平均温度不高统的动力配电、照明配电和电动机控制用于35℃。1.3相对湿度在40℃时不大于50%,在20℃允许为90%,但应考虑到由于温度的变化偶然产生的凝露。1.4无导电尘埃及化学腐蚀性气体,无火灾、爆炸危险、无剧烈震动。3结构特点3.1主要功能分类:进线、馈电、电动机控制。3.2主要组成部分:柜体、柜门(装仪表)、后封板、眉头、上进出线孔封板、母排、电器元件、母线夹板、绝缘支撑件、绝缘子、辅材等。3.3每个柜体6个支路,每个支路控制电流100A.3.4每个控制单元带有断电保护和电压指示4操作方式:正面操作。5安装方式:户内式、固定垂直安装。6进出线方式:动力配电柜的进出线电缆或封闭母线槽,出线位置上、下进出,并能适当调整。7主要结构数据7.1根据系统容量和开关大小,柜体宽度700m,柜体深度370mm,箱体高度1700mm。7.2产品由一个封闭的柜体构成,母线采用TMY硬铜排,水平母线置于柜顶部。7.3开关柜的保护电路由PE母排和导电的金属构件构成,N排置于柜底前部。7.4柜主构架采用角钢、冷扎板焊接而成。7.5采用喷塑作为表面防护涂层。附件2招标需求标项室名称采购内容设备名称规格及型号单位及数量用途功能要求性能及技术指标备注电工电子器材仪器综合仓库电工设备材料货架120×60×200cm40套教学用具、器件存储1、电气元件(如:接触器、继电器、熔断器、空气开关等)、材料存储,保管2、常规教学用具的存放,保管(如:电气元件安装板,导线,工具等)3、元器件存取方便1、5层货架、每层货架可以自由调整2、钢结构,搁板为钢板,材料表面喷塑(烤漆)。3、每层承重不低于200Kg。电子元件储藏柜H955×W610×D25540套教学用具、电子元器件存储1、具有一定的防尘、防潮功能,2、识别取用方便3、不易丢失损坏4、抽屉式(48屉)5、防静电1、抽屉式(48屉)2、外壳为钢制材料3、抽屉为塑料小推车950*950*480mm5辆教学用具、电子元器件搬运1.能搬运电气元件(如:接触器、继电器、熔断器、空气开关)、常规教学用具的(如:电气元件安装板)等。1.304不锈钢500附件4招标需求标项室名称采购内容设备名称规格及型号单位及数量用途功能要求性能及技术指标备注电拖装接实训室配电板60×80×2cm100块学生在电力拖动实训课中将元器件安装在配电板上进行实训能进行线路安装1、松木板制作配电板45×60×2cm100块能进行线路安装1、松木板制作交流接触器CJ20-10400只在电力拖动实训课使用1、实现电路的自动控制2、实现失压、欠压保护1、线圈电压:AC380V2、电流规格:10A3、极数:3极时间继电器JS7-2A100只1、按预定时间使被控制元件动作2、断电延时和通电延时通用1、线圈额定电压380V2、触头额定电压380V3、触头额定电流5A4、控制容量100VA数显式时间继电器JS14S100只1、按预定时间使被控制元件动作2、用拨码开关进行时间整定3、具有较高的延时精度和较强的抗干扰能力1、延时方式是通电延时2、触点容量220V3A3、工作电压12~380AC12~220DC24~48(AC/DC)4、延时时间0~999s标项室名称采购内容设备名称规格及型号单位及数量用途功能要求性能及技术指标备注电拖...

1、当您付费下载文档后,您只拥有了使用权限,并不意味着购买了版权,文档只能用于自身使用,不得用于其他商业用途(如 [转卖]进行直接盈利或[编辑后售卖]进行间接盈利)。
2、本站所有内容均由合作方或网友上传,本站不对文档的完整性、权威性及其观点立场正确性做任何保证或承诺!文档内容仅供研究参考,付费前请自行鉴别。
3、如文档内容存在违规,或者侵犯商业秘密、侵犯著作权等,请点击“违规举报”。

碎片内容

附件1-20-附件1招标需求

确认删除?
VIP
微信客服
  • 扫码咨询
会员Q群
  • 会员专属群点击这里加入QQ群
客服邮箱
回到顶部