电脑桌面
添加小米粒文库到电脑桌面
安装后可以在桌面快捷访问

人事管理系统数据库设计VIP免费

人事管理系统数据库设计_第1页
1/10
人事管理系统数据库设计_第2页
2/10
人事管理系统数据库设计_第3页
3/10
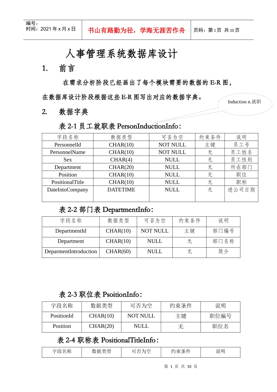
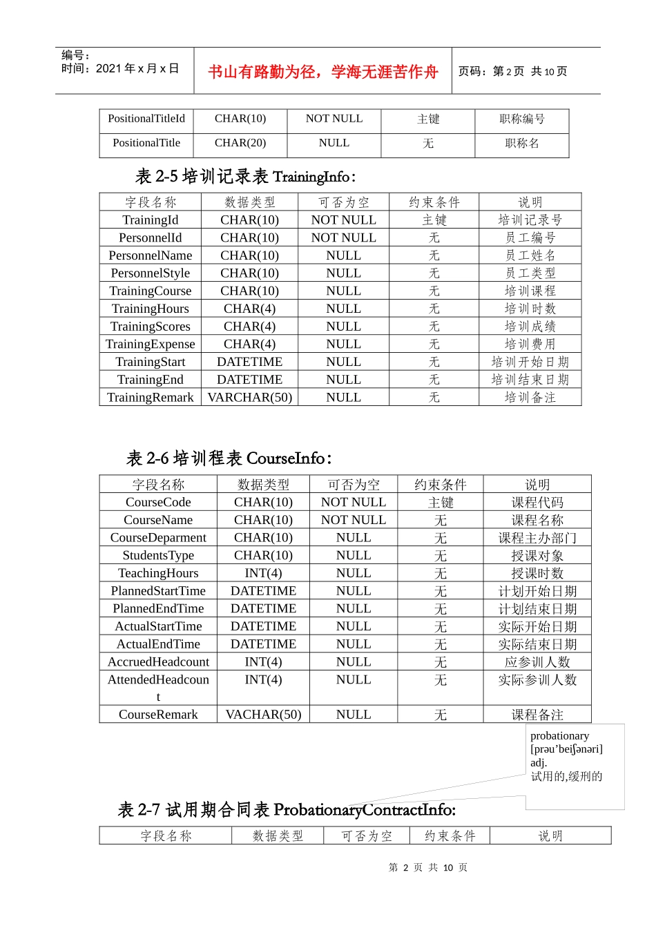
第1页共10页编号:时间:2021年x月x日书山有路勤为径,学海无涯苦作舟页码:第1页共10页人事管理系统数据库设计1.前言在需求分析阶段已经画出了每个模块需要的数据的E-R图,在数据库设计阶段根据这些E-R图写出对应的数据字典。2.数据字典表2-1员工就职表PersonInductionInfo:字段名称数据类型可否为空约束条件说明PersonnelIdCHAR(10)NOTNULL主键员工号PersonnelNameCHAR(10)NOTNULL无员工姓名SexCHAR(4)NULL无员工性别DepartmentCHAR(20)NULL无所在部门PositionCHAR(10)NULL无职位PositionalTitleCHAR(10)NULL无职称DateIntoCompanyDATETIMENULL无进公司日期表2-2部门表DepartmentInfo:字段名称数据类型可否为空约束条件说明DepartmentIdCHAR(10)NOTNULL主键部门编号DepartmentCHAR(10)NULL无部门名称DeparmentIntroductionCHAR(60)NULL无简介表2-3职位表PsoitionInfo:字段名称数据类型可否为空约束条件说明PositionIdCHAR(10)NOTNULL主键职位编号PositionCHAR(20)NULL无职位名表2-4职称表PositionalTitleInfo:字段名称数据类型可否为空约束条件说明Inductionn.就职第2页共10页第1页共10页编号:时间:2021年x月x日书山有路勤为径,学海无涯苦作舟页码:第2页共10页PositionalTitleIdCHAR(10)NOTNULL主键职称编号PositionalTitleCHAR(20)NULL无职称名表2-5培训记录表TrainingInfo:字段名称数据类型可否为空约束条件说明TrainingIdCHAR(10)NOTNULL主键培训记录号PersonnelIdCHAR(10)NOTNULL无员工编号PersonnelNameCHAR(10)NULL无员工姓名PersonnelStyleCHAR(10)NULL无员工类型TrainingCourseCHAR(10)NULL无培训课程TrainingHoursCHAR(4)NULL无培训时数TrainingScoresCHAR(4)NULL无培训成绩TrainingExpenseCHAR(4)NULL无培训费用TrainingStartDATETIMENULL无培训开始日期TrainingEndDATETIMENULL无培训结束日期TrainingRemarkVARCHAR(50)NULL无培训备注表2-6培训程表CourseInfo:字段名称数据类型可否为空约束条件说明CourseCodeCHAR(10)NOTNULL主键课程代码CourseNameCHAR(10)NOTNULL无课程名称CourseDeparmentCHAR(10)NULL无课程主办部门StudentsTypeCHAR(10)NULL无授课对象TeachingHoursINT(4)NULL无授课时数PlannedStartTimeDATETIMENULL无计划开始日期PlannedEndTimeDATETIMENULL无计划结束日期ActualStartTimeDATETIMENULL无实际开始日期ActualEndTimeDATETIMENULL无实际结束日期AccruedHeadcountINT(4)NULL无应参训人数AttendedHeadcountINT(4)NULL无实际参训人数CourseRemarkVACHAR(50)NULL无课程备注表2-7试用期合同表ProbationaryContractInfo:字段名称数据类型可否为空约束条件说明probationary[prəu’beiʃənəri]adj.试用的,缓刑的第3页共10页第2页共10页编号:时间:2021年x月x日书山有路勤为径,学海无涯苦作舟页码:第3页共10页ProbationaryIdCHAR(10)NOTNULL主键试用期合同编号PersonnelIdCHAR(10)NULL无员工编号PersonnelNameCHAR(10)NULL无员工姓名DepartmentCHAR(10)NULL无部门PositionalTitleCHAR(10)NULL无职称ProbationaryDaysINT(4)NULL无试用天数ProbationaryStartTimeDATETIMENULL无试用开始日期ProbationaryEndTimeDATETIMENULL无试用结束日期ProbationarySalaryINT(4)NULL无试用月薪表2-8正式合同表OficialContractInfo:字段名称数据类型可否为空约束条件说明OficialContractIdCHAR(10)NOTNULL主键正式合同编号PersonnelIdCHAR(10)NULL无员工编号PersonnelNameCHAR(10)NULL无员工姓名PositionCHAR(10)NULL无职位FirstStartTimeDATETIMENULL无首次签订日期FirstEndTimeDATETIMENULL无首次结束日期FirstContractTermINT(4)NULL无首次合同期限LastEndTimeDATETIMENULL无最后到期日期RenewTimesINT(4)NULL无续签次数RenewTotalMonthsINT(4)NULL无续签总月数ProbationaryDaysINT(4)NULL无试用天数TotalContractYearsINT(4)NULL无合同累计年数ProbationarySalaryINT(4)NULL无试用月薪OfficalSalaryINT(4)NULL无正式月薪DateIntoCompanyDATETIMENULL无进入公司日期第4页共10页第3页共10页编号:时间:2021年x月x日书山有路勤为径,学海无涯苦作舟页码...

1、当您付费下载文档后,您只拥有了使用权限,并不意味着购买了版权,文档只能用于自身使用,不得用于其他商业用途(如 [转卖]进行直接盈利或[编辑后售卖]进行间接盈利)。
2、本站所有内容均由合作方或网友上传,本站不对文档的完整性、权威性及其观点立场正确性做任何保证或承诺!文档内容仅供研究参考,付费前请自行鉴别。
3、如文档内容存在违规,或者侵犯商业秘密、侵犯著作权等,请点击“违规举报”。

碎片内容

人事管理系统数据库设计

您可能关注的文档

确认删除?
VIP
微信客服
  • 扫码咨询
会员Q群
  • 会员专属群点击这里加入QQ群
客服邮箱
回到顶部