电脑桌面
添加小米粒文库到电脑桌面
安装后可以在桌面快捷访问

大工19秋《土木工程实验(二)》实验报告VIP免费

大工19秋《土木工程实验(二)》实验报告_第1页
1/7
大工19秋《土木工程实验(二)》实验报告_第2页
2/7
大工19秋《土木工程实验(二)》实验报告_第3页
3/7
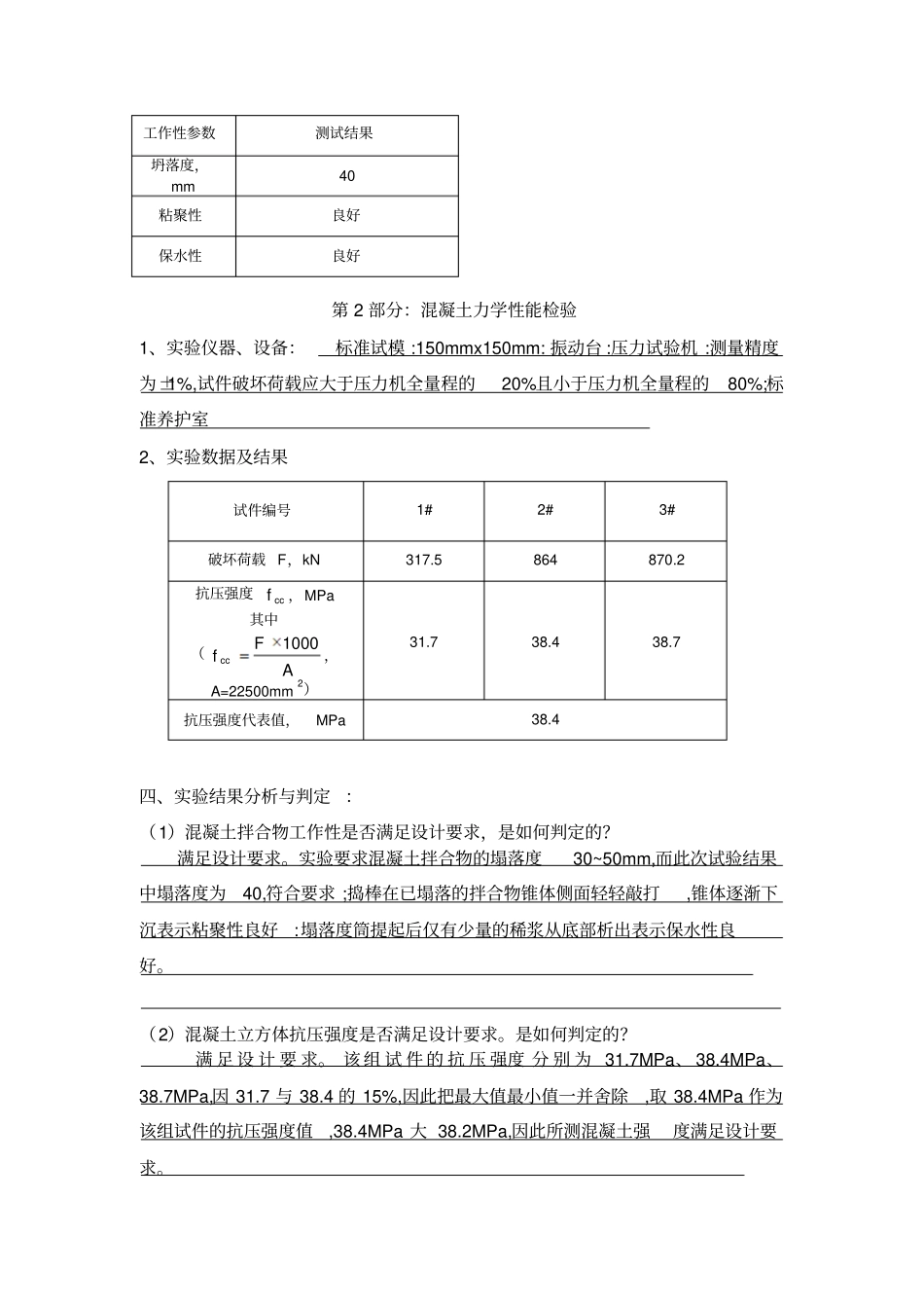
姓名:陈久祖院校学号:181018403002学习中心:宁德安鹏学习中心层次:专升本(高起专或专升本)专业:土木工程实验一:混凝土实验一、实验目的:1.熟悉混凝土的技术性质和成型养护方法;2掌握混凝土拌合物工作性的测试和评定方法;3通过检验混凝土的立方体抗压强度,掌握有关强度的评定方法.二、配合比信息:1.基本设计指标(1)设计强度等级C30(2)设计砼坍落度30~50mm2.原材料(1)水泥:种类复合硅酸盐水泥强度等级PC32.5Mpa(2)砂子:种类河砂细度模数2.6(3)石子:种类碎石粒级5~31.5mm连续级配(4)水:3.配合比:(kg/m3)材料水泥砂碎石水水灰比砂率1m3用量(kg)47560011252000.4235%称量精度±0.5%±1%±1%±0.5%----15L用量(kg)7.1259.016.87530.4235%三、实验内容:第1部分:混凝土拌合物工作性的测定和评价1、实验仪器、设备:电子称:量程50kg,感量50g;量筒:塌落度筒:拌铲:小铲:捣棒(直径16mm、长600mm,端部呈半球形的捣棒):拌和板:金属底板2、实验数据及结果工作性参数测试结果坍落度,mm40粘聚性良好保水性良好第2部分:混凝土力学性能检验1、实验仪器、设备:标准试模:150mmx150mm:振动台:压力试验机:测量精度为±1%,试件破坏荷载应大于压力机全量程的20%且小于压力机全量程的80%;标准养护室2、实验数据及结果试件编号1#2#3#破坏荷载F,kN317.5864870.2抗压强度ccf,MPa其中(AFfcc1000,A=22500mm2)31.738.438.7抗压强度代表值,MPa38.4四、实验结果分析与判定:(1)混凝土拌合物工作性是否满足设计要求,是如何判定的?满足设计要求。实验要求混凝土拌合物的塌落度30~50mm,而此次试验结果中塌落度为40,符合要求;捣棒在已塌落的拌合物锥体侧面轻轻敲打,锥体逐渐下沉表示粘聚性良好:塌落度筒提起后仅有少量的稀浆从底部析出表示保水性良好。(2)混凝土立方体抗压强度是否满足设计要求。是如何判定的?满足设计要求。该组试件的抗压强度分别为31.7MPa、38.4MPa、38.7MPa,因31.7与38.4的15%,因此把最大值最小值一并舍除,取38.4MPa作为该组试件的抗压强度值,38.4MPa大38.2MPa,因此所测混凝土强度满足设计要求。实验二:钢筋混凝土简支梁实验一、实验目的:1.通过对钢筋混凝土梁的承载力、应变、挠度及裂缝等参数的测定,熟悉钢筋混凝土受弯构件正截面破坏的一般过程及其特征,加深对书本理论知识的理解。2.进一步学习常规的结构实验仪器的选择和使用操作方法,培养实验基本技能。3.掌握实验数据的整理、分析和表达方法,提高学生分析和解决问题的能力。二、实验基本信息:1.基本设计指标(1)简支梁的截面尺寸150mmx200mm(2)简支梁的截面配筋(正截面)6@100;28,2142.材料(1)混凝土强度等级C30(2)钢筋强度等级HRB335三、实验内容:第1部分:实验中每级荷载下记录的数据荷载百分表读数挠度/mm左支座(f1/mm)右支座(f2/mm)跨中(f3/mm)00kN0.964.995.140110kN0.94.915.482.575220kN0.864.835.850.43330kN0.824.756.260.47440Kn0.784.686.660.455550kN0.744.617.110.505660kN0.74.567.520.455770kN0.674.528.020.535880kN0.634.488.500.52990kN0.64.439.060.610100kN0.574.399.650.625起裂荷载(kN)40KN破坏荷载(kN)138.3KN注:起裂荷载为裂缝开始出现裂缝时所加荷载的数值。第2部分:每级荷载作用下的应变值荷载应变值测点4读数测点5读数测点6读数测点7读数110kN38503888220kN99168109174330kN258376300310440kN445760497440550kN5611095652570660kN6961425832731770kN84317601022842880kN95220211156957990kN106823051306106410100kN1187259814571170四、实验结果分析与判定:(1)根据试验梁材料的实测强度及几何尺寸,计算得到该梁正截面能承受最大荷载为90.2kN,与实验实测值相比相差多少?最大荷载C30混凝土,fc=14.3N/mm2,α1=1,HRB335钢筋,fy=300N/mm2环境取为一类,保护层厚度取为20mm。界限的相对受压区为ξ=0.55,取αs=45mm,ho=200-45=155mm,M=1.0x14.3x150x155x0.55x(1-0.5x0.55)=132.574KN·m,破坏荷载为138.3KN,因此实测值略大于计算值。实验三:静定桁架实验一、实验目的:1.掌握杆件应力——应变关系与桁架的受力特点。2,对桁架节点位移、支座...

1、当您付费下载文档后,您只拥有了使用权限,并不意味着购买了版权,文档只能用于自身使用,不得用于其他商业用途(如 [转卖]进行直接盈利或[编辑后售卖]进行间接盈利)。
2、本站所有内容均由合作方或网友上传,本站不对文档的完整性、权威性及其观点立场正确性做任何保证或承诺!文档内容仅供研究参考,付费前请自行鉴别。
3、如文档内容存在违规,或者侵犯商业秘密、侵犯著作权等,请点击“违规举报”。

碎片内容

大工19秋《土木工程实验(二)》实验报告

确认删除?
VIP
微信客服
  • 扫码咨询
会员Q群
  • 会员专属群点击这里加入QQ群
客服邮箱
回到顶部