电脑桌面
添加小米粒文库到电脑桌面
安装后可以在桌面快捷访问

中心城区主干路网市政工程给水施工方案VIP免费

中心城区主干路网市政工程给水施工方案_第1页
1/6
中心城区主干路网市政工程给水施工方案_第2页
2/6
中心城区主干路网市政工程给水施工方案_第3页
3/6
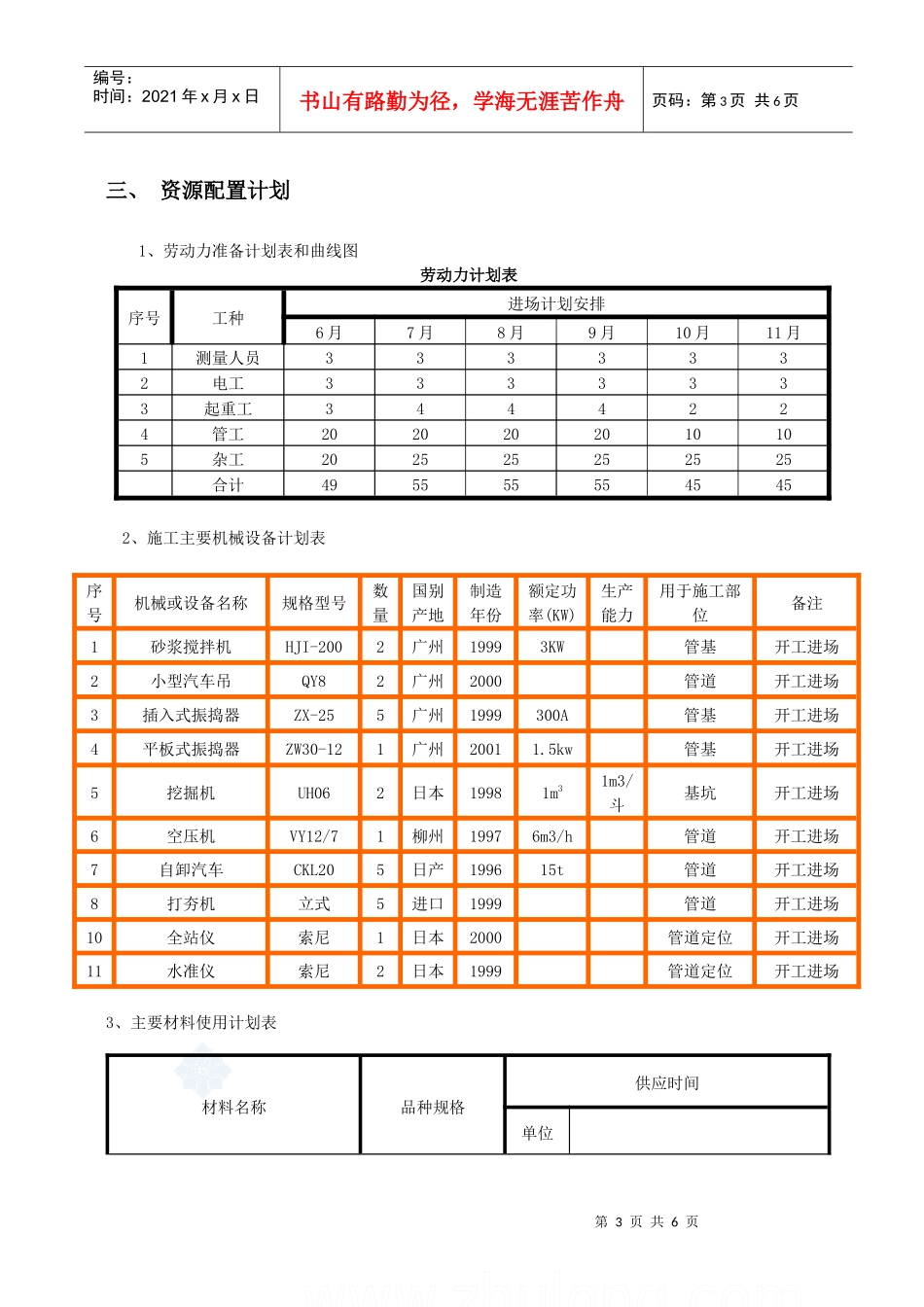
第1页共6页编号:时间:2021年x月x日书山有路勤为径,学海无涯苦作舟页码:第1页共6页目录一、工程概况二、工艺流程三、资源配置计划四、施工技术措施五、雨季施工质量安全措施第2页共6页第1页共6页施工放样基坑开挖地基处理粗砂调平层下管安管水压试验管沟回填编号:时间:2021年x月x日书山有路勤为径,学海无涯苦作舟页码:第2页共6页给水专项施工方案一、工程概况工程名称:中心城区主干路网市政工程7#(8#路~9#路)、9#路(7#路~11#路)市政道路工程建设单位:广州开发区土地开发建设中心建设地点:广州萝岗中心区质量标准:合格工程工期要求:150日历天给水管道主要采用焊接钢管或球墨铸铁管,球墨铸铁管采用T型滑入式橡胶圈接口。过路管采用钢管,钢管采用焊接,钢管与球墨铸铁管连接处采用法兰连接。输水管管顶覆土为1.5m,遇非压力管时,从管顶上弯过,并保持覆土0.8米。所有阀门井井顶标高与地面标高平齐。管网施工中高点设排气阀,底点设排泥阀。二、施工工艺第3页共6页第2页共6页编号:时间:2021年x月x日书山有路勤为径,学海无涯苦作舟页码:第3页共6页三、资源配置计划1、劳动力准备计划表和曲线图劳动力计划表序号工种进场计划安排6月7月8月9月10月11月1测量人员3333332电工3333333起重工3444224管工2020202010105杂工202525252525合计4955555545452、施工主要机械设备计划表序号机械或设备名称规格型号数量国别产地制造年份额定功率(KW)生产能力用于施工部位备注1砂浆搅拌机HJI-2002广州19993KW管基开工进场2小型汽车吊QY82广州2000管道开工进场3插入式振捣器ZX-255广州1999300A管基开工进场4平板式振捣器ZW30-121广州20011.5kw管基开工进场5挖掘机UH062日本19981m31m3/斗基坑开工进场6空压机VY12/71柳州19976m3/h管道开工进场7自卸汽车CKL205日产199615t管道开工进场8打夯机立式5进口1999管道开工进场10全站仪索尼1日本2000管道定位开工进场11水准仪索尼2日本1999管道定位开工进场3、主要材料使用计划表材料名称品种规格供应时间单位第4页共6页第3页共6页编号:时间:2021年x月x日书山有路勤为径,学海无涯苦作舟页码:第4页共6页水泥32.5(R)T按进度计划分批进场中砂M3按进度计划分批进场石屑M3按进度计划分批进场球墨铸铁管DN200—600m按进度计划分批进场阀门DN200、D600个按进度计划分批进场四、施工技术措施1、挖土要点(1)、设法保护与沟槽相交的电杆、标桩及其他管道、构筑物等设施。(2)、管沟开挖确保沟底土层不被扰动,当无地下水时,挖至设计标高以上5~10cm可停挖;遇地下水时,可挖至设计标高以上10~15cm,待下管至之前平整沟底。(3)、沟底遇大颗粒石块时,应将其开挖至沟底设计标高以下0.2m,再用粗砂夯填至沟底设计标高。(4)、在深沟开挖时,要注意沟壁的稳定情况,所有人员不得在沟槽内坐卧、休息,在沟上设专人监视,并采取措施,防止塌方伤人。(5)、采用机械开挖时,为保证不破坏基底土的结构,应在基底标高以上预留一层用人工清理。待下一工序开始前挖除。(6)、管沟开挖过程中,应经常检查沟壁的稳定情况并及时安装管道。作好原始记录及绘出断面图。2、堆土要点(1)、尽量堆土于沟槽一侧,堆土线距边线不小于0.5~1.0m,对湿陷性黄土地区,沟边宽度留大一些,并作土埂,以防雨水流入沟内。(2)、在电杆、变压器附近堆土时,其堆土高度要考虑到距电线的安全距离。(3)、堆土不宜靠紧建筑物外墙,如靠外墙堆土,其高度不得大于1.5m,防止土堆的侧压力将墙推倒。(4)、堆土不得压盖邮筒、消防栓、埋任何管线的井盖、雨水排出口和测量标志等,并不得阻碍交通。3、管道防腐钢管件防腐:内外壁除锈后,内壁水泥砂浆衬里,外壁除锈后先涂防锈底漆,再作面漆处理,焊接处采用四油三布加强处理,焊接钢管下管时采用软布吊装,以免破坏防腐层。球墨铸铁管防腐:内第5页共6页第4页共6页编号:时间:2021年x月x日书山有路勤为径,学海无涯苦作舟页码:第5页共6页料水泥砂浆,外喷锌执行ISO8179标准并涂沥青。4、基础施工基坑开挖成型后,若管基底承载力≥100Kpa时,管道采用天然基础,天然地基应将原土夯实后坑底用石屑或中砂做30cm找平层。...

1、当您付费下载文档后,您只拥有了使用权限,并不意味着购买了版权,文档只能用于自身使用,不得用于其他商业用途(如 [转卖]进行直接盈利或[编辑后售卖]进行间接盈利)。
2、本站所有内容均由合作方或网友上传,本站不对文档的完整性、权威性及其观点立场正确性做任何保证或承诺!文档内容仅供研究参考,付费前请自行鉴别。
3、如文档内容存在违规,或者侵犯商业秘密、侵犯著作权等,请点击“违规举报”。

碎片内容

中心城区主干路网市政工程给水施工方案

您可能关注的文档

确认删除?
VIP
微信客服
  • 扫码咨询
会员Q群
  • 会员专属群点击这里加入QQ群
客服邮箱
回到顶部