电脑桌面
添加小米粒文库到电脑桌面
安装后可以在桌面快捷访问

再生骨料地面砖、透水砖VIP免费

再生骨料地面砖、透水砖_第1页
1/9
再生骨料地面砖、透水砖_第2页
2/9
再生骨料地面砖、透水砖_第3页
3/9
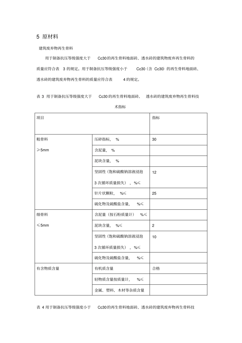
再生骨料地面砖、透水砖1、适用范围本标准规定了再生骨料地面砖、透水砖的术语、产品规格、原材料、技术要求、试验方法、检测规则、标志、使用说明书、包装、运输、贮存及其他要求等。本标准适用于利用建筑废弃物制备的再生骨料地面砖、透水砖。2、规范性引用文件下列文件中的条款通过规定本标准的引用而成为本标准的条款。凡是注日期的引用文件,其后所用的修改单(不包括勘误的内容)或修订本均不适用于本标准,然而,鼓励根据本标准达成协议的各方研究是否使用文件的最新版本。凡是不注日期的文件,其最新版本适用于本标准。GB175通用硅酸盐水泥GB/T2015白色硅酸盐水泥GB8076混凝土外加剂GB/T14684建筑用砂GB/T14685建筑用卵石、碎石JC/446混凝土路面砖JC/T945透水砖JGJ63混凝土用水标准3、术语和定义下列术语和定义适用于本标准。再生骨料以废混凝土、废砖、废砂为主的建筑废弃物,经破碎、筛分、去掉金属、木屑、塑料等有含杂质制成的骨料。再生骨料地面砖以建筑废弃物再生骨料、水泥为主要原料,加入适量的外加剂或掺合料,加水搅拌后制成型,经自然养护或蒸汽养护而成的再生鼓励搜混凝土铺地砖。再生骨料透水砖以建筑废弃物再生骨料、水泥等为主要原料,加入适量的外加剂和掺合料,加水搅拌后压制成型,经自然养护或蒸汽养护而成的具有较大渗水性能的铺地砖。4产品规格规格再生骨料地面砖、透水砖的规格尺寸见表1,规格尺寸也可以根据用户的要求确定。表1再生骨料地面砖规格尺寸再生骨料地面砖边长(mm)100,150,200,250,300,400,500厚度(mm)50,60,80,100,120再生骨料透水砖边长(mm)100,150,200,250,300,400,500厚度(mm)40,50,60,80,100,120等级再生骨料地面砖、透水砖的强度等级可按表2进行划分。表2再生骨料地面砖、透水砖强度等级再生骨料地面砖抗压强度等级分为Cc20、Cc25、Cc30、Cc35、Cc40、Cc50、Cc60抗折强度等级分为、、、、、再生骨料透水砖抗压强度等级分为Cc20、Cc25、Cc30、Cc35、Cc40、Cc50、Cc60标记4.3.1标记方法再生骨料地面砖、透水砖的标记由产品名称、强度等级、规格和本标准编号四部分组成。3.2.2标记示例a)强度等级为Cc30的再生骨料地面砖标记为:BRACc30###—####b)强度等级为Cc30的再生骨料地面砖标记为:WPBRACc30###—####5原材料建筑废弃物再生骨料用于制备抗压等级强度大于Cc30的再生骨料地面砖、透水砖的建筑物废弃再生骨料的质量应符合表3的规定。用于制备抗压等级强度小于Cc30(含Cc30)的再生骨料地面砖、透水砖的建筑废弃物再生骨料的质量应符合表4的规定。表3用于制备抗压等级强度大于Cc30的再生骨料地面砖、透水砖的建筑废弃物再生骨料技术指标项目指标粗骨料≥5mm压碎指标,%30含泥量,%泥块含量,%坚固性(饱和硫酸钠溶液浸泡3次循环质量损失),%≤12针片状颗粒,%≤25硫化物及硫酸盐含量,%≤细骨料≤5mm含泥量(按石粉质量计)%≤泥块含量,%≤2坚固性(饱和硫酸钠溶液浸泡3次循环质量损失),%≤10硫化物及硫酸盐含量,%≤有含物质含量有机质含量合格轻物质含量按质量计,%≤金属、塑料、木材等杂质含量表4用于制备抗压等级强度小于Cc30的再生骨料地面砖、透水砖的建筑废弃物再生骨料技术指标项目指标粗骨料≥5mm压碎指标,%35含泥量,%泥块含量,%坚固性(饱和硫酸钠溶液浸泡3次循环质量损失),%≤18针片状颗粒,%≤40硫化物及硫酸盐含量,%≤细骨料≤5mm含泥量(按石粉质量计)%≤泥块含量,%≤5坚固性(饱和硫酸钠溶液浸泡3次循环质量损失),%≤10硫化物及硫酸盐含量,%≤1有含物质含量有机质含量合格轻物质含量按质量计,%≤金属、塑料、木材等杂质含量水泥应符合GB175或GB/T2015的规定外加剂应符合GB8076的规定水应符合JGJ63的规定颜料应符合JC/T539d的规定6要求外观要求再生骨料地面砖、透水砖的外观要求应符合表5的规定。表5再生骨料地面砖、透水砖的外观质量项目要求正面粘皮及缺损的最大投影尺寸(mm)≤10缺棱掉角的最大投影尺寸(mm)≤15裂纹非贯穿裂纹最大投影尺寸(mm)≤10贯穿裂纹不允许分层不允许色差、杂色不明显尺寸偏差再生骨料地面砖、透水砖允许偏差应符合表6的规定。表6尺寸允许偏差项目合格品长...

1、当您付费下载文档后,您只拥有了使用权限,并不意味着购买了版权,文档只能用于自身使用,不得用于其他商业用途(如 [转卖]进行直接盈利或[编辑后售卖]进行间接盈利)。
2、本站所有内容均由合作方或网友上传,本站不对文档的完整性、权威性及其观点立场正确性做任何保证或承诺!文档内容仅供研究参考,付费前请自行鉴别。
3、如文档内容存在违规,或者侵犯商业秘密、侵犯著作权等,请点击“违规举报”。

碎片内容

再生骨料地面砖、透水砖

您可能关注的文档

确认删除?
VIP
微信客服
  • 扫码咨询
会员Q群
  • 会员专属群点击这里加入QQ群
客服邮箱
回到顶部