电脑桌面
添加小米粒文库到电脑桌面
安装后可以在桌面快捷访问

【房地产】旅馆建筑设计规范VIP免费

【房地产】旅馆建筑设计规范_第1页
1/11
【房地产】旅馆建筑设计规范_第2页
2/11
【房地产】旅馆建筑设计规范_第3页
3/11
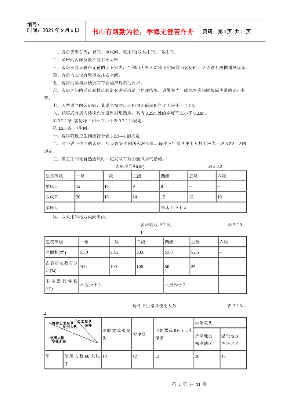
第1页共11页编号:时间:2021年x月x日书山有路勤为径,学海无涯苦作舟页码:第1页共11页中华人民共和国行业标准旅馆建筑设计规范JGJ62-90主编单位:建设部建筑设计院批准部门:中华人民共和国建设部中华人民共和国商业部国家旅游局施行日期:1990年12月1日关于发布行业标准《旅馆建筑设计规范》的通知(90)建标字310号根据原城乡建设环境保护部(84)城科字第153号文及(84)城设字第162号文的要求,由建设部建筑设计院主编的《旅馆建筑设计规范》,经建设部、商业部、国家旅游局审查,现批准为行业标准,编号JGJ62-90,自1990年12月1日起施行。在施行过程中如有问题和意见,请函告建设部建筑设计院。当设计旅游涉外饭店时,应有明确的星级目标,其功能要求尚应符合有关规定。建设部商业部国家旅游局1990年6月20日目录第一章总则第四章防火与疏散第二章基地和总平面第五章建筑设备第三章建筑设计第一节给水排水第一节一般规定第二节暖通空调第二节客房部分第三节电气第三节公共部分附录一本规范用词说明第四节辅助部分附加说明第一章总则第1.0.1条为使旅馆建筑设计符合适用、安全、卫生等基本要求,特制定本规范。第1.0.2条本规范适用于新建、改建和扩建的至少设有20间出租客房的城镇旅馆建筑设计。有特殊需求的旅馆建筑设计,可参照执行。第1.0.3条根据旅馆的使用功能,按建筑质量标准和设备,设施条件,将旅馆建筑由高至低划分为一、二、三、四、五、六级6个建筑等级。第1.0.4条旅馆建筑设计除执行本规范外,尚应符合现行的《民用建筑设计通则》以及国家现行的有关标准、规范。当设计旅游涉外饭店时,应有明确的星级目标,其功能要求尚应符合有关标准的规定。第二章基地和总平面第2.0.1条基地。一、基地的选择应符合当地城市规划要求,并应选在交通方便、环境良好的地区。第2页共11页第1页共11页编号:时间:2021年x月x日书山有路勤为径,学海无涯苦作舟页码:第2页共11页二、在历史文化名城、风景名胜地区及重点文物保护单位附近,基地的选择及建筑布局,应符合国家和地方有关管理条例和保护规划的要求。三、在城镇的基地应至少一面临接城镇道路,其长度应满足基地内组织各功能区的出入口、客货运输、防火疏散及环境卫生等要求。第2.0.2条总平面。一、总平面布置应结合当地气候特征、具体环境,妥善处理与市政设施的关系。二、主要出入口必须明显,并能引导旅客直接到达门厅。主要出入口应根据使用要求设置单车道或多车道,入口车道上方宜设雨棚。三、不论采用何种建筑形式,均应合理划分旅馆建筑的功能分区,组织各种出入口,使人流、货流、车流互不交叉。四、在综合性建筑中,旅馆部分应有单独分区,并有独立的出入口;对外营业的商店、餐厅等不应影响旅馆本身的使用功能。五、总平面布置应处理好主体建筑与辅助建筑的关系。对各种设备所产生的噪声和废气应采取措施,避免干扰客房区和邻近建筑。六、总平面布置应合理安排各种管道,做好管道综合,并便于维护和检修。七、应根据所需停放车辆的车型及辆数在基地内或建筑物内设置停车空间,或按城市规划部门规定设置公用停车场地。八、基地内应根据所处地点布置一定的绿化,做好绿化设计。第三章建筑设计第一节一般规定第3.1.1条公共用房及辅助用房应根据旅馆等级、经营管理要求和旅馆附近可提供使用的公共设施情况确定。第3.1.2条建筑布局应与管理方式和服务手段相适应,做到分区明确、联系方便,保证客房及公共用房具有良好的居住和活动环境。第3.1.3条建筑热工设计应做到因地制宜,保证室内基本的热环境要求,发挥投资的经济效益。第3.1.4条建筑体型设计应有利于减少空调与采暖的冷热负荷,做好建筑围护结构的保温和隔热,以利节能。第3.1.5条采暖地区的旅馆客房部分的保温隔热标准应符合现行的《民用建筑节能设计标准》的规定。第3.1.6条锅炉房、冷却塔等不宜设在客房楼内,如必须设在客房楼内时,应自成一区,并应采取防火、隔声、减震等措施。第3.1.7条室内应尽量利用天然采光。第3.1.8条电梯。一、一、二级旅馆建筑3层及3层以上,三级旅馆建筑4层及4层以上,四级旅馆建筑6层及6层以上,五、六级旅馆建筑7层及7层以上,应设乘客电梯。二...

1、当您付费下载文档后,您只拥有了使用权限,并不意味着购买了版权,文档只能用于自身使用,不得用于其他商业用途(如 [转卖]进行直接盈利或[编辑后售卖]进行间接盈利)。
2、本站所有内容均由合作方或网友上传,本站不对文档的完整性、权威性及其观点立场正确性做任何保证或承诺!文档内容仅供研究参考,付费前请自行鉴别。
3、如文档内容存在违规,或者侵犯商业秘密、侵犯著作权等,请点击“违规举报”。

碎片内容

【房地产】旅馆建筑设计规范

您可能关注的文档

确认删除?
VIP
微信客服
  • 扫码咨询
会员Q群
  • 会员专属群点击这里加入QQ群
客服邮箱
回到顶部