电脑桌面
添加小米粒文库到电脑桌面
安装后可以在桌面快捷访问

(单级减速器)机械设计基础课程设计说明书VIP免费

(单级减速器)机械设计基础课程设计说明书_第1页
1/26
(单级减速器)机械设计基础课程设计说明书_第2页
2/26
(单级减速器)机械设计基础课程设计说明书_第3页
3/26
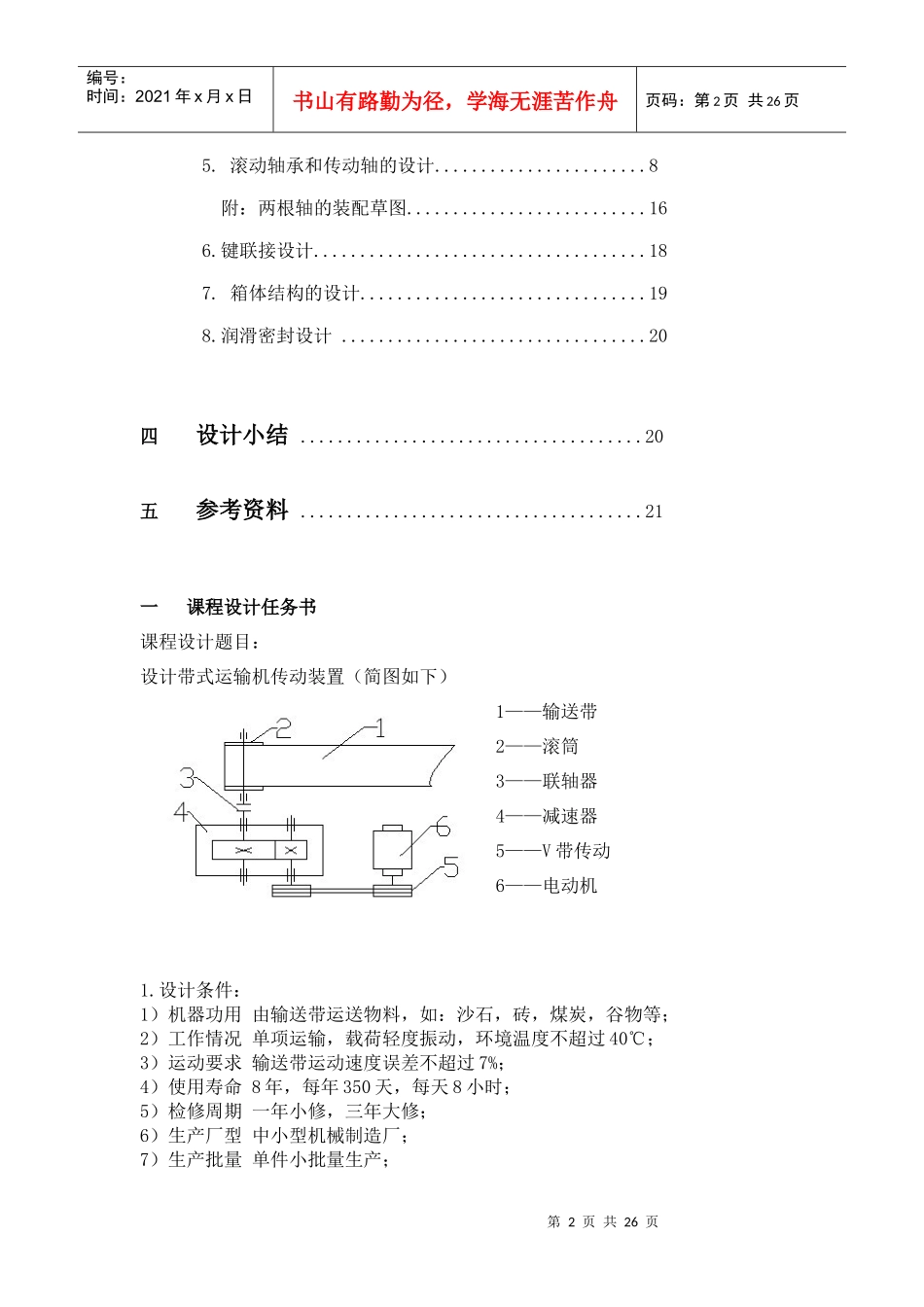
机械设计课程设计计算说明书第1页共26页编号:时间:2021年x月x日书山有路勤为径,学海无涯苦作舟页码:第1页共26页设计题目:设计者:指导老师设计时间:设计单位:目录一课程设计任务书.......................2二设计要求.............................2三设计步骤..............................21.传动装置总体设计方案........................22.电动机的选择.................................33.确定传动装置的总传动比和分配传动比..........44.齿轮的设计..................................6第2页共26页第1页共26页编号:时间:2021年x月x日书山有路勤为径,学海无涯苦作舟页码:第2页共26页5.滚动轴承和传动轴的设计.......................8附:两根轴的装配草图..........................166.键联接设计....................................187.箱体结构的设计...............................198.润滑密封设计.................................20四设计小结.....................................20五参考资料.....................................21一课程设计任务书课程设计题目:设计带式运输机传动装置(简图如下)1——输送带2——滚筒3——联轴器4——减速器5——V带传动6——电动机1.设计条件:1)机器功用由输送带运送物料,如:沙石,砖,煤炭,谷物等;2)工作情况单项运输,载荷轻度振动,环境温度不超过40℃;3)运动要求输送带运动速度误差不超过7%;4)使用寿命8年,每年350天,每天8小时;5)检修周期一年小修,三年大修;6)生产厂型中小型机械制造厂;7)生产批量单件小批量生产;第3页共26页第2页共26页编号:时间:2021年x月x日书山有路勤为径,学海无涯苦作舟页码:第3页共26页2.原始数据:运送带工作拉力F/KN运输带工作速度v/(m/s)卷筒直径D/mm51.2190二.设计要求1.减速器装配图一张。(三视图,A1图纸)2.绘制轴、齿轮零件图各一张。(A3图纸)3.设计计算说明书一份。三.设计步骤1.传动装置总体设计方案1)外传动机构为V带传动。2)减速器为一级展开式圆柱齿轮减速器。3)方案简图如下图:1——输送带;2——滚筒;3——联轴器;4——减速器;5——V带传动;6——电动机4)该方案的优缺点:该工作机有轻微振动,由于V带有缓冲吸振能力,采用V带传动能减小振动带来的影响,并且该工作机属于小功率、载荷变化不大,可以采用V带这种简单的结构,并且价格便宜,标准化程度高,大幅降低了成本。减速器部分一级圆柱齿轮减速,这是一级减速器中应用最广泛的一种。原动机第4页共26页第3页共26页编号:时间:2021年x月x日书山有路勤为径,学海无涯苦作舟页码:第4页共26页部分为Y系列三相交流异步电动机。总体来讲,该传动方案满足工作机的性能要求,适应工作条件、工作可靠,此外还结构简单、尺寸紧凑、成本低传动效率高。2、电动机的选择1)选择电动机的类型按工作要求和工作条件选用Y系列三相笼型异步电动机,全封闭自扇冷式结构,电压380V。2)选择电动机的容量工作机的有效功率为Pw=Fv=6kw从电动机到工作机传送带间的总效率为η∑¿=η1⋅η23⋅η3⋅η4⋅η5¿由《机械设计课程上机与设计》表9-1可知:η1:V带传动效率0.96η2:滚动轴承效率0.99(球轴承)η3:齿轮传动效率0.97(7级精度一般齿轮传动)η4:联轴器传动效率0.99(弹性联轴器)η5:卷筒传动效率0.96所以电动机所需工作功率为Pd=Pwη∑¿=60.86=6.98kw¿3)确定电动机转速按表5-1推荐的传动比合理范围,一级圆柱齿轮减速器传动比i∑¿'=1~8¿第5页共26页第4页共26页编号:时间:2021年x月x日书山有路勤为径,学海无涯苦作舟页码:第5页共26页而工作机卷筒轴的转速为nw=vπD=1.2π×0.19≈2rad/s所以电动机转速的可选范围为:nd=i∑¿'nw=(1~8)×120r/min=(120~960)r/min¿综合考虑电动机和传动装置的尺寸、质量及价格等因素,为使传动装置结构紧凑,决定选用同步转速为750r/min的电动机。根据电动机类型、容量和转速,由《机械设计课程上机与设计》表16-2选定电动机型号为Y160L-8。其主要性能如下表:电动机型号额定功率/kw满载转速/(r/min)启动转矩额定转矩最大转矩额定转...

1、当您付费下载文档后,您只拥有了使用权限,并不意味着购买了版权,文档只能用于自身使用,不得用于其他商业用途(如 [转卖]进行直接盈利或[编辑后售卖]进行间接盈利)。
2、本站所有内容均由合作方或网友上传,本站不对文档的完整性、权威性及其观点立场正确性做任何保证或承诺!文档内容仅供研究参考,付费前请自行鉴别。
3、如文档内容存在违规,或者侵犯商业秘密、侵犯著作权等,请点击“违规举报”。

碎片内容

(单级减速器)机械设计基础课程设计说明书

教育教学文库+ 关注
实名认证
内容提供者

本店有大量的教育教学资料,课件

确认删除?
VIP
微信客服
  • 扫码咨询
会员Q群
  • 会员专属群点击这里加入QQ群
客服邮箱
回到顶部