电脑桌面
添加小米粒文库到电脑桌面
安装后可以在桌面快捷访问

东莞市城市轨道交通建设及网络规划环评(简本)VIP免费

东莞市城市轨道交通建设及网络规划环评(简本)_第1页
1/32
东莞市城市轨道交通建设及网络规划环评(简本)_第2页
2/32
东莞市城市轨道交通建设及网络规划环评(简本)_第3页
3/32
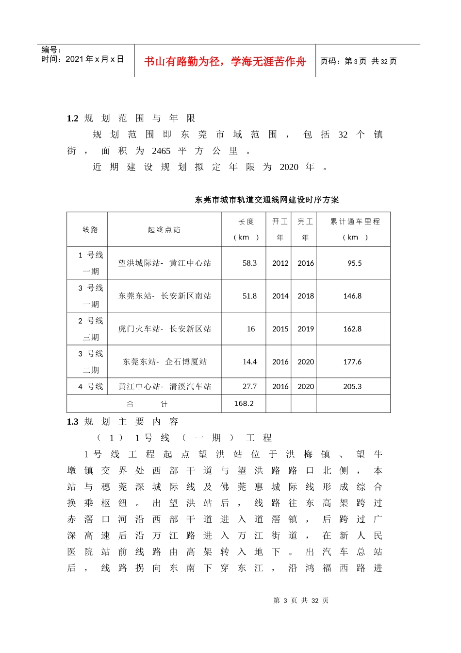
第1页共32页编号:时间:2021年x月x日书山有路勤为径,学海无涯苦作舟页码:第1页共32页东莞市城市轨道交通建设及网络规划环境影响报告书(简本)中铁二院工程集团有限责任公司国环评证:甲字第3210号二○一一年五月成都第2页共32页第1页共32页编号:时间:2021年x月x日书山有路勤为径,学海无涯苦作舟页码:第2页共32页1总论1.1规划名称及项目背景规划名称:《东莞市轨道交通网络规划(调整)》、《东莞市城市轨道交通建设规划(2012~2016)》东莞市于2004年编制完成了《东莞市轨道交通网络规划》,2008编制完成了《东莞市城市快速轨道交通建设规划》,于2009年7月通过了国家相关部门的审批。为结合珠三角城际轨道线网及各镇区发展需要,对原有的2号线虎门至长安段、3号线常平以东段等线路进行了局部调整,远期规划形成4条市域骨干线路,总长219.2km,共设置车站总76座,其中城市轨道间换乘枢纽车站4座,途经22个镇区。图1-1东莞市轨道交通网络规划图第3页共32页第2页共32页编号:时间:2021年x月x日书山有路勤为径,学海无涯苦作舟页码:第3页共32页1.2规划范围与年限规划范围即东莞市域范围,包括32个镇街,面积为2465平方公里。近期建设规划拟定年限为2020年。东莞市城市轨道交通线网建设时序方案线路起终点站长度(km)开工年完工年累计通车里程(km)1号线一期望洪城际站-黄江中心站58.32012201695.53号线一期东莞东站-长安新区南站51.820142018146.82号线三期虎门火车站-长安新区站1620152019162.83号线二期东莞东站-企石博厦站14.420162020177.64号线黄江中心站-清溪汽车站27.720162020205.3合计168.21.3规划主要内容(1)1号线(一期)工程1号线工程起点望洪站位于洪梅镇、望牛墩镇交界处西部干道与望洪路路口北侧,本站与穗莞深城际线及佛莞惠城际线形成综合换乘枢纽。出望洪站后,线路往东高架跨过赤滘口河沿西部干道进入道滘镇,后跨过广深高速后沿万江路进入万江街道,在新人民医院站前线路由高架转入地下。出汽车总站后,线路拐向东南下穿东江,沿鸿福西路进第4页共32页第3页共32页图1-21号线平纵断面示意图编号:时间:2021年x月x日书山有路勤为径,学海无涯苦作舟页码:第4页共32页入南城街道,在鸿福路站与2线换乘。而后线路沿鸿福东路进入东城街道,过新源路站后线路向南拐入莞长路(107国道),在东城南站与莞惠城际线换乘。过水濂山路站后进入大岭山镇,经建设路进入松山湖片区,并在此设松山湖站与R3线换乘,线路下穿莞深高速后,沿松佛路进入大朗镇,在湿地公园站后线路经富民中路拐入黄江镇,在莞深高速公路黄江收费站南侧设黄江中心站,也是本次设计的终点站,本站与R4线换乘。1号线(一期)全长58.285公里,共设21座车站,其中地下站12座,高架及地面站9座,5个为换乘站。(2)3号线一、二期工程3号线一、二期工程起点长安新区南站位规划长安新区临海商务区南端。出长安新区南站后,线路沿长安新区中轴线向北敷设,在湖滨体育公园东侧交椅湾大道南侧设长安第5页共32页第4页共32页图1-33号线平纵断面示意图编号:时间:2021年x月x日书山有路勤为径,学海无涯苦作舟页码:第5页共32页新区站,本站与2号线南延线形式十字换乘,后线路沿靖海中路进入长安镇,顺次沿靖海中路、正大路、省道358、长青南路、德政中路、莞长路敷设,其中在振安路路口金沙广场旁设长安金沙站,本站与穗莞深城际线换乘。后线路向北转入莞长路(G107),进入大岭山镇,沿着新城路进入松山湖片区,并在此设松山湖站与R1线换乘,线路下穿莞深高速后,在迎宾路路口设松山湖北站与莞惠城际线换乘,后线路沿东坑与大朗交界处进入常平镇,在广深铁路东莞站前设东莞南站,京九铁路东莞东站前设东莞东站,后线路向北沿环常北路进入桥头镇,沿东平大道进入企石镇,在博厦村附近设企石博厦站,为本线的终点站。第6页共32页第5页共32页编号:时间:2021年x月x日书山有路勤为径,学海无涯苦作舟页码:第6页共32页3号线一、二期工程,全长66.221km,共设24座车站,其中高架10座,地下车14座,6个换乘站。(3)2号线三期工程2号线三期工程起点位于2号线(东莞火车站~虎门火车站段)设计终点(DK37+773...

1、当您付费下载文档后,您只拥有了使用权限,并不意味着购买了版权,文档只能用于自身使用,不得用于其他商业用途(如 [转卖]进行直接盈利或[编辑后售卖]进行间接盈利)。
2、本站所有内容均由合作方或网友上传,本站不对文档的完整性、权威性及其观点立场正确性做任何保证或承诺!文档内容仅供研究参考,付费前请自行鉴别。
3、如文档内容存在违规,或者侵犯商业秘密、侵犯著作权等,请点击“违规举报”。

碎片内容

东莞市城市轨道交通建设及网络规划环评(简本)

确认删除?
VIP
微信客服
  • 扫码咨询
会员Q群
  • 会员专属群点击这里加入QQ群
客服邮箱
回到顶部