电脑桌面
添加小米粒文库到电脑桌面
安装后可以在桌面快捷访问

GFI-GC-8电气测试工作细则VIP专享VIP免费

GFI-GC-8电气测试工作细则_第1页
1/7
GFI-GC-8电气测试工作细则_第2页
2/7
GFI-GC-8电气测试工作细则_第3页
3/7
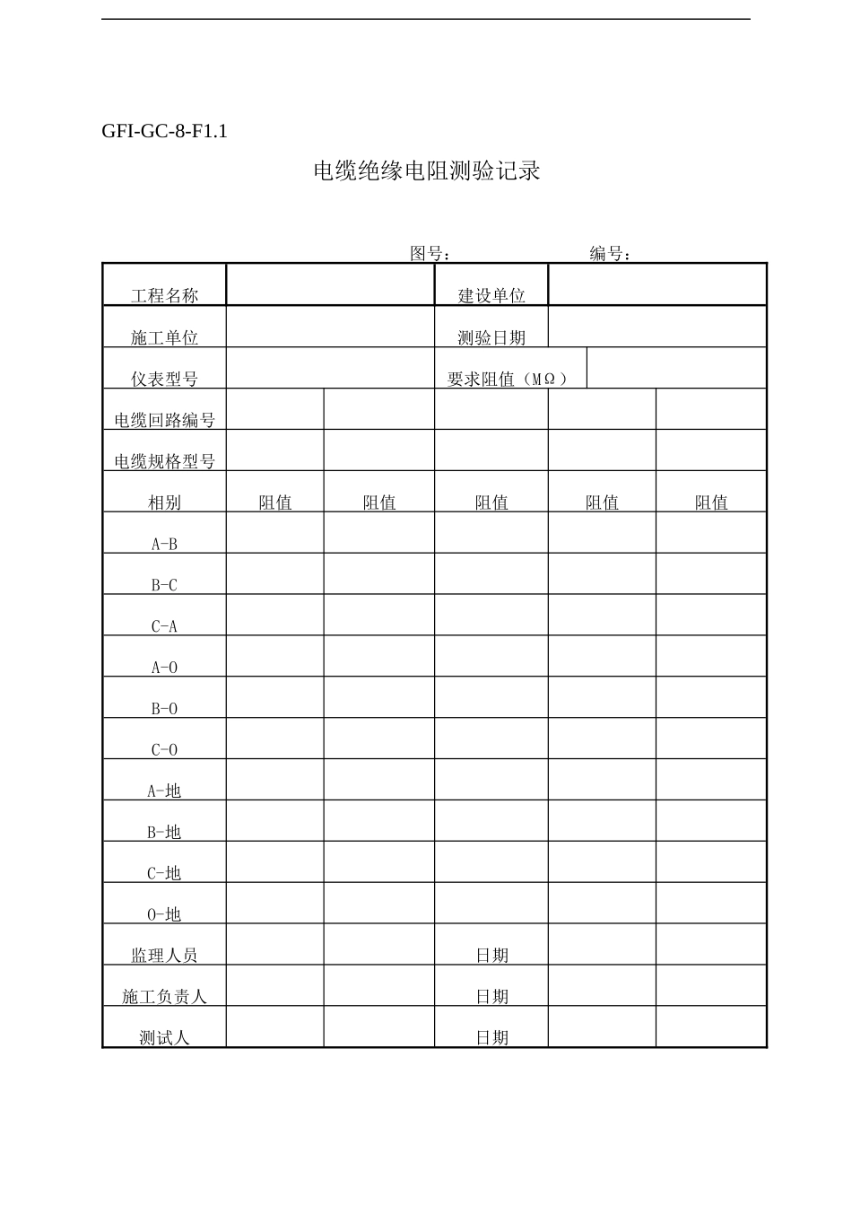
GFI-GC-8电气测试工作细则版本:1第1页,共6页电气测试工作细则一、低压电缆绝缘测试低压电缆敷设前监理人员要督促施工单位用兆欧表进行绝缘测试,测试时监理人员进行监督。测试结果记入《电缆绝缘电阻测验记录》(GFI-GC-8-F1)。测试合格后监理人员签字认可,如测试不合格则不允许采用。二、电线绝缘测试1.电线敷设完成后,监理人员根据工程进度计划及落实情况,确定测试日期。2.对需质监站人员参加的单位工程电气绝缘测试,监理人员提前三天与质监站人员联系。3.进行测试时,监理人员要监督整个测试过程以及测试结果记录。4.测试合格后,监理人员在《绝缘电阻测验记录》(GFI-GC-8-F2)表上签字认可。5.对测试不合格的回路,监理人员在分析原因之后,督促施工单位进行自查,如需返工,监理人员可用《监理工程师通知》(见GFP9-3-F3)的形式通知施工单位进行返工。6.施工单位在完成返工及自检后,由监理人员重新安排测试时间。三、接地阻值的测试1.监理人员根据工程进度计划及落实情况确定测试时间。2.如需质监站人员参加,监理人员提前三天进行联系。3.测试时监理人员监督测试全过程,对测试点要逐个进行检测。4.电气接地阻值测试结果记入《电气接地电阻测试记录》(GFI-GC-8-F3),防雷接地电阻测试结果记入《防雷接地电阻检测记录》(GFI-GC-8-F4)。测试合格后,监理人员在上述测试记录表格上签字。5.如测试不合格,监理人员分析原因后发出《监理工程师通知》进行处理。6.施工单位处理完毕后,由监理人员重新安排测试时间。四、所有的测试工作均由监理人员作监理日记记录。五、记录《电缆绝缘电阻测验记录》、《绝缘电阻测验记录》、《电气接地电阻测验记录》、《建筑物和构筑物防雷接地电阻测验记录》以上记录在工程竣工后,由监理人员监督施工单位做成竣工资料,移交集团公司档案室永久保存。《监理工程师通知》由监理人员保存,工程竣工后移交资料室保存二年。C:\ISO\GFI\GFI-GC-8GFI-GC-8电气测试工作细则版本:1第2页,共6页六、附件:1.GFI-GC-8-F1《电缆绝缘电阻测验记录》2.GFI-GC-8-F2《绝缘电阻测验记录》3.GFI-GC-8-F3《电气接地电阻测验记录》4.GFI-GC-8-F4《建筑物和构筑物防雷接地电阻测验记录》C:\ISO\GFI\GFI-GC-8GFI-GC-8-F1.1电缆绝缘电阻测验记录图号:编号:工程名称建设单位施工单位测验日期仪表型号要求阻值(MΩ)电缆回路编号电缆规格型号相别阻值阻值阻值阻值阻值A-BB-CC-AA-OB-OC-OA-地B-地C-地O-地监理人员日期施工负责人日期测试人日期GFI-GC-8-F2.1绝缘电阻测验记录年月日图号:附表:工程名称建设单位工作电压评定结论项目名称施工单位仪表型号设计绝缘阻值(MΩ)总箱分箱设备名称总箱分箱分箱分箱分箱分箱分箱分箱分箱分箱分箱分箱分箱分箱分箱分箱分箱分箱备注回路编号相别阻值阻值阻值阻值阻值阻值阻值阻值阻值阻值阻值阻值阻值阻值阻值阻值阻值阻值A-BB-CC-AA-0B-OC-0A-地B-地C-地O-地实测点数合格点数不合格点数合格率%施工负责人:建设单位检查人:专业施工负责人:测试人:第5页共7页编号:时间:2021年x月x日书山有路勤为径,学海无涯苦作舟页码:第5页共7页GFI-GC-8-F3.1电气接地电阻测验记录日期:年月日编号:工程名称施工单位仪表型号测试日期年月日计量单位Ω天气情况气温℃静电接地防雷接地保护接地重复接地工作接地组别及实测数据1①2②3③4④5⑤6⑥7⑦8⑧9⑨系统⑩设计要求≤Ω≤Ω≤Ω≤Ω测试结论参加人员签字监理(建设)单位施工负责人质检员测试二人注:本表适于各种类型接地电阻的测试。非重点及特殊要求的工程,设计单位可不参加签字。第6页共7页第5页共7页编号:时间:2021年x月x日书山有路勤为径,学海无涯苦作舟页码:第6页共7页GFI-GC-8-F4.1建筑物和构筑物防雷接地电阻测验记录施工单位:年月日工程名称气候情况避雷针与地面高度工程建筑高度测验地点使用仪表设计电阻值实测电阻值接地铁带规格数量埋藏接地地极棒规格数量深度平面图建设单位验收人工程负责人测试人第7页共7页第6页共7页编号:时间:2021年x月x日书山有路勤为径,学海无涯苦作舟页码:第7页共7页

1、当您付费下载文档后,您只拥有了使用权限,并不意味着购买了版权,文档只能用于自身使用,不得用于其他商业用途(如 [转卖]进行直接盈利或[编辑后售卖]进行间接盈利)。
2、本站所有内容均由合作方或网友上传,本站不对文档的完整性、权威性及其观点立场正确性做任何保证或承诺!文档内容仅供研究参考,付费前请自行鉴别。
3、如文档内容存在违规,或者侵犯商业秘密、侵犯著作权等,请点击“违规举报”。

碎片内容

GFI-GC-8电气测试工作细则

确认删除?
VIP
微信客服
  • 扫码咨询
会员Q群
  • 会员专属群点击这里加入QQ群
客服邮箱
回到顶部