电脑桌面
添加小米粒文库到电脑桌面
安装后可以在桌面快捷访问

安徽省历年中考物理电学集锦VIP免费

安徽省历年中考物理电学集锦_第1页
1/14
安徽省历年中考物理电学集锦_第2页
2/14
安徽省历年中考物理电学集锦_第3页
3/14
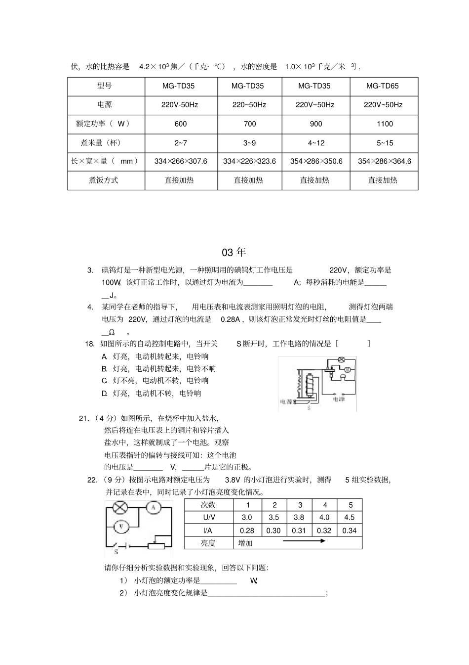
02年5.如图所示,电源电压为6伏,闭合开关S后,发现两灯均不亮.仔细检查发现灯泡Ll的灯丝断了,其它部分均正常.这时若用电压表测量b、c两点间的电压,其示数应为__________伏.第5题图8.电阻为12欧的电铃正常工作时电压为6伏,若把它接在8伏的电路上,需要给它__________联一个__________欧的电阻.9.李红同学算出一个标着“2.5V0.3A”字样的小灯泡的灯丝电阻是8.3欧,但在小灯泡不使用时测得其他电阻值为2.5欧,你认为产生这种差异的原因是__________.11.图中A、B两点均是灯头接导线的螺丝.当电路中的开关都断开时,站在地上的人用手接触电路中的A点,他__________触电;用手接触电路中的B点,他__________触电(选填“会”或“不会”)第11题图17.以下说法中正确的是⋯⋯⋯⋯⋯⋯⋯⋯⋯⋯⋯⋯⋯⋯⋯⋯⋯⋯⋯⋯⋯⋯⋯⋯⋯()A.绝缘体有电阻,导体没有电阻B.通过导体的电流越大,导体的电阻就一定越小C.导体两端电压为零时,电流为零,但电阻不为零D.只有导体才能用作电工材料32.(9分)明明和妈妈到商场去购买电饭锅.他从品种繁多的电饭锅说明书中取出一份,表中所示即为该说明书中的一部分.明明与妈妈商议后,购买了型号是MG—TD35型的电饭锅.回家后他想,此电饭锅将电能转化为锅中水的内能的效率如何呢?于是他在锅内装入了1.5升温度为20℃的水,通电后16分钟水开始沸腾.根据以上试验,他估测出了该型电饭锅烧水的效率.你也能估算出吗?写出你的估算方法,并计算其效率〔家中的电压是220伏,水的比热容是4.2×103焦/(千克·℃),水的密度是1.0×103千克/米3〕.型号MG-TD35MG-TD35MG-TD35MG-TD65电源220V-50Hz220~50Hz220V~50Hz220V~50Hz额定功率(W)6007009001100煮米量(杯)2~73~94~125~15长×宽×量(mm)334×266×307.6334×226×323.6354×286×350.6354×286×364.6煮饭方式直接加热直接加热直接加热直接加热03年3.碘钨灯是一种新型电光源,一种照明用的碘钨灯工作电压是220V,额定功率是100W。该灯正常工作时,以通过灯为电流为____A;每秒消耗的电能是____J。4.某同学在老师的指导下,用电压表和电流表测家用照明灯泡的电阻,测得灯泡两端电压为220V,通过灯泡的电流是0.28A,则该灯泡正常发光时灯丝的电阻值是___Ω。18.如图所示的自动控制电路中,当开关S断开时,工作电路的情况是[]A.灯亮,电动机转起来,电铃响B.灯亮,电动机转起来,电铃不响C.灯不亮,电动机不转,电铃响D.灯亮,电动机不转,电铃响21.(4分)如图所示,在烧杯中加入盐水,然后将连在电压表上的铜片和锌片插入盐水中,这样就制成了一个电池。观察电压表指针的偏转与接线可知:这个电池的电压是____V,___片是它的正极。22.(9分)按图示电路对额定电压为3.8V的小灯泡进行实验时,测得5组实验数据,并记录在表中,同时记录了小灯泡亮度变化情况。次数12345U/V3.03.53.84.04.5I/A0.280.300.310.320.34亮度增加请你仔细分析实验数据和实验现象,回答以下问题:1)小灯泡的额定功率是_____W;2)小灯泡亮度变化规律是________________;3)除了表格中列出的数据和现象外,你还能发现的问题是。24.(8分)有一台直流电动机在220V的电压下工作时,电流为35A。用它匀速提升质量为1400kg的货物,在2s内提升了1m。设电动机输出的能量全部用来提升货物。问:1)2s内电动机对货物做了多少功?2)这期间电动机的效率是多少?3)电动机消耗的电能转化成了哪些形式的能量?25.(10分)有一种太阳能、电能两用热水器,它接收太阳能的真空镀膜管的总有效面积约为1.25m2,能将接收的太阳能的50%转化为水的内能。它的电热水器铭牌见下表:1)晴天时,用太阳能加热,每年6月份,合肥地区向着阳光的地方平均每1m2的面积在1小时内得到的太阳辐射能为3.2×106J,如果每天接收太阳能的时间以8小时计算,可以将80kg、初温为20℃的水加热到多少摄氏度?(水的比热容c=4.2×103J/kg.℃)2)如果遇到雨天用电能加热,在额定电压下工作时,将上述同样质量、初温的水加热到同样的温度需多长时间?(假设所消耗的电能全部转化为水的内能)2.(20分)...

1、当您付费下载文档后,您只拥有了使用权限,并不意味着购买了版权,文档只能用于自身使用,不得用于其他商业用途(如 [转卖]进行直接盈利或[编辑后售卖]进行间接盈利)。
2、本站所有内容均由合作方或网友上传,本站不对文档的完整性、权威性及其观点立场正确性做任何保证或承诺!文档内容仅供研究参考,付费前请自行鉴别。
3、如文档内容存在违规,或者侵犯商业秘密、侵犯著作权等,请点击“违规举报”。

碎片内容

安徽省历年中考物理电学集锦

确认删除?
VIP
微信客服
  • 扫码咨询
会员Q群
  • 会员专属群点击这里加入QQ群
客服邮箱
回到顶部