电脑桌面
添加小米粒文库到电脑桌面
安装后可以在桌面快捷访问

20-2施工安全管理规定附表VIP专享VIP免费

20-2施工安全管理规定附表_第1页
1/6
20-2施工安全管理规定附表_第2页
2/6
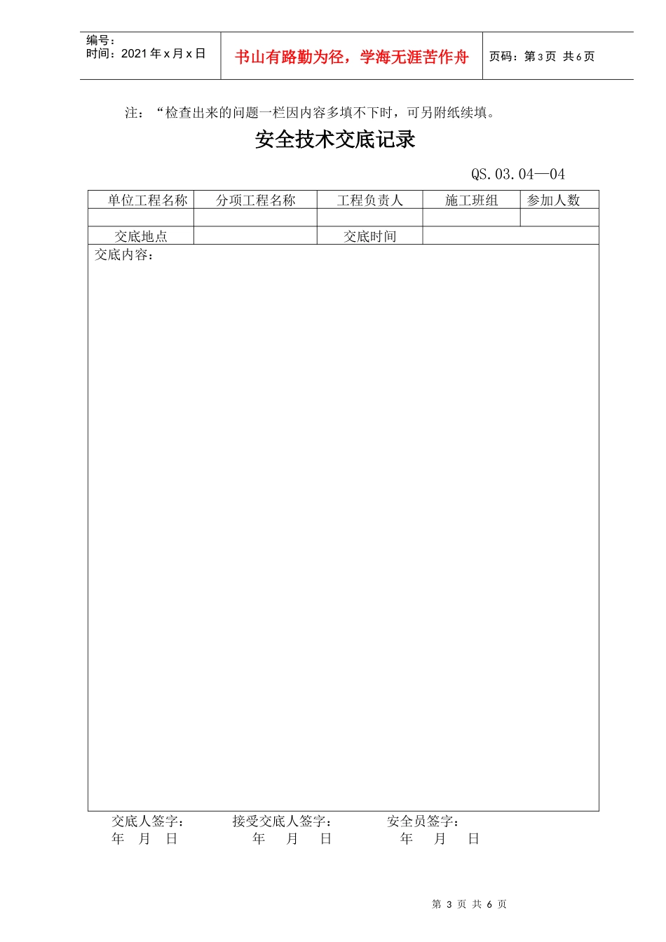
20-2施工安全管理规定附表_第3页
3/6
第1页共6页编号:时间:2021年x月x日书山有路勤为径,学海无涯苦作舟页码:第1页共6页三级()安全教育登记卡QS.03.04—01单位:年月日教育时间授课教员授课时间教育内容:记录人:年月日姓名性别年龄工种分数姓名性别年龄工种分数第2页共6页第1页共6页编号:时间:2021年x月x日书山有路勤为径,学海无涯苦作舟页码:第2页共6页安全检查记录卡QS.03.04—03项目:年月日参加人员检查内容检查出来的问题处理意见完成整改日期及负责人复查结果复查人:年月日第3页共6页第2页共6页编号:时间:2021年x月x日书山有路勤为径,学海无涯苦作舟页码:第3页共6页注:“检查出来的问题一栏因内容多填不下时,可另附纸续填。安全技术交底记录QS.03.04—04单位工程名称分项工程名称工程负责人施工班组参加人数交底地点交底时间交底内容:交底人签字:接受交底人签字:安全员签字:年月日年月日年月日第4页共6页第3页共6页编号:时间:2021年x月x日书山有路勤为径,学海无涯苦作舟页码:第4页共6页安全检查通知单QS.03.04—05经月日检查发现:签发人:年月日……………………………………………………………………………………………纠正回执Qs.03.04—05纠正要求:纠正□分析原因制定纠正预防措施□原因分析:纠正预防措施:年月日纠正完纠正责任人:年月日验收结果验收人:年月日第5页共6页第4页共6页编号:时间:2021年x月x日书山有路勤为径,学海无涯苦作舟页码:第5页共6页注:签发一式二份,签发人和问题所在单位负责人各一份工伤事故调查处理记录QS.03.04—06事故发生的时间年月日时分事故发生的工程名称事故发生的地点事故伤亡人员人其中:死亡:人、重伤人、轻伤人姓名伤亡程度用工形式工种级别性别年龄事故类别事故经过及原因:采取的措施:处理意见:审核人:报告人:记录人:年月日年月日年月日第6页共6页第5页共6页编号:时间:2021年x月x日书山有路勤为径,学海无涯苦作舟页码:第6页共6页

1、当您付费下载文档后,您只拥有了使用权限,并不意味着购买了版权,文档只能用于自身使用,不得用于其他商业用途(如 [转卖]进行直接盈利或[编辑后售卖]进行间接盈利)。
2、本站所有内容均由合作方或网友上传,本站不对文档的完整性、权威性及其观点立场正确性做任何保证或承诺!文档内容仅供研究参考,付费前请自行鉴别。
3、如文档内容存在违规,或者侵犯商业秘密、侵犯著作权等,请点击“违规举报”。

碎片内容

20-2施工安全管理规定附表

确认删除?
VIP
微信客服
  • 扫码咨询
会员Q群
  • 会员专属群点击这里加入QQ群
客服邮箱
回到顶部