电脑桌面
添加小米粒文库到电脑桌面
安装后可以在桌面快捷访问

《建筑基础工程施工质量管理》课程考核题目VIP专享VIP免费

《建筑基础工程施工质量管理》课程考核题目_第1页
1/10
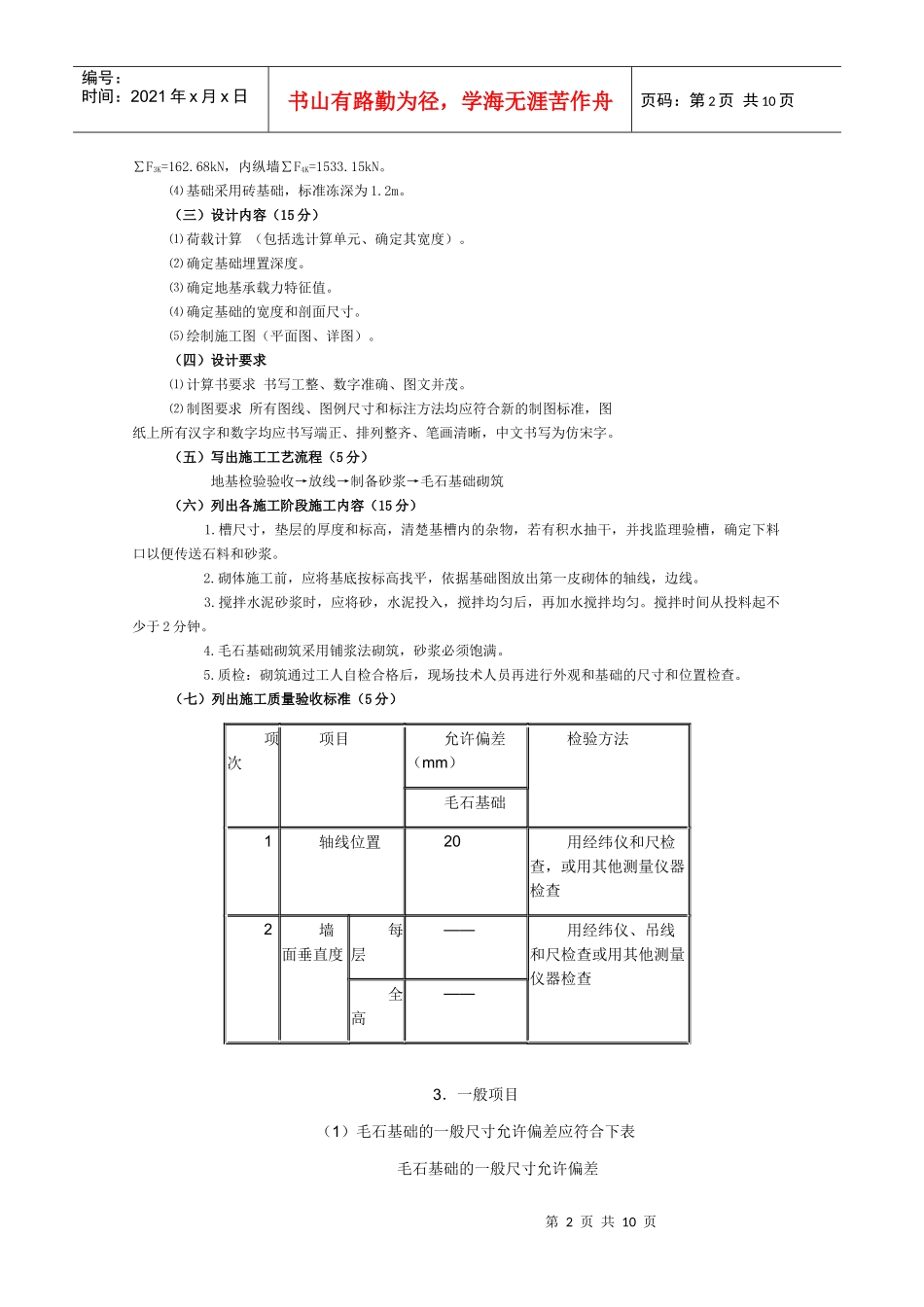
《建筑基础工程施工质量管理》课程考核题目_第2页
2/10
《建筑基础工程施工质量管理》课程考核题目_第3页
3/10
第1页共10页编号:时间:2021年x月x日书山有路勤为径,学海无涯苦作舟页码:第1页共10页10级建筑工程管理专业《建筑基础工程施工质量管理》课程期末考核题目一、墙下条形基础课程设计、施工及验收(40分)(一)设计题目某教学楼采用条形砖基础,教学楼建筑平面如图1所示,试设计该基础。(二)设计资料⑴工程地质条件如图2所示。杂填土γ=16KN/m3粉质粘土γ=18KN/m3ηb=0.3Es=10MPaηd=1.6fk=196KN/m2淤泥质土Es=2MPafk=88KN/m2⑵室外设计地面-0.6m,室外设计地面标高同天然地面标高。⑶由上部结构传至基础顶面的竖向力值分别为外纵墙∑F1K=558.57kN,山墙∑F2K=168.61kN,内横墙图1平面图图4-2工程地质剖面图第2页共10页第1页共10页编号:时间:2021年x月x日书山有路勤为径,学海无涯苦作舟页码:第2页共10页∑F3K=162.68kN,内纵墙∑F4K=1533.15kN。⑷基础采用砖基础,标准冻深为1.2m。(三)设计内容(15分)⑴荷载计算(包括选计算单元、确定其宽度)。⑵确定基础埋置深度。⑶确定地基承载力特征值。⑷确定基础的宽度和剖面尺寸。⑸绘制施工图(平面图、详图)。(四)设计要求⑴计算书要求书写工整、数字准确、图文并茂。⑵制图要求所有图线、图例尺寸和标注方法均应符合新的制图标准,图纸上所有汉字和数字均应书写端正、排列整齐、笔画清晰,中文书写为仿宋字。(五)写出施工工艺流程(5分)地基检验验收→放线→制备砂浆→毛石基础砌筑(六)列出各施工阶段施工内容(15分)1.槽尺寸,垫层的厚度和标高,清楚基槽内的杂物,若有积水抽干,并找监理验槽,确定下料口以便传送石料和砂浆。2.砌体施工前,应将基底按标高找平,依据基础图放出第一皮砌体的轴线,边线。3.搅拌水泥砂浆时,应将砂,水泥投入,搅拌均匀后,再加水搅拌均匀。搅拌时间从投料起不少于2分钟。4.毛石基础砌筑采用铺浆法砌筑,砂浆必须饱满。5.质检:砌筑通过工人自检合格后,现场技术人员再进行外观和基础的尺寸和位置检查。(七)列出施工质量验收标准(5分)项次项目允许偏差(mm)检验方法毛石基础1轴线位置20用经纬仪和尺检查,或用其他测量仪器检查2墙面垂直度每层——用经纬仪、吊线和尺检查或用其他测量仪器检查全高——3.一般项目(1)毛石基础的一般尺寸允许偏差应符合下表毛石基础的一般尺寸允许偏差第3页共10页第2页共10页编号:时间:2021年x月x日书山有路勤为径,学海无涯苦作舟页码:第3页共10页项次项目允许偏差(mm)检验方法毛石基础1基础顶面标高±25用水准仪和尺检查2砌体厚度+30用尺检查二、钢筋混凝土浅基础施工考核(30分)(一)钢筋混凝土条形基础平法识图(10分)每组找出钢筋混凝土浅基础平法表示图纸,根据图纸,列出各轴线基础工程量,按材料和型号分别列出。(二)钢筋混凝土浅基础施工工艺及施工内容(10分)基槽清理,验槽→混泥土垫层浇筑,养护→抄平放线→基础底板钢筋绑扎,支模板→钢筋模板质量检查,清理→基础混泥土浇筑→混泥土养护1.清理及垫层混泥土浇筑地基验槽完成后,清理表层浮土,不得有积水,立即进行垫层混泥土施工,必须振捣密实,表面平整,严禁晒基土2.钢筋绑扎基层垫层浇筑完成达到一定强度后,在其上弹线,支模,铺放钢筋网片。3.模板安装钢筋绑扎及相关施工完成后立即进行模板安装。4.清理清除模板内的木屑,泥土等杂物,木模浇水湿润,堵平板缝及孔洞,清楚积水5.混泥土浇筑,振捣,养护。6.拆模。(三)钢筋混凝土浅基础质量验收(10分)列出各分项工程项目的验收标准。三、预制桩基础施工项目考核(必做,不计分)(一)、单项选择题(不计分)1.锤击沉桩法又称()。A.强夯桩B.打入桩C.灌注桩D.夯击桩2.锤击沉桩法的施工程序中在“确定桩位和沉桩顺序”之后应进行()工作。A.打桩机就位B.校正桩位C.吊桩喂桩D.锤击沉桩3.锤击沉桩法的施工程序中在“打桩机就位”之后应进行()工作。A.接桩、再锤击沉B.校正桩位C.吊桩喂桩D.锤击沉桩4.锤击沉桩法的施工程序中在“吊桩喂桩”之后应进行()工作。A.打桩机就位B.校正桩位第4页共10页第3页共10页编号:时间:2021年x月x日书山有路勤为径,学海无涯苦作舟页码:第4页共10...

1、当您付费下载文档后,您只拥有了使用权限,并不意味着购买了版权,文档只能用于自身使用,不得用于其他商业用途(如 [转卖]进行直接盈利或[编辑后售卖]进行间接盈利)。
2、本站所有内容均由合作方或网友上传,本站不对文档的完整性、权威性及其观点立场正确性做任何保证或承诺!文档内容仅供研究参考,付费前请自行鉴别。
3、如文档内容存在违规,或者侵犯商业秘密、侵犯著作权等,请点击“违规举报”。

碎片内容

《建筑基础工程施工质量管理》课程考核题目

确认删除?
VIP
微信客服
  • 扫码咨询
会员Q群
  • 会员专属群点击这里加入QQ群
客服邮箱
回到顶部