电脑桌面
添加小米粒文库到电脑桌面
安装后可以在桌面快捷访问

内容详见附件-江苏省交通运输管理系统VIP免费

内容详见附件-江苏省交通运输管理系统_第1页
1/5
内容详见附件-江苏省交通运输管理系统_第2页
2/5
内容详见附件-江苏省交通运输管理系统_第3页
3/5
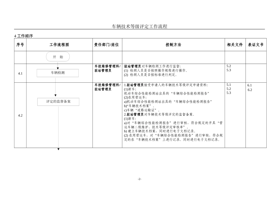
车辆技术等级评定工作流程运管系统标志泰州市运输管理处编号:Q/TZYG-QM-Ш-D-05-2006版次:A/0工作指导书生效日期:06年02月01日第1页共4页车辆技术等级评定工作流程1适用范围适用于本行政辖区营运车辆技术等级评定工作。2职责2.1车技维修管理科驻站管理员负责车辆技术等级评定资料审核、等级评定及记录工作。2.2车技维修管理科科长负责组织并监督车辆技术等级评定工作。3质量要求3.1车技维修管理科对受理的营运车辆的技术等级评定应当即时办理。3.2驻站管理员应认真审核车辆技术等级评定的申请资料。3.3车技维修管理科驻站管理员应当对车辆检测过程进行监督。--1车辆技术等级评定工作流程4工作顺序序号工作流程图责任部门/岗位控制方法相关文件表证文书4.1车技维修管理科/驻站管理员驻站管理员对车辆检测工作进行监督:(1)检测人员是否按照操作规程进行操作。(2)检测人员是否按标准进行判定。5.25.34.2车技维修管理科/驻站管理员1.驻站管理员接受申请人的车辆技术等级评定申请资料:(1)新车:机动车综合性能检测站出具的“车辆综合性能检测报告”(2)在用营运车:a)机动车综合性能检测站出具的“车辆综合性能检测报告”b)“车辆技术档案”。c)车辆“道路运输证”。2.驻站管理员对车辆技术等级评定的监督备案。(1)新车:a)对“车辆综合性能检测报告”进行审核,符合规定的开具“营运车辆二级维护、技术等级评定审核单”。b)建立车辆技术档案,同时进行电子文档记录。(2)在用营运车,对“车辆综合性能检测报告”进行审核,符合规定的在“车辆技术档案”上进行记录。同时进行电子文档记录。5.15.25.36.16.2--车辆检测开始评定的监督备案2车辆技术等级评定工作流程序号工作流程图责任部门/岗位控制方法相关文件表证文书4.3车技维修管理科/驻站管理员驻站管理员将相关记录整理归档。--结束资料归档3第4页共5页编号:时间:2021年x月x日书山有路勤为径,学海无涯苦作舟页码:第4页共5页运管系统标志泰州市运输管理处编号:Q/TZYG-QM-Ш-D-05-2006版次:A/0工作指导书生效日期:06年02月01日第4页共4页5相关文件5.1《中华人民共和国道路运输条例》(2004年国务院406令)5.2《营运车辆技术等级划分和评定要求》JT/T198-20045.3《营运车辆综合性能要求和检验方法》(GB18565-2004)5.4《道路车辆外廓尺寸、轴荷及质量限值》(GB1589-2004)5.5《机动车运行安全技术条件》(GB7258-2004)6表证文书6.1车辆技术档案6.2营运车辆二级维护、技术等级评定审核单第5页共5页第4页共5页编号:时间:2021年x月x日书山有路勤为径,学海无涯苦作舟页码:第5页共5页

1、当您付费下载文档后,您只拥有了使用权限,并不意味着购买了版权,文档只能用于自身使用,不得用于其他商业用途(如 [转卖]进行直接盈利或[编辑后售卖]进行间接盈利)。
2、本站所有内容均由合作方或网友上传,本站不对文档的完整性、权威性及其观点立场正确性做任何保证或承诺!文档内容仅供研究参考,付费前请自行鉴别。
3、如文档内容存在违规,或者侵犯商业秘密、侵犯著作权等,请点击“违规举报”。

碎片内容

内容详见附件-江苏省交通运输管理系统

您可能关注的文档

确认删除?
VIP
微信客服
  • 扫码咨询
会员Q群
  • 会员专属群点击这里加入QQ群
客服邮箱
回到顶部