电脑桌面
添加小米粒文库到电脑桌面
安装后可以在桌面快捷访问

GFI-GH-12零星工程图纸格式标准VIP免费

GFI-GH-12零星工程图纸格式标准_第1页
1/8
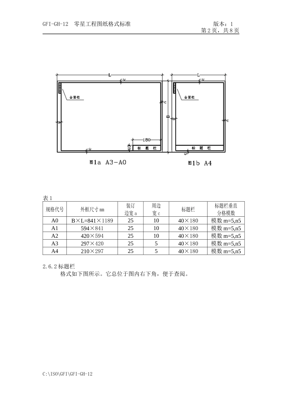
GFI-GH-12零星工程图纸格式标准_第2页
2/8
GFI-GH-12零星工程图纸格式标准_第3页
3/8
GFI-GH-12零星工程图纸格式标准版本:1第1页,共8页零星工程图纸格式标准1.本公司自行设计的零星工程项目,必须采用本公司的图纸格式标准(=GB6988.2和GB4457.1-84=ISO5457-1980)。它是本公司企业形象(CI)体现方式之一。设计组成为:封面、图纸(资料)目录、设计说明、计算书、设备及主要材料表及项目图纸。2.图纸格式标准2.1封面封面格式请见附件GFI-GH-12-F1《封面》。2.2图纸(资料)目录图纸(资料)目录格式请见附件GFI-GH-12-F2《图纸(资料)目录》。2.3设计说明设计说明格式请见附件GFI-GH-12-F3《设计说明》。2.4计算书计算书格式请见附件GFI-GH-12-F4《计算书》。2.5设备及主要材料表设备及主要材料表格式请见附件GFI-GH-12-F5《设备及主要材料表》。2.6项目图纸2.6.1样式及尺寸A1、A2、A3、A0样式见图1a;A4样式见图1b;尺寸见表1:C:\ISO\GFI\GFI-GH-12GFI-GH-12零星工程图纸格式标准版本:1第2页,共8页表1规格代号外框尺寸mm装订边宽a周边宽c标题栏标题栏垂直分格模数A0B×L=841×1189251040×180模数m=5,n5A1594×841251040×180模数m=5,n5A2420×594251040×180模数m=5,n5A3297×42025540×180模数m=5,n5A4210×29725540×180模数m=5,n52.6.2标题栏格式如下图所示。它总位于图内右下角,便于查阅。C:\ISO\GFI\GFI-GH-12GFI-GH-12零星工程图纸格式标准版本:1第3页,共8页3.封面、图纸(资料)目录、设计说明、计算书、设备及主要材料表及项目图纸均由现场办公室统一印制,供设计使用。4.附件4.1GFI-GH-12-F1《封面》4.2GFI-GH-12-F2《图纸(资料)目录》4.3GFI-GH-12-F3《设计说明》4.4GFI-GH-12-F4《计算书》4.5GFI-GH-12-F5《设备及主要材料表》C:\ISO\GFI\GFI-GH-12GFI-GH-12-F1.1项目子项阶段编号职务姓名签章日期总师室部门负责人项目负责人设计负责人归档:年月日GFI-GH-12-F2.1图纸(资料)目录编号:第张共张序号图号、编号、代号图纸(资料)名称张数折A1备注设计审核批准日期年月日GFI-GH-12-F3.1设计说明编号:第张,共张设计审核批准日期年月日GFI-GH-12-F4.1计算书编号:第张,共张设计审核批准日期年月日第8页共8页编号:时间:2021年x月x日书山有路勤为径,学海无涯苦作舟页码:第8页共8页GFI-GH-12-F5.1设备及主要材料表编号:第张,共张序号代号、符号名称型号及规格单位数量备注设计审核批准日期年月日

1、当您付费下载文档后,您只拥有了使用权限,并不意味着购买了版权,文档只能用于自身使用,不得用于其他商业用途(如 [转卖]进行直接盈利或[编辑后售卖]进行间接盈利)。
2、本站所有内容均由合作方或网友上传,本站不对文档的完整性、权威性及其观点立场正确性做任何保证或承诺!文档内容仅供研究参考,付费前请自行鉴别。
3、如文档内容存在违规,或者侵犯商业秘密、侵犯著作权等,请点击“违规举报”。

碎片内容

GFI-GH-12零星工程图纸格式标准

确认删除?
VIP
微信客服
  • 扫码咨询
会员Q群
  • 会员专属群点击这里加入QQ群
客服邮箱
回到顶部