电脑桌面
添加小米粒文库到电脑桌面
安装后可以在桌面快捷访问

万豪酒店工程部标准操作章程VIP免费

万豪酒店工程部标准操作章程_第1页
1/59
万豪酒店工程部标准操作章程_第2页
2/59
万豪酒店工程部标准操作章程_第3页
3/59
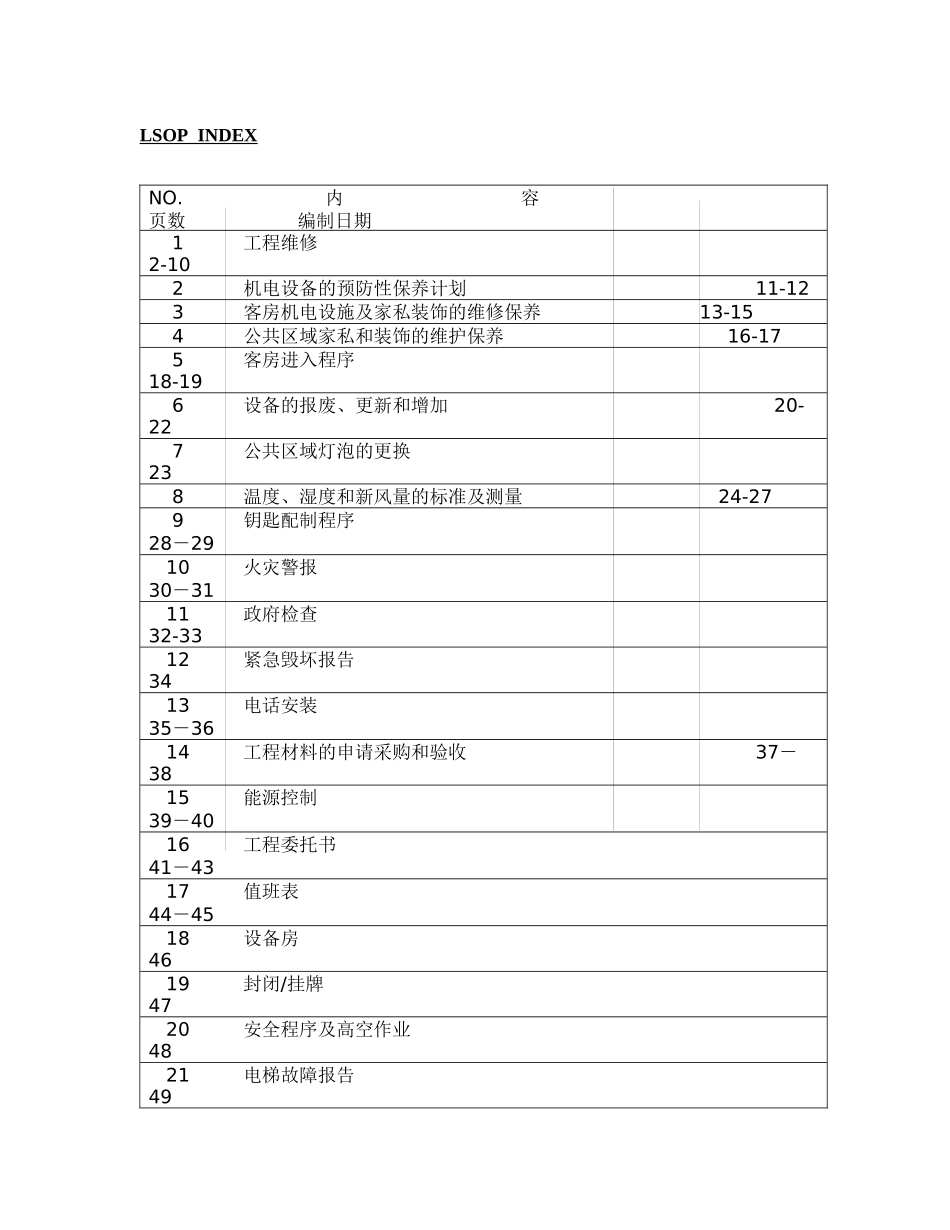
第四单元工程部标准操作规程0苏州万怡酒店CourtyardHOTELSuzhou工程部标准操作规程ENGINEERINGDEPARTMENTLocalStandardOperatingProcedure0LSOPINDEXNO.内容页数编制日期1工程维修2-102机电设备的预防性保养计划11-123客房机电设施及家私装饰的维修保养13-154公共区域家私和装饰的维护保养16-175客房进入程序18-196设备的报废、更新和增加20-227公共区域灯泡的更换238温度、湿度和新风量的标准及测量24-279钥匙配制程序28-2910火灾警报30-3111政府检查32-3312紧急毁坏报告3413电话安装35-3614工程材料的申请采购和验收37-3815能源控制39-4016工程委托书41-4317值班表44-4518设备房4619封闭/挂牌4720安全程序及高空作业4821电梯故障报告4922紧急电源50-5123生命安全5224动火证53-54.第3页共60页编号:时间:2021年x月x日书山有路勤为径,学海无涯苦作舟页码:第3页共60页苏州万怡酒店工程部标准操作规程编号:ENG-41-001生效日期:19-4-2010主管部门:工程部修改日期:15-4-2010部门:工程部编制:工程总监批准人:总经理主题:工程维修(1/9页)1.目的提供一个在酒店范围内确定工作请求、优先考虑、计划并予以落实的体系。2.政策针对分配给工程部的各项任务,所有酒店各相关部门必须采用《工程部申请程序》和工作令以完成此类任务。3.程序3.1标准3.1.1所有部门必须应用工程部申请程序,除紧急情况或客户要求的外,所有工作都必须先行申请方可进行。3.1.2电话报修只有在紧急情况下或发生与客人直接有关的问题时方可使用。3.1.3工程申请单上所有信息填写栏都必须由申请者、酒店工程师或负责完成该项任务的工程部员工填写完成。3.1.4根据程序采用工程部申请任务分配板并由工程总监负责监督执行。3.1.5工程部申请程序应作为维护《维修记录簿记录》和控制库存的必要基础步骤。3.1.6工程部申请程序是针对修理或维修设定的,不可用于新增物品的加工制作项目请求。3.1.7只有所采用的计算机系统能完全满足本政策规定的信息和跟踪要求,方可替代工程部申请程序。苏州万怡酒店第3页共60页第4页共60页编号:时间:2021年x月x日书山有路勤为径,学海无涯苦作舟页码:第4页共60页工程部标准操作规程编号:ENG-41-001生效日期:19-4-2010主管部门:工程部修改日期:15-4-2010部门:工程部编制:工程总监批准人:总经理主题:工程维修(2/9页)3.2程序3.2.1工程部在执行每一项无论是由工程部或酒店部门分配的任务时,都必须采用工程申请程序。3.2.2工程申请单共分三联,白联、粉联和蓝联构成,三联内容相同.3.2.3酒店各部门在申请维修工作时必须填写工程申请单。在紧急情况或发生与客人直接有关的问题时可电话报修,为了记录维修目的以及进行生产率监督,电话报修者必须在工程部完成后补填工程申请单。3.2.4如果出于上述原因采用了电话报修方式,事后电话报修者或工程部仍需补填工程申请单。在接到报修电话后,必须在工作单上写上“电话报修确认单”字样,防止重复执行电话报修项目。3.2.5为了防止出现重复的工程申请,只有部门负责人或其指定代表有权填报工程申请单。3.2.6工程部申请单上所填写的信息都必须做到字迹清楚,填写规范。3.2.7下面列出了工程部申请单所必需填写的信息:申请人:发出部门:填写申请单的部门名称日期:申请当日日期时间:申请维修的时间地点:问题所在地点(必须确切)苏州万怡酒店第5页共60页第4页共60页编号:时间:2021年x月x日书山有路勤为径,学海无涯苦作舟页码:第5页共60页工程部标准操作规程编号:ENG-41-001生效日期:19-4-2010主管部门:工程部修改日期:15-4-2010部门:工程部编制:工程总监批准人:总经理主题:工程维修(3/9页)工作内容:申请或问题性质(必须具体详尽)工程部维修记录:简单解释所作何事解决了或完成了的报修事项接收人:接收工单员工的姓名维修员:完成该项工作的员工姓名耗用(请购)材料:填入材料、数量3.2.8申请者在完成其应填部分内容后,应将白联及粉联转交给工程部。蓝联由申请者保存留底。3.2.8.1注意:建议采用如下方式递交工程部申请:3.2.8.2酒店内部邮件系统3.2.8.3预先指定的申请收取地点3.2.8.4手递给工程部3.2.8.5通过计算机系统直...

1、当您付费下载文档后,您只拥有了使用权限,并不意味着购买了版权,文档只能用于自身使用,不得用于其他商业用途(如 [转卖]进行直接盈利或[编辑后售卖]进行间接盈利)。
2、本站所有内容均由合作方或网友上传,本站不对文档的完整性、权威性及其观点立场正确性做任何保证或承诺!文档内容仅供研究参考,付费前请自行鉴别。
3、如文档内容存在违规,或者侵犯商业秘密、侵犯著作权等,请点击“违规举报”。

碎片内容

万豪酒店工程部标准操作章程

您可能关注的文档

确认删除?
VIP
微信客服
  • 扫码咨询
会员Q群
  • 会员专属群点击这里加入QQ群
客服邮箱
回到顶部