电脑桌面
添加小米粒文库到电脑桌面
安装后可以在桌面快捷访问

EGSB啤酒废水处理工艺毕业设计VIP免费

EGSB啤酒废水处理工艺毕业设计_第1页
1/70
EGSB啤酒废水处理工艺毕业设计_第2页
2/70
EGSB啤酒废水处理工艺毕业设计_第3页
3/70
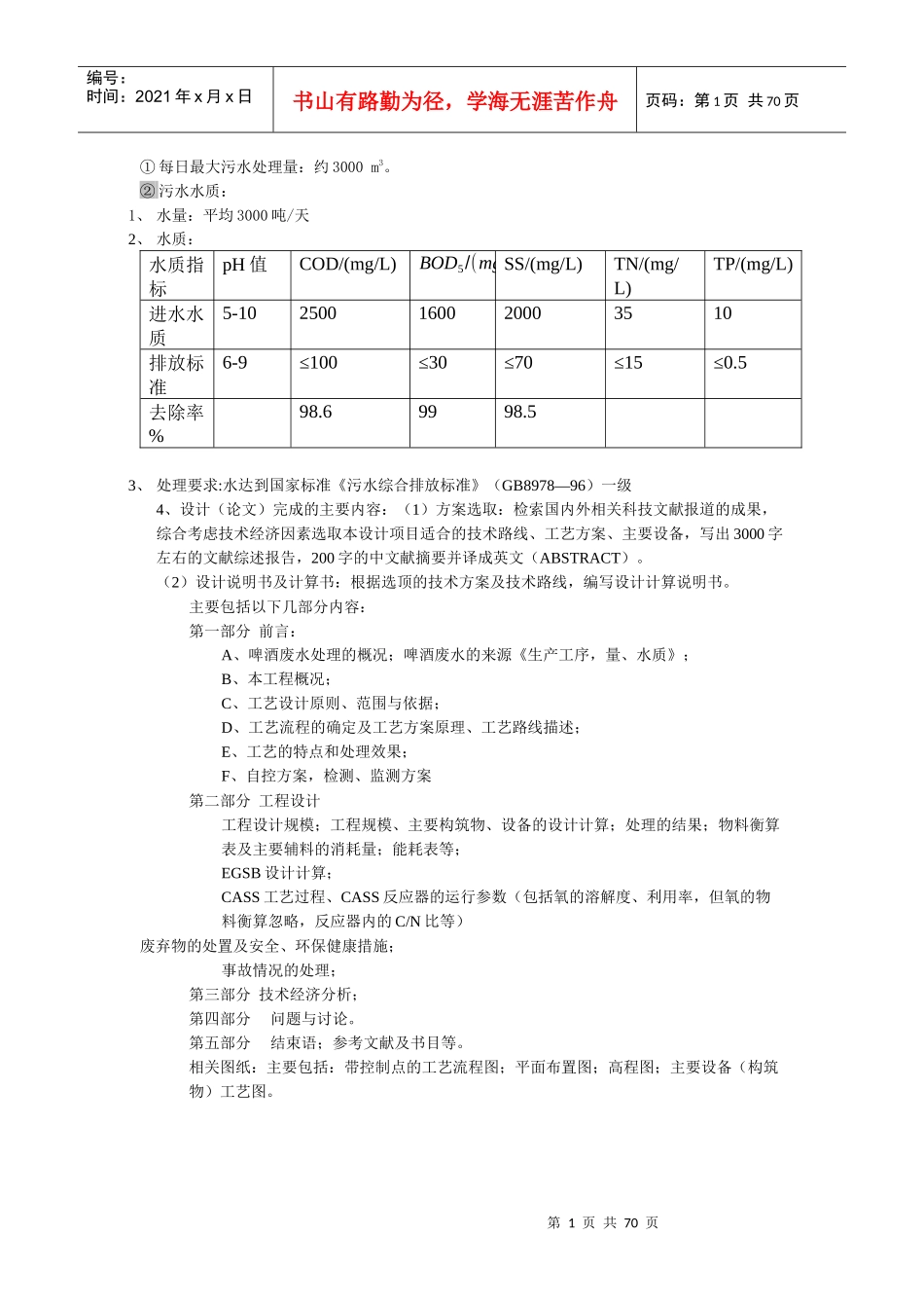
第1页共70页编号:时间:2021年x月x日书山有路勤为径,学海无涯苦作舟页码:第1页共70页①每日最大污水处理量:约3000m3。②污水水质:1、水量:平均3000吨/天2、水质:水质指标pH值COD/(mg/L)BOD5/(mg/L)SS/(mg/L)TN/(mg/L)TP/(mg/L)进水水质5-102500160020003510排放标准6-9≤100≤30≤70≤15≤0.5去除率%98.69998.53、处理要求:水达到国家标准《污水综合排放标准》(GB8978—96)一级4、设计(论文)完成的主要内容:(1)方案选取:检索国内外相关科技文献报道的成果,综合考虑技术经济因素选取本设计项目适合的技术路线、工艺方案、主要设备,写出3000字左右的文献综述报告,200字的中文献摘要并译成英文(ABSTRACT)。(2)设计说明书及计算书:根据选顶的技术方案及技术路线,编写设计计算说明书。主要包括以下几部分内容:第一部分前言:A、啤酒废水处理的概况;啤酒废水的来源《生产工序,量、水质》;B、本工程概况;C、工艺设计原则、范围与依据;D、工艺流程的确定及工艺方案原理、工艺路线描述;E、工艺的特点和处理效果;F、自控方案,检测、监测方案第二部分工程设计工程设计规模;工程规模、主要构筑物、设备的设计计算;处理的结果;物料衡算表及主要辅料的消耗量;能耗表等;EGSB设计计算;CASS工艺过程、CASS反应器的运行参数(包括氧的溶解度、利用率,但氧的物料衡算忽略,反应器内的C/N比等)废弃物的处置及安全、环保健康措施;事故情况的处理;第三部分技术经济分析;第四部分问题与讨论。第五部分结束语;参考文献及书目等。相关图纸:主要包括:带控制点的工艺流程图;平面布置图;高程图;主要设备(构筑物)工艺图。第2页共70页第1页共70页编号:时间:2021年x月x日书山有路勤为径,学海无涯苦作舟页码:第2页共70页摘要啤酒废水中有机物含量较高,如直接排放,既污染环境又降低啤酒工业的原料利用率,为此,许多学者和厂家对啤酒废水的处理和利用技术进行研究,对几种常见的处理利用技术进行了比较,得出结论:单一的处理和利用技术不能从根本上解决啤酒废水的污染问题,只有将多种技术结合使用,才能达到经济效益和环境效益的统一。本文根据前人的研究成果综述了啤酒废水处理和利用的现状,有针对性的对啤酒废水自身的特性,通过对酸化―SBR处理啤酒废水,EGSB+CASS法处理啤酒废水,新型接触氧化法处理啤酒废水,生物接触氧化法处理啤酒废水,上流式厌氧污泥床(UASB)等处理啤酒废水的几种处理方法的详细分析,确定最佳方案即用EGSB+CASS。EGSB+CASS的主要组成部分是EGSB反应器。本文介绍了有关EGSB+CASS的处理流程和设计的计算、对格、调节池、EGSB池、CASS池、污泥浓缩池等进行了精细的设计和计算。并对主要构筑物EGSB池、CASS做了详细的说明。EGSB+CASS处理高浓度有机废水,其关键是培养出沉降性能良好的厌氧颗粒污泥。采用此工艺,不但使处理流程简洁,也节省了运行费用,在降低废水浓度的同时,还可以回收在处理过程中所产沼气作为能源的利用。以便我为进一步探讨效益资源型处理技术提供借鉴。本设计工艺流程为:啤酒废水→格栅→污水提升泵房→调节沉淀池→EGSB反应器→CASS池→处理水整个工艺具有总投资少,处理效果好,工艺简单,占地面积省,运行稳定,能耗少的优点。关键字:啤酒工业废水处理EGSBCASS沼气回收AbstractStudent:Jin-HuiLi,DepartmentofChemicalEngineeringTeacher:Zhuo-TangZhu,YangtzeUniversityBeingliquidcontaininghighorganicpollutants,brewerywastewatermaynotonlyleadtoenvironmentalpollution,butalsodecreasetheutilizationratioofrawmaterial第3页共70页第2页共70页编号:时间:2021年x月x日书山有路勤为径,学海无涯苦作舟页码:第3页共70页usedinbeerproduction.Therefore,manyscholarsandbrewerieshavepaidmuchattentiontodevelopingnewtechniquesfortreatingandmakinguseofbrewerywastewater.Thispapermakesacomparisonamongvariousnewtechniquesonthebasisofanalyzingthesourcesandcharacteristicsofbrewerywastewater.Itisconcludedthatasingletechniquecannoteffectivelyremovethecontaminationfrombre...

1、当您付费下载文档后,您只拥有了使用权限,并不意味着购买了版权,文档只能用于自身使用,不得用于其他商业用途(如 [转卖]进行直接盈利或[编辑后售卖]进行间接盈利)。
2、本站所有内容均由合作方或网友上传,本站不对文档的完整性、权威性及其观点立场正确性做任何保证或承诺!文档内容仅供研究参考,付费前请自行鉴别。
3、如文档内容存在违规,或者侵犯商业秘密、侵犯著作权等,请点击“违规举报”。

碎片内容

EGSB啤酒废水处理工艺毕业设计

您可能关注的文档

确认删除?
VIP
微信客服
  • 扫码咨询
会员Q群
  • 会员专属群点击这里加入QQ群
客服邮箱
回到顶部