电脑桌面
添加小米粒文库到电脑桌面
安装后可以在桌面快捷访问

2SMW工法桩施工作业标准VIP专享VIP免费

2SMW工法桩施工作业标准_第1页
1/12
2SMW工法桩施工作业标准_第2页
2/12
2SMW工法桩施工作业标准_第3页
3/12
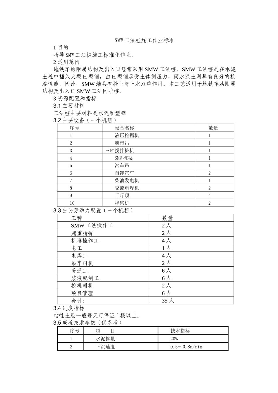
SMW工法桩施工作业标准1目的指导SMW工法桩施工标准化作业。2适用范围地铁车站附属结构及出入口经常采用SMW工法桩。SMW工法桩是在水泥土桩中插入大型H型钢,由H型钢承受土体侧压力,而水泥土则具有良好的抗渗性能,因此,SMW墙具有挡土与止水双重作用。本工艺适用于地铁车站附属结构及出入口SMW工法围护桩。3资源配置和指标3.1主要材料工法桩主要材料是水泥和型钢3.2主要设备(一个机组)序号设备名称数量1液压挖掘机12履带吊13三轴搅拌桩机14SMW桩架15汽车吊16自卸汽车27柴油发电机18交流电焊机29千斤顶410拌浆机23.3主要劳动力配置(一个机租)工种数量SMW工法操作工2人起重指挥2人机器操作工4人电工1人电焊工4人吊车司机2人普通工6人浆液配制工6人挖机司机2人项目管理6人合计:35人3.4进度指标粘性土层一般每天可保证5根以上。3.5成桩技术参数(供参考)序号项目技术指标1水泥掺量20%2下沉速度0.5~0.8m/min开挖导沟设置定位型钢型钢加工混合搅拌型钢涂减摩材料插入型钢主体结构施工型钢回收SMW桩机就位浆液制作浆液注入冠梁施工测量放线定SMW桩桩位3提升速度1.0m/min4搅拌转速30~50转/min5浆液流量40L/min4施工工艺4.1工艺流程图4.2施工方法4.2.1施工准备1)施工准备与测量放线机械进场前对搅拌桩施工区域内地表淤泥、杂物进行清除及场地平整,加固做到地基坚实平整,保证SMW围护结构沿线道路平整、畅通,施工场地路基以能行走50t大吊车为准。施工前作好管线保护,清理障碍物,然后铺设导木,安装导轨,在导轨上安装底盘(底盘上下为钢板中间夹槽钢焊成),并临时固定,在底盘上搭设塔架。塔架拼装完成后利用塔架进行深层搅拌桩机吊装,同时安装灰浆制备系统包括工作平台、制浆设备及泵送设备、灰浆流动制备站。做好管线连接工作,最后进行机械调试。根据坐标基准点,按设计图放出桩位,并设临时控制桩,填好技术复核单并验收。2)导沟开挖及定位型钢安放(1)开挖沟槽根据基坑围护内边控制线,采用0.4m3挖机开挖沟槽,并清除地下障碍物,沟槽尺寸如图,开挖沟槽余土应及时处理,以保证SMW工法正常施工,并达到文明工地要求。2)定位型钢放置垂直沟槽方向放置两根定位型钢,规格为200×200,长约2.5m,再在平行沟槽方向放置两根定位型钢规格300×300,长约8~20m,转角处H型钢采取与围护中心线成450角插入,H型钢定位采用型钢定位卡,具体位置及尺寸如下图所示。3)用卷扬机和人力移动搅拌桩机到达作业位置,并调整桩架垂直度达到1%以上。桩机移位由当班机长统一指挥,移动前必须仔细观察现场情况,移位要做到平稳、安全。桩机定位后,由当班机长负责对桩位进行复核,偏差不得大于20mm。4)桩机垂直度校正在桩架上焊接一半径为5cm的铁圈,10m高处悬挂一铅锤,利用经纬仪校直钻杆垂直度,使铅锤正好通过铁圈中心。每次施工前必须适当调节钻杆,使铅锤位于铁圈内,即把钻杆垂直度误差控制在0.5%内。采用0.8m3挖机开挖导沟,沟槽宽度为1m,深度为0.6m。为确保桩位以及为安装H型钢提供导向装置,平行沟槽方向放置两根300mm×300mm工字钢,定位型钢上设桩位标志和插H型钢的位置。4.2.2SMW桩成桩施工1、SMW搅拌机就位桩机就位,移动前看清上、下、左、右各方面的情况,发现障碍物应及时清除,桩机移动结束后认真检查定位情况并及时纠正。桩机应平稳、平正,并用线锤对龙门立柱垂直定位观测以确保桩机的垂直度,垂直度偏差不大于1/100。三轴水泥搅拌桩桩位定位后再进行定位复核,偏差值应小于30㎜。操作人员根据确定的位置严格控制钻机桩架的移动,确保钻孔轴心就位不偏,同时控制钻孔深度的达标,利用钻杆和桩架相对定位原理,在钻杆上划出钻孔深度的标尺线,严格控制下钻、提升速度和深度。2、成桩SMW成桩程序如图所示。第5页共12页编号:时间:2021年x月x日书山有路勤为径,学海无涯苦作舟页码:第5页共12页三轴搅拌桩的搭接以及成形搅拌桩的垂直度补正是依靠搅拌桩单孔重复套钻来实现的,以确保搅拌桩的隔水帷幕作用。三轴搅拌桩一般采用跳槽式双孔全套复搅式施工,但在特殊情况下(例如搅拌桩成转角施工或施工间断)也可采用单侧挤压式施工,如图所示。a双孔全套复搅式施工第6页共...

1、当您付费下载文档后,您只拥有了使用权限,并不意味着购买了版权,文档只能用于自身使用,不得用于其他商业用途(如 [转卖]进行直接盈利或[编辑后售卖]进行间接盈利)。
2、本站所有内容均由合作方或网友上传,本站不对文档的完整性、权威性及其观点立场正确性做任何保证或承诺!文档内容仅供研究参考,付费前请自行鉴别。
3、如文档内容存在违规,或者侵犯商业秘密、侵犯著作权等,请点击“违规举报”。

碎片内容

2SMW工法桩施工作业标准

确认删除?
VIP
微信客服
  • 扫码咨询
会员Q群
  • 会员专属群点击这里加入QQ群
客服邮箱
回到顶部