电脑桌面
添加小米粒文库到电脑桌面
安装后可以在桌面快捷访问

二厂报表与固定资产岗&会计电算化岗位说明书VIP免费

二厂报表与固定资产岗&会计电算化岗位说明书_第1页
1/3
二厂报表与固定资产岗&会计电算化岗位说明书_第2页
2/3
二厂报表与固定资产岗&会计电算化岗位说明书_第3页
3/3
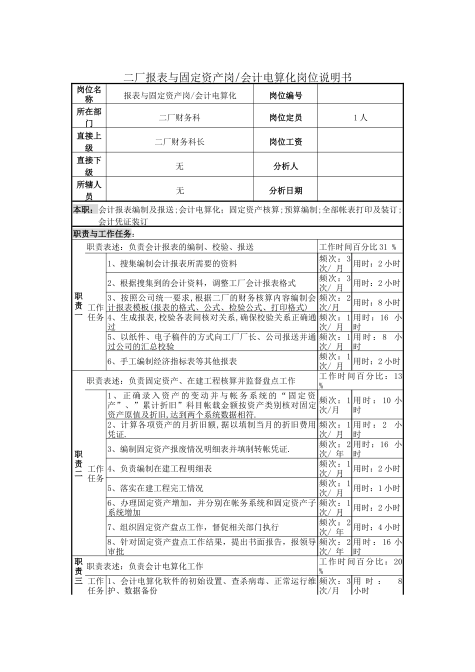
二厂报表与固定资产岗/会计电算化岗位说明书岗位名称报表与固定资产岗/会计电算化岗位编号所在部门二厂财务科岗位定员1人直接上级二厂财务科长岗位工资直接下级无分析人所辖人员无分析日期本职:会计报表编制及报送;会计电算化;固定资产核算;预算编制;全部帐表打印及装订;会计凭证装订职责与工作任务:职责一职责表述:负责会计报表的编制、校验、报送工作时间百分比31%工作任务1、搜集编制会计报表所需要的资料频次:3次/月用时:2小时2、根据搜集到的会计资料,调整工厂会计报表格式频次:3次/月用时:2小时3、按照公司统一要求,根据二厂的财务核算内容编制会计报表模板(报表的格式、公式、检验公式、打印格式)频次:2次/月用时:8小时4、生成报表,校验各表间核对关系,确保校验关系正确通过频次:1次/月用时:16小时5、以纸件、电子稿件的方式向工厂厂长、公司报送并通过公司的汇总校验频次:1次/月用时:8小时6、手工编制经济指标表等其他报表频次:1次/月用时:2小时职责二职责表述:负责固定资产、在建工程核算并监督盘点工作工作时间百分比:13%工作任务1、正确录入资产的变动并与帐务系统的“固定资产”、”累计折旧”科目帐载金额按资产类别核对固定资产原值及折旧,达到两个系统数据相符.频次:1次/月用时:10小时2、计算各项资产的月折旧额,据以填制当月的折旧费用凭证.频次:1次/月用时:2小时3、编制固定资产报废情况明细表并填制转帐凭证.频次:2次/年用时:16小时4、负责编制在建工程明细表频次:1次/月用时:2小时5、落实在建工程完工情况频次:1次/月用时:1小时6、办理固定资产增加,并分别在帐务系统和固定资产子系统增加频次:1次/月用时:2小时7、组织固定资产盘点工作,督促相关部门执行频次:2次/年用时:4小时8、针对固定资产盘点工作结果,提出书面报告,报领导审批频次:2次/年用时:16小时职责三职责表述:负责会计电算化工作工作时间百分比:20%工作任务1、会计电算化软件的初始设置、查杀病毒、正常运行维护、数据备份频次:3次/月用时:8小时2、转账凭证自动生成公式的编制频次:3次/年用时:6小时3、自动生成转账凭证的核对与打印频次:1次/月用时:4小时4、负责月末结帐工作频次:1次/月用时:4小时5、负责年末结帐工作频次:2次/年用时:16小时6、参与财务科计算机、打印机硬件的维护管理及耗材的更换工作频次:1次/月用时:1小时职责四职责表述:负责全部帐表打印、装订.工作时间百分比:8%工作任务1、设置打印总帐及明细帐的打印格式频次:2次/年用时:4小时2、年末打印总帐和全部明细帐并装订成册频次:1次/年用时:80小时3、编制、打印公司、工厂需要的其他帐表频次:3次/月用时:2小时职责五职责表述:负责低值易耗品的价格审核和监督盘点工作工作时间百分比:21%工作任务1、负责低值易耗品价格审核系统的建立工作频次:2次/年用时:4小时2、负责对低值易耗品采购价格进行审核频次:1次/天用时:1.5小时3、组织低值易耗品盘点工作,督促相关部门执行频次:2次/年用时:4小时4、针对低值易耗品盘点工作结果,提出书面报告,报领导审批频次:2次/年用时:16小时职责六职责表述:负责在建工程、固定资产预算表的编制工作工作时间百分比:3%工作任务1、根据公司、工厂要求建立在建工程、固定资产预算表格频次:2次/年用时:4小时2、根据设备科、行管科提供的改造预算,编制固定资产预算,并分解到月频次:2次/年用时:8小时3、根据月份采购预算,编制新增固定资产折旧预算,并分解到部门、月份频次:2次/年用时:8小时4、落实固定资产折旧到期情况,为编制次年预算提供资料频次:2次/年用时:8小时职责七职责表述:完成上级交办的其他工作工作时间百分比:4%权力:1、本工厂范围内的报表用财务、生产数据的收集权2、本工厂范围内的帐表等财务资料的使用权3、本工厂范围内的数据的核对权4、本部门范围内的办公设备的使用权和维护权5、完成领导交办的其它工作所需要的权利考核指标:1、数据报送:保证每月4日以前给公司提供第一工厂上月利润数据,遇特殊情况除外2、上报报表:每月10日前将上月报表打印完成上交公司3、装订计报表:每月10号装订一次...

1、当您付费下载文档后,您只拥有了使用权限,并不意味着购买了版权,文档只能用于自身使用,不得用于其他商业用途(如 [转卖]进行直接盈利或[编辑后售卖]进行间接盈利)。
2、本站所有内容均由合作方或网友上传,本站不对文档的完整性、权威性及其观点立场正确性做任何保证或承诺!文档内容仅供研究参考,付费前请自行鉴别。
3、如文档内容存在违规,或者侵犯商业秘密、侵犯著作权等,请点击“违规举报”。

碎片内容

二厂报表与固定资产岗&会计电算化岗位说明书

您可能关注的文档

中小学资料+ 关注
实名认证
内容提供者

精美课件,值得下载

确认删除?
VIP
微信客服
  • 扫码咨询
会员Q群
  • 会员专属群点击这里加入QQ群
客服邮箱
回到顶部