电脑桌面
添加小米粒文库到电脑桌面
安装后可以在桌面快捷访问

预埋件连接措施加固方案 VIP免费

预埋件连接措施加固方案 _第1页
1/4
预埋件连接措施加固方案 _第2页
2/4
预埋件连接措施加固方案 _第3页
3/4
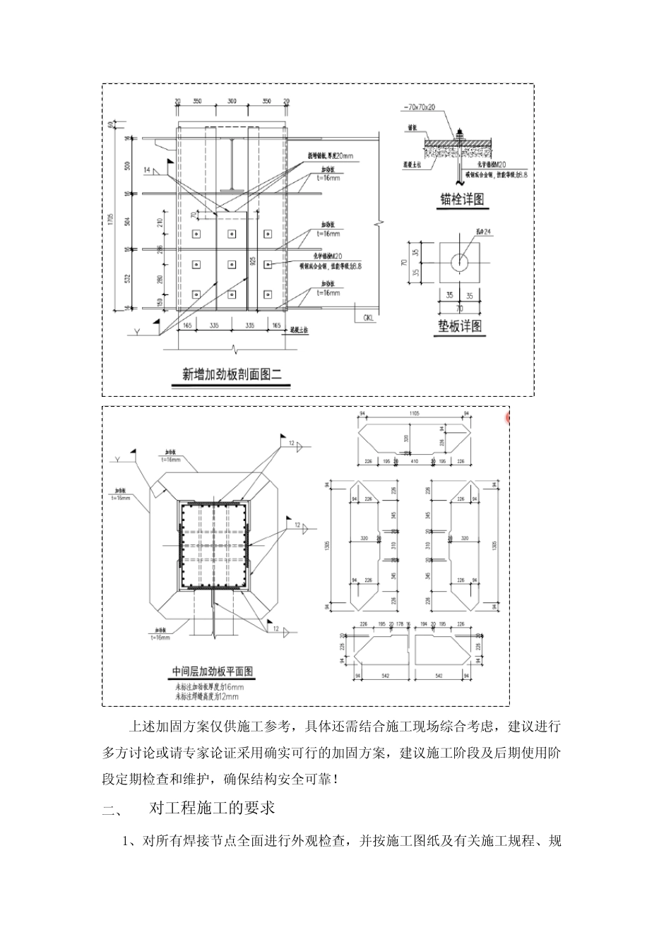
预埋件连接措施加固方案一、设计加固方案1、加强预埋件与混凝土柱的连接措施,建议柱顶角部增加锚板进行加强。新增锚板钢材强度等级均为Q355B;新增锚板与混凝土连接部分采用结构胶粘剂粘贴,钢板外表面需要先进行防锈蚀处理;应采用耐环境因素作用的胶粘剂,并按专门的工艺要求进行粘贴;具体施工前混凝土表面的处理需按照相关施工规范要求进行;新增锚板和原有锚板进行搭接时采用焊接技术,焊缝等级为二级,焊缝高度等详见加固方案参考图;部分新增锚板与混凝土柱连接采用胶粘剂粘贴的同时还采用特殊倒锥形胶粘型化学锚栓M20连接加强,锚筋材料选用碳钢或合金钢,性能等级为8.8级,化学锚栓与锚板采用双螺母拧紧的螺栓连接。粘贴钢板、化学锚栓的结构胶粘剂采用A级胶。胶粘剂材料均需要有产品合格证,对其品种、级别、批号、包装、中文标志、产品合格证、出厂日期、出厂检验报告等进行检查;必须进行粘结抗剪强度检验,检验时,其粘结抗剪强度标准值,应根据置信水平为0.90、保证率为95%的要求确定。检验数量、检验内容以及后续检查年限按照相关规范进行;化学锚栓受拉承载力设计值为150kN,锚栓受剪承载力设计值为90kN。锚栓需要根据施工规范进行拉拔试验检验,其检验方法及质量要求按照相关规范进行,检验合格后方可进行下一道工序。具体详见加固方案参考图;2、形成的箱型钢板箍在适当位置采用加劲板进行加强,加劲板钢材等级为Q355B,板厚为12~16mm,焊缝高度分别为10~14mm等,具体详见加固方案;3、本次加固方案采用的焊缝等级为二级,必需满足焊接施工工艺要求,焊接后需要进行外观检查且按照检测要求进行探伤检测,检测合格后方可进行下一道工序;4、对锚板与钢筋混凝土柱连接处局部已出现孔隙的建议待各项焊接加强后注入灌浆料进行填满。5、各放样钢板以现场实际测量为准;6、加固钢板焊接施工应在卸载后进行;7、本加固方案设计前提为现场锚筋焊接质量经检查后需要满足结构受力性能;8、针对此次加固方案,施工单位需要编制具有针对性的施工组织措施,并经有关各方评审后,严格按照实施。加固方案参考图如下:上述加固方案仅供施工参考,具体还需结合施工现场综合考虑,建议进行多方讨论或请专家论证采用确实可行的加固方案,建议施工阶段及后期使用阶段定期检查和维护,确保结构安全可靠!二、对工程施工的要求1、对所有焊接节点全面进行外观检查,并按施工图纸及有关施工规程、规范进行施工和验收;2、对出现外观检查不合格和未进行严格按照穿孔塞焊工艺焊接的预埋板进行加强补焊;锚筋焊接补强方案建议如下:现场锚筋处按照穿孔塞焊工艺进行45°剖口开孔,开孔时不得损害原有锚筋,并确保钢筋位于孔中心位,开孔后对孔内焊渣等杂物进行清理干净后进行满焊,焊接应组织好焊接工艺,确保焊接质量。同一埋件锚筋不得同时施工,需待锚筋按照上述补强方案完成后方可进行下一根锚筋焊接补强;3、锚筋和锚板的焊缝等级为二级焊缝,按照要求需要在外观检查合格后进行探伤检测。现场应扩大抽检比例尤其对加强补焊的焊缝进行探伤检测。检测合格后方可进行下一道工序;

1、当您付费下载文档后,您只拥有了使用权限,并不意味着购买了版权,文档只能用于自身使用,不得用于其他商业用途(如 [转卖]进行直接盈利或[编辑后售卖]进行间接盈利)。
2、本站所有内容均由合作方或网友上传,本站不对文档的完整性、权威性及其观点立场正确性做任何保证或承诺!文档内容仅供研究参考,付费前请自行鉴别。
3、如文档内容存在违规,或者侵犯商业秘密、侵犯著作权等,请点击“违规举报”。

碎片内容

预埋件连接措施加固方案

您可能关注的文档

确认删除?
VIP
微信客服
  • 扫码咨询
会员Q群
  • 会员专属群点击这里加入QQ群
客服邮箱
回到顶部